找回密码
 立即注册

QQ登录

只需一步,快速开始

工控课堂 首页 工控文库 自动化控制 查看内容

8种自动控制算法汇总讲解

2023-7-6 23:36| 发布者: 198366809| 查看: 2394| 评论: 0

摘要: 01反馈控制反馈控制也称闭环(closed-loop)控制。如同流量及压力控制一样,操作端控制信号的变化经由系统后作为传感器的测量值从检测端返回,这种控制系统称为反馈控制。在自动控制中,反馈控制使用得最广泛,抗外部 ...

01反馈控制

反馈控制也称闭环(closed-loop)控制。如同流量压力控制一样,操作端控制信号的变化经由系统后作为传感器的测量值从检测端返回,这种控制系统称为反馈控制

在自动控制中,反馈控制使用得最广泛,抗外部干扰的能力强,能实现稳定控制。反馈控制中通常会选用傻瓜式模糊调节器或能适应各种复杂工况的人工智能PID调节器。

反馈控制示例

02前馈控制

前馈控制(Feedforword Control)用于热过程或传送装置等过程响应时间长、外部干扰大的情况。

前馈控制与上面提到的反馈控制结合使用,在温度发生变化之前检测外部干扰(此时为水的流量变化),在反馈控制前修正控制信号,所以也称为超前动作。前馈控制通常由单回路调节器和加减法数学运算器构成,选择适合的调节器、整定最佳PID参数和数学运算器系数对提升前馈控制系统控制效果很重要。

前馈控制示例

03顺序控制

要在水槽中获得温水,将热水进水阀打开一段时间后关闭,再将冷水进水阀打开一段时间后关闭,虽然温度不那么精确但也可以获得温水。像这样将一系列的ON/OFF操作进行自动化控制称为顺序控制,即“按照事先确定的顺序进行的控制”。该控制既没有目标值也没有修正动作,不受外部干扰。

顺序控制示例

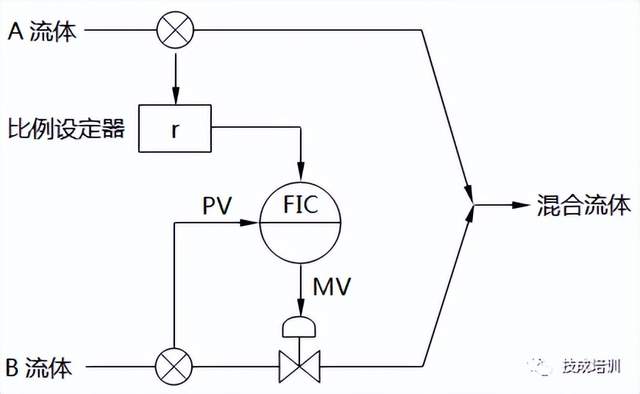
04比值控制系统

将多种流体按比例混合时,使用比值控制系统(Ratio Control)。比值运算的例子参照流量的比值运算示例。

比值控制示例

05串级控制系统

利用主调节器和从动调节器将过程变量不同的回路进行组合,将主调节器的输出连接到从动调节器的设定上,这种控制系统称为串级控制系统。


串级有一连串过程的意思。作为基本条件,从动调节回路的系统响应比主调节回路快。对于燃料压力的变化等从属端的外部干扰,可以尽早修正。

06超驰控制系统

超驰控制系统(Override Control)是自动选择多个调节器的输出信号,进而对过程进行控制的方式。如图所示,在确保燃烧器燃料压力最低的同时,在进行流量控制的回路中,自动选择压力调节器和流量调节器中控制输出较大的一个,对调节阀进行控制。该控制回路也称为自动选择(AUTO-selector)控制

超驰控制示例本

例中使用了high selector,有时也使用low selector。

07程序控制系统

程序控制系统(Program Control)是按照事先确定好的时间计划来改变设定值的控制系统。使用程序设定器或者具有设定变更功能的可编程温控器,主要适用于煅烧炉等设备中。

程序控制示例

08批量控制系统

批量控制系统(Batch Control)主要用于装填设备,如将汽油或煤油等装载到油罐车中的装车设备,主要功能是当装填量达到设定值后,自动停止

高性能批处理调节器具备初始速度设定、预先定量设定等功能。批量控制系统通常由带批量控制的流量积算仪完成,相关信息在流量定量控制仪产品页面详细讲解
初始速度设定是指开始注入时为了避免喷嘴尖端因静电而产生火花,在喷嘴尖端接触液体前,进行小流量注入功能的设定。
预先定量设定是指在达到一定量的累积值时,减少充填流量,以防止过度注入的功能的设定。

批量控制示例

关注公众号,加入500人微信群,下载100G免费资料!

最新评论

热门文章
关闭

站长推荐上一条 /1 下一条

QQ|手机版|免责声明|本站介绍|工控课堂 ( 沪ICP备20008691号-1 )

GMT+8, 2026-3-8 08:06 , Processed in 0.150492 second(s), 22 queries .

Powered by Discuz! X3.5

© 2001-2026 Discuz! Team.

返回顶部