找回密码
 立即注册

QQ登录

只需一步,快速开始

工控课堂 首页 工控文库 电工电气 查看内容

四个电气原理图判断你是不是一个合格电工

2022-2-19 13:59| 发布者: gkket| 查看: 1489| 评论: 15|原作者: gkket

摘要: 一电气基础知识; 概述:为了安全、经济的发电、供电,对发电机、变压器、电动机、及电路进行测量、操作和保护而装设的辅助设备是各种测量仪表,控制开关,信号器具,继电器等等 。本章主要介绍几种常用的低压电器 ...
电气基础知识;

概述:为了安全、经济的发电、供电,对发电机变压器、电动机、及电路进行测量、操作和保护而装设的辅助设备是各种测量仪表控制开关,信号器具,继电器等等 。
本章主要介绍几种常用的低压电器,基本的控制环节和保护环节的典型线路。
1.1 组合开关(转换开关)
组合开关有三对静触片——相当于刀开关的夹座,三个动触片——相当于刀开关的闸刀。用
手柄转动转轴使动触片与静触片接通与断开。
转换开关一般用于交流380V、直流220V,电流100A以下的电路中做电源开关。
1.2 按钮;通常接触器线圈的的通电和断电是用按钮控制的。




1.3 交流接触器接触器


用刀开关和电磁铁结合在一起的控制电器叫做接触器或电磁开关。
接触器是各种电器控制设备中主要电器,利用它可以实现各种自动控制的要求。


动作过程:1线圈通电。2 衔铁被吸合。3 触点闭合。4 回路与电源接通。

注意:属于同一器件的线圈和触点用相同的文字表示。


用于主电路 流过的大电流 (需加灭弧装置)
用于控制电路流过的小电流 (无需加灭弧装置)
1.4 中间继电器
作用:常用来传递信号或用于控制电路中。
其结构和交流接触器基本相同。
区别: 交流接触器的主触点可以通过大电流;
继电器的体积和触点容量小,触点数目多,且只能通过小电流。所以,继电器一般用于控制电路中。


常用继电器类型:1 中间继电器2 速度继电器3 时间继电器(具有延时功能)4 热继电器(做过载保护)
1.5 热继电器


为了保护电动机不受长期过载电流的危害,在电动机控制电路中常装有双金属片热力继电器——过载保护。


工作原理:将两种膨胀系数不同的双金属片紧紧地碾压在一起,当它受热膨胀时,由于不同的金属膨胀系数不同,所以两种金属的膨胀程度不同。
热继电器的主要部分是两个热元件,它是一段电阻不大的电阻丝,绕在双金属片上。使用时,发热元件接入电机主电路,若长时间过载,双金属片被加热。因双金属片的下层膨胀系数大,使其向上弯曲,杠杆被弹簧拉回,常闭触点断开。
常闭触点接在控制电路中,当它断开时,就切断了控制电路,使继电器线圈断电,于是就切断了电动机的主电路,起到了过载保护的作用。


热继电器的主要技术数据——整定电流。
整定电流:即热元件中通过的电流超过此值的20%时,热继电器应在20分钟内动作。
通常是根据整定电流选择热继电器,整定电流与电动机的额定电流基本一致。
1.6 熔断器
用于低压线路中的短路保护。熔断器包含保险丝,保险片,保险管。
常用的熔断器:1插入式熔断器,2螺旋式熔断器3,管式熔断器 4有填料式熔断器
二 主要的控制电路图;
1 鼠笼式电动机直接起动的控制线路


Q——开关
FU——保险丝
KM——接触器
FR——热继电器
SB——按钮
一、直接起动的过程


和上闸刀开关Q,按下SB2,接触器线圈KM通电,其主触头和辅助触头同时吸合,电动机
运行。按下SB1,控制电路断电,主触头和辅助触头同时断开,电动机 停车。
KM的辅助触点,起自锁作用。去掉KM辅助触点, 实现点动控制。
2、保护电机的必要技术手段
短路保护:用熔断器 FU实现短路保护。当电动机内部发生短路时,熔断器流过很大的短路电流,熔丝迅速熔断,电动机就自动停转。
零压保护:当电网电压下降很多或停电时,交流接触器线圈中的电流也要减小或者消失,使主触头断开,电动机停转。
过载保护:常采用热继电器FR保护。
当电动机过载时,热元件发热使双金属片受热膨胀弯曲,使控制电路中热继电器的常闭触头断开,使接触器线圈断电,起到过载保护作用。
例:两地控制一台电动机的控制线路

甲、乙的起动按钮并联;停止按钮串联。


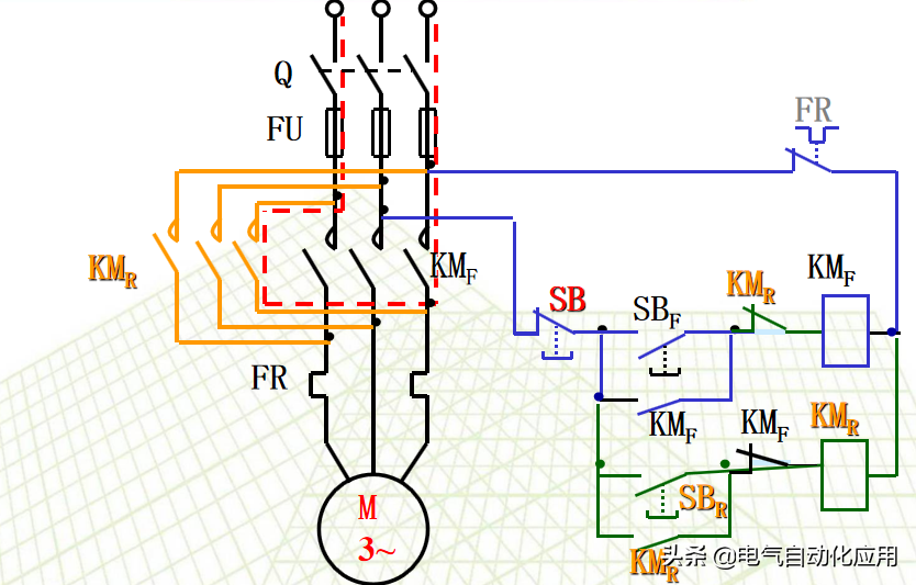
3 鼠笼式电动机正反转的控制线路
在生产上不仅需要控制电动机的起动和停车,有时候还要求电动机能向正、反两个方向转动,例如应用异步电动机使起重机提升与下降。将电动机接到电源的任意两根线对调一下,即可使电动机反转。
需要用两个接触器来实现这一要求。当正转接触器工作时,电动机正转;当反转接触器工作时,将电动机接到电源的任意两根联线对调一下,电动机反转。

正反转的控制线路


注意事项;
正转、反转接触器不能同时动作
采取的措施是:在正转接触器的控制电路中,串接了反转接触器的一个常闭触点KMR。
在反转接触器的控制电路中,串接了正转接触器的一个常闭触点KMF。
接触器KMF和KMR的这两个常闭辅助触头在控制电路中所起的作用好比是两把锁门用的锁,当一个接触器的线圈带电时,就把另一个接触器的控制电路锁住,所以叫做联锁作用,这两个常闭触头就叫做联锁触头。
在同一时间内,两个接触器只允许一个通电工作的控制作用,称为“联锁”。 利用接触器的触点实现联锁控制称电气联锁。
电气联锁的缺点:正转过程中要求反转,必须先按停止按钮,然后才能按反转按钮。
解决措施:在控制电路中加入机械联锁。

利用复合按钮的触点实现联锁控制称机械联锁。


4 行程控制
行程控制:控制某些机械的行程,当运动部件到达一定行程位置时利用行程开关进行控制。
例如:提升机要求达到一定的高度自动停止;一些机床要求刀具或工件自动往返。
行程开关的工作原理:行程开关是由位置来决定其动作的开关元件,它的结构基本与按钮一样,一般只具有一个常开触点和一个常闭触点。
其结构与按钮类似,但其动作要由机械撞击,其结构图为:




自动往返运动的控制电路:


按SBF时,KMF通电,电机正转,工作台前进,到达预定位置,挡块1撞击STb,KMF断电
停止正转,KMR通电,电机反转(工作台后退)。

[groupid=97]电工电气学习[/groupid]
关注公众号,加入500人微信群,下载100G免费资料!
发表评论

最新评论

引用 rryyrryy123 2025-11-13 20:45
蹲个后续,楼主记得更新呀,在线等挺急的~
引用 danny_zhu 2025-11-13 20:56
谁懂啊!这内容我能循环看十遍
引用 木木的QQ 2025-11-13 20:57
来凑个热闹,为楼主增加点人气!
引用 在路上^จ 2025-11-13 21:06
浅蹲一个后续,楼主更新踢我一下
引用 wx_TG73JkeG 2025-11-13 21:07
谁懂啊!真的被戳中笑点 / 泪点了
引用 feng_canyue 2025-11-13 21:07
被戳中笑点 / 泪点,太真实了!
引用 bulesky 2025-11-13 21:14
理性围观,感觉大家说的都有道理~
引用 1065350841 2025-11-13 21:15
同款经历!我当初也这么过来的😂
引用 告辞! 2025-11-13 21:15
打卡路过,支持优质原创内容~
引用 wx_d55z9Ohw 2025-11-13 21:16
不请自来,只为说一句:太精彩了!
引用 丑丑 2025-11-13 21:16
这波分析到位,逻辑满分!
引用 qqwoshuai12 2025-11-13 21:19
画面感太强了,仿佛身临其境!
引用 312788909 2025-11-13 21:22
理性围观,感觉大家说得都有道理
引用 sht 2025-11-13 21:23
水个经验,支持楼主,加油呀
引用 lxc 2025-11-13 21:49
救命!这波发言太秀了,直接原地封神~
疯狂认同!楼主说出了我不敢说的话

查看全部评论(15)

热门文章
关闭

站长推荐上一条 /1 下一条

QQ|手机版|免责声明|本站介绍|工控课堂 ( 沪ICP备20008691号-1 )

GMT+8, 2025-12-22 16:34 , Processed in 0.194071 second(s), 28 queries .

Powered by Discuz! X3.5

© 2001-2025 Discuz! Team.

返回顶部