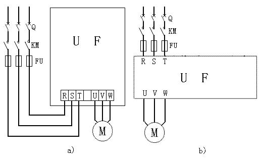
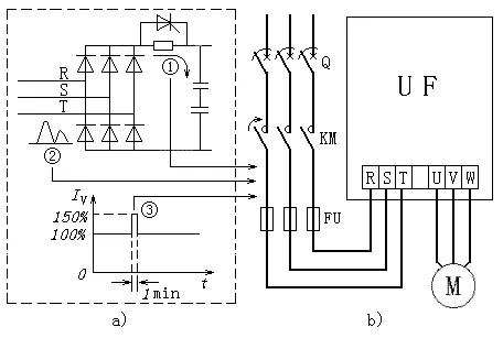
1、基本概念(1) VVVF 改变电压、改变频率(Variable Voltage and Variable Frequency)的缩写。 (2) CVCF恒电压、恒频率(Constant Voltage and Constant Frequency)的缩写。 各国使用的交流供电电源,无论是用于家庭还是用于工厂,其电压和频率均200V/60Hz(50Hz)或100V/60Hz(50Hz)。通常,把电压和频率固定不变的交流电变换为电压或频率可变的交流电的装置称作“变频器”。为了产生可变的电压和频率,该设备首先要把三相或单相交流电变换为直流电(DC)。然后再把直流电(DC)变换为三相或单相交流电(AC),我们把实现这种转换的装置称为“变频器”(inverter)。 变频器也可用于家电产品。使用变频器的家电产品中不仅有电机(例如空调等),还有荧光灯等产品。用于电机控制的变频器,既可以改变电压,又可以改变频率。但用于荧光灯的变频器主要用于调节电源供电的频率。汽车上使用的由电池(直流电)产生交流电的设备也以“inverter”的名称进行出售。变频器的工作原理被广泛应用于各个领域。例如计算机电源的供电,在该项应用中,变频器用于抑制反向电压、频率的波动及电源的瞬间断电。 2. 电机的旋转速度为什么能够自由地改变? (1) r/min电机旋转速度单位:每分钟旋转次数,也可表示为rpm。例如:4极电机 60Hz 1,800 [r/min],4极电机 50Hz 1,500 [r/min],电机的旋转速度同频率成比例。 本文中所指的电机为感应式交流电机,在工业领域所使用的大部分电机均为此类型电机。感应式交流电机(以后简称为电机)的旋转速度近似地取决于电机的极数和频率。电机的极数是固定不变的。由于极数值不是一个连续的数值(为2的倍数,例如极数为2,4,6),所以不适合改变极对数来调节电机的速度。另外,频率是电机供电电源的电信号,所以该值能够在电机的外面调节后再供给电机,这样电机的旋转速度就可以被自由的控制。因此,以控制频率为目的的变频器,是做为电机调速设备的优选设备。 n = 60f/p,n: 同步速度,f: 电源频率 ,p: 电机极数,改变频率和电压是最优的电机控制方法 。如果仅改变频率,电机将被烧坏。特别是当频率降低时,该问题就非常突出。为了防止电机烧毁事故的发生,变频器在改变频率的同时必须要同时改变电压,例如:为了使电机的旋转速度减半,变频器的输出频率必须从60Hz改变到30Hz,这时变频器的输出电压就必须从200V改变到约100V。例如:为了使电机的旋转速度减半,变频器的输出频率必须从60Hz改变到30Hz,这时变频器的输出电压就必须从200V改变到约100V。 3、关于散热的问题 如果要正确的使用变频器, 必须认真地考虑散热的问题。变频器的故障率随温度升高而成指数的上升。使用寿命随温度升高而成指数的下降。环境温度升高10度,变频器使用寿命减半。因此,我们要重视散热问题啊!在变频器工作时,流过变频器的电流是很大的, 变频器产生的热量也是非常大的,不能忽视其发热所产生的影响。 通常,变频器安装在控制柜中。我们要了解一台变频器的发热量大概是多少,可以用以下公式估算:发热量的近似值= 变频器容量(KW)×55 [W] 在这里, 如果变频器容量是以恒转矩负载为准的(过流能力150% * 60s) 如果变频器带有直流电抗器或交流电抗器, 并且也在柜子里面, 这时发热量会更大一些。电抗器安装在变频器侧面或测上方比较好。这时可以用估算: 变频器容量(KW)×60 [W]因为各变频器厂家的硬件都差不多, 所以上式可以针对各品牌的产品。 注意:如果有制动电阻的话,因为制动电阻的散热量很大,因此最好安装位置最好和变频器隔离开,如装在柜子上面或旁边等。那么, 怎样才能降低控制柜内的发热量呢? 当变频器安装在控制机柜中时,要考虑变频器发热值的问题。根据机柜内产生热量值的增加,要适当地增加机柜的尺寸。因此,要使控制机柜的尺寸尽量减小,就必须要使机柜中产生的热量值尽可能地减少。 如果在变频器安装时,把变频器的散热器部分放到控制机柜的外面,将会使变频器有70%的发热量释放到控制机柜的外面。由于大容量变频器有很大的发热量,所以对大容量变频器更加有效。还可以用隔离板把本体和散热器隔开, 使散热器的散热不影响到变频器本体。这样效果也很好。变频器散热设计中都是以垂直安装为基础的,横着放散热会变差的! 关于冷却风扇一般功率稍微大一点的变频器, 都带有冷却风扇。同时,也建议在控制柜上出风口安装冷却风扇。进风口要加滤网以防止灰尘进入控制柜。注意控制柜和变频器上的风扇都是要的,不能谁替代谁。 另外,散热问题还要注意以下两个问题: (1)在海拔高于1000m的地方,因为空气密度降低,因此应加大柜子的冷却风量以改善冷却效果。理论上变频器也应考虑降容,1000m每-5%。但由于实际上因为设计上变频器的负载能力和散热能力一般比实际使用的要大, 所以也要看具体应用。比方说在1500m的地方,但是周期性负载,如电梯,就不必要降容。 (2)开关频率:变频器的发热主要来自于IGBT,IGBT的发热有集中在开和关的瞬间。因此开关频率高时自然变频器的发热量就变大了。有的厂家宣称降低开关频率可以扩容, 就是这个道理。 4、矢量控制是怎样使电机具有大的转矩的? (1) 转矩提升:此功能增加变频器的输出电压,以使电机的输出转矩和电压的平方成正比的关系增加,从而改善电机的输出转矩。改善电机低速输出转矩不足的技术,使用"矢量控制",可以使电机在低速,如(无速度传感器时)1Hz(对4极电机,其转速大约为30r/min)时的输出转矩可以达到电机在50Hz供电输出的转矩(最大约为额定转矩的150%)。对于常规的V/F控制,电机的电压降随着电机速度的降低而相对增加,这就导致由于励磁不足,而使电机不能获得足够的旋转力。 为了补偿这个不足,变频器中需要通过提高电压,来补偿电机速度降低而引起的电压降。变频器的这个功能叫做"转矩提升"(*1)。转矩提升功能是提高变频器的输出电压。然而即使提高很多输出电压,电机转矩并不能和其电流相对应的提高。因为电机电流包含电机产生的转矩分量和其它分量(如励磁分量)。"矢量控制"把电机的电流值进行分配,从而确定产生转矩的电机电流分量和其它电流分量(如励磁分量)的数值。"矢量控制"可以通过对电机端的电压降的响应,进行优化补偿,在不增加电流的情况下,允许电机产出大的转矩。此功能对改善电机低速时温升也有效。 5、变频器制动的有关问题 (1) 制动的概念:指电能从电机侧流到变频器侧(或供电电源侧),这时电机的转速高于同步转速。负载的能量分为动能和势能,动能(由速度和重量确定其大小)随着物体的运动而累积。当动能减为零时,该事物就处在停止状态。机械抱闸装置的方法是用制动装置把物体动能转换为摩擦和能消耗掉。 对于变频器,如果输出频率降低,电机转速将跟随频率同样降低。这时会产生制动过程,由制动产生的功率将返回到变频器侧。这些功率可以用电阻发热消耗。在用于提升类负载,在下降时, 能量(势能)也要返回到变频器(或电源)侧,进行制动。这种操作方法被称作"再生制动",而该方法可应用于变频器制动。在减速期间,产生的功率如果不通过热消耗的方法消耗掉,而是把能量返回送到变频器电源侧的方法叫做"功率返回再生方法"。在实际中,这种应用需要"能量回馈单元"选件。 (2)怎样提高制动能力? 为了用散热来消耗再生功率,需要在变频器侧安装制动电阻。为了改善制动能力,不能期望靠增加变频器的容量来解决问题。请选用"制动电阻"、"制动单元"或"功率再生变换器"等选件来改善变频器的制动容量。 6、当电机的旋转速度改变时,其输出转矩会怎样? (1)工频电源由电网提供的动力电源(商用电源) (2)起动电流当电机开始运转时,变频器的输出电流变频器驱动时的起动转矩和最大转矩要小于直接用工频电源驱动。 我们经常听到下面的说法:"电机在工频电源供电时(*1)时,电机的起动和加速冲击很大,而当使用变频器供电时,这些冲击就要弱一些"。如果用大的电压和频率起动电机,例如使用工频电网直接供电,就会产生一个大的起动冲击(大的起动电流 (*2) )。而当使用变频器时,变频器的输出电压和频率是逐渐加到电机上的,所以电机产生的转矩要小于工频电网供电的转矩值。所以变频器驱动的电机起动电流要小些。 通常,电机产生的转矩要随频率的减小(速度降低)而减些减小的实际数据在有的变频器手册中会给出说明。通过使用磁通矢量控制的变频器,将改善电机低速时转矩的不足,甚至在低速区电机也可输出足够的转矩。当变频器调速到大于60Hz频率时,电机的输出转矩将降低。通常的电机是按50Hz(60Hz)电压设计制造的,其额定转矩也是在这个电压范围内给出的。 因此在额定频率之下的调速称为恒转矩调速. (T=Te,P<=Pe) 变频器输出频率大于50Hz频率时,电机产生的转矩要以和频率成反比的线性关系下降。当电机以大于60Hz频率速度运行时,电机负载的大小必须要给予考虑,以防止电机输出转矩的不足。举例,电机在100Hz时产生的转矩大约要降低到50Hz时产生转矩的1/2。因此在额定频率之上的调速称为恒功率调速(P=Ue*Ie)。 二、变频器与电机的距离对系统的影响和预防 1、在工业使用现场,变频器与电机安装的距离可以大致分为三种情况:源远距离、中距离和近距离。20m以内为近距离,20-100m为中距离,100m以上为远距离。 由于变频器输出的电压波形不是正弦,波形中含有大量的谐波成分,其中高次谐波会使变频器输出电流增大,造成电机绕组发热,产生振动和噪声,加速绝缘老化,还可能损坏电机;同时各种频率的谐波会向空间发射不同程序的无线电干扰,还可能导致其它设备误动作。因此,希望把变频器安放在被控电机的附近。 但是,由于生产现场空间的限制,变频器和电机之间往往要有一定距离。如果变频器和电机之间为20m以内的近距离,可以直接与变频器连接;对于变频器和电机之间为20m到100m的中距离连接,需要调整变频器的载波频率来减少谐波及干扰;而对变频器和电机之间为100m以上的远距离连接,不但要适度降低载波频率,还要加装输出交流电抗器。
2、在高度自动化的工厂里,可以在中心控制室监控所有的控制设备,变频器系统的信号也要送到中控室,变频器的位置若在中心控制,总控台与变频器之间,可以直接连接,通过0-5/10V的电压信号和一些开关量信号进行控制。但是,变频器的高频开关信号的电磁辐射对弱电控制信号会产生一些干扰,因此也不一定要美观整齐,把变频器放在中心控制室内。 如果变频器与中心控制室距离远一点,可以采用4-20mA的电流信号和一些开关量作控制连接;如果距离更远,可以采用RS485串行通信方式来连接;若还要加长距离,可以利用通信中间继电器达到1km的距离;如果采用光纤连接器,可以达到23km之远。采用通信电缆连接,可以很方便地构成多及驱动控制系统,从而实现主/从和同步控制等要求。与目前流行的现场总线系统相连接将使数据变换速率大大提高。中心控制室与变频器机柜之间的距离的延长,有利于缩短变频器到电机之间的距离,以便用更加合理的布局改善系统性能。 总之安装变频器时,需要综合考虑中心控制室、变频器、电机三者之间的距离,尽量减少谐波的影响,提高控制的稳定性。 载波频率对变频器及电机的影响 1、载波频率对变频器输出电流的影响 (1)运行频率越高,则电压波的占空比越大,电流高次谐波成份越小,即载波频率越高,电流波形的平滑性越好; (2)载波频率越高,变频器允许输出的电流越小; (3)载波频率越高,布线电容的容抗越小(因为Xc=1/2πfC),由高频脉冲引起的漏电流越大。 2、载波频率对电机的影响 载波频率越高,电机的振动越小,运行噪音越小,电机发热也越少。但载波频率越高,谐波电流的频率也越高,电机定子的集肤效应也越严重,电机损耗越大,输出功率越小。 3、载波频率对其它设备的影响 载波频率越高,高频电压通过静电感应,电磁感应,电磁辐射等对电子设备的干扰也越严重。 4、载波频率对变频器自身的影响 载波频率越大,变频器的损耗越大,输出功率越小。如果环境温度高,逆变桥上下两个两个逆变管在交替导通过程中的死区将变小,严重时可导致桥臂短路而损坏变频器。 三、变频器使用注意事项 变频器使用不当,不但不能很好地发挥其优良的功能,而且还有可能损坏变频器及其设备,或造成干扰影响等,因此在使用中应注意以下注意事项: 1、必须正确选择变频器。 2、认真阅读产品使用说明书,并按说明书的要求接线、安装和使用。 3、变频器装置应可靠接地,以抑制射频干扰,防止变频器内因漏电而引起电击。 4、用变频器控制电机转速时,电机的温升及噪声会比用网电(工频)时高;在低速运转时,因电机风叶转速低,应注意通风冷却或适当减低负载,以免电机温升超过允许值。 5、供电线路的阻抗不能太小。变频器接入低压电网,当配电变压器容量超过500KVA,或配电变压器容量大于变频器容量10倍时,或变频器接在离配电变压器很近的地方时,由于回路阻抗小,投入瞬间对变频器产生很大的涌流,会损坏变频器的整流元件。 当线路阻抗较优小时,应的变压器和变频器间加装交流电抗器。 6、当电网三相电压不平衡度大于3%时,变频器输入电流的峰值就很大,会造成变频器及连接线过热或损坏电子元件,这时也需加装交流电抗器。特别是变压器为V形接法时更为严重,除在交流侧加装电抗器外,还需在直流侧加装直流电抗器。 7、不能因为提高功率因数而在进线侧装设过大的电容器,也不能在电机与变频器间装设电容器,否则会使线路阻抗下降,产生过流而损坏变频器。 8、变频器出线侧不能并联补偿电容,也不能为了减少变频器的输出电压的高次谐波而并联电容器,否则可能损坏变频器。为了减少谐波,可以串联电抗器。 9、用变频器调速的起动和停止,不能用断路器及接触器直接操作,而应用变频器的控制端子来操作,否则会造成变频器失控,并可能造成严惩后果。 10、变频器与电机间一般不宜加装交流接触器,以免断流瞬间产生过电压而损坏变频器。若需加装,在变频器运行前,输出接触器应先闭合;而在断开前,变频器应先停止输出。 11、对于变频器驱动普通电机做恒转矩运行的场合,应尽量避免长期低速运行,否则电机散热效果变差,发热严重。如果需要以低速恒转矩长期运行,就必须选用变频电机。 12、对于提升负载、频繁起停的场合,会有负转矩产生,需适当参数的制动电阻,否则变频器将因过电流或过电压故障而跳闸。 13、当电机另有制动器时,变频器应工作于自由停机方式,且制动的动作信号应在变频器发出停车指令后再发出。 14、变频器外接制动电阻的阻值不能小于变频器允许所带制动电阻的要求。在满足制动要求的前提下,制动电阻宜大些。切不可将应接制动电阻的端子答非短接,否则,在制动时会通过开关管发生短路事故。 15、变频器与电机相连时,不允许用兆欧表测量电机的绝缘电阻,否则,兆欧表输出的高电压会损坏变频器。 16、正确处理升速与减速的问题。变频器设定的加、减速时间过短,容易受到“电冲击”而损坏变频器。因此使用变频器时,在负载设备允许的前提下,应尽量延长加、减速时间。 (1)如果负载重,则应增加加、减速时间;反之,可适当减少加、减速时间; (2)如果负载设备需要短时间内加、减速,则必须考虑加大变频器的容量,以免出现太大的电流,超过变频器的额定电流; (3)如果负载设备需要很短的加、减速时间(如1s内),则应考虑在变频器上采用刹车系统。一般较大容量的变频器都配有刹车系统。 17、避开负载设备的机械共振点。因为电机在一定的频率范围内,可能会遇到负载设备的机械共振点,产生机械谐振,影响系统的运行。为此,需对变频器设置跳跃频率(或回避频率),把该频率跳过去(回避掉)以避开共振点。 18、电机首次使用或长时间放置后再接入变频器使用之前,必须对电机进行绝缘电阻测量(用500V或1000V兆欧表,测量值不应小于5MΩ。如果绝缘电阻过低,会损坏变频器。 19、变频器应垂直安装,留有通风空间,并控制环境温度不超过40℃。 20、必须采用抗干扰措施,以免变频器受干扰而影响其正常工作,或变频器产生的高次谐波干扰其它电子设备的正常工作。 21、注意电机的热保护。如果电机与变频器容量匹配,则变频器内部的热保护能有效保护电机。如果两者容量不匹配,须调整其保护值或采取其它保护措施以保证电机的安全运行。 变频器电子热保护值(电机过载检测),可在变频器额定电流的25%~105%范围内设定。 四、变频器容量选择 变频调速系统在异步电机确定后,通常应根据异步电机的额定参数或根据电机实际的运行参数来选择变频器。实践中发现,对变频器额定电流的选择应给予高度的重视。选择变频器如果只考虑容量不考虑电流,极易造成变频器的烧毁。因此,计算变频器容量时必须留有适当的余地。 通常要求变频器的额定电流: I变≥(1.05~1.1)IN (1) 或 I变≥(1.05~1.1)IMAX (2) 式中 I变----变频器的额定电流 IN----电机的额定电流 IMAX----电机实际运行中的最大电流 按容量选择时,则变频器容量: P变≥1.732×KINUN10-3(KVA) (3) 式中 IN----电机额定电流 UN----电机额定电压 K----安全系数,一般选取(1.05~1.1) 例如,选择的电机的额定电压UN=380V,额定电流IN=7.2A。 根据式(1),变频器额定电流选取: I变≥1.1IN=1.1×7.2=7.92(A) 根据式(3)变频器容量选取: P变≥1.732×1.05×7.2×380×10-3=4.98(KVA) 根据以上计算,变频器可选取功率≥5KVA,额定电流≥8A的变频器。 变频器的外围设备及选择: Q──断路器; KM──接触器; FU──快速熔断器; UF──变频器; M──电动机 
1、断路器 主要作用如下图所示: 用于电源电路的开闭,且在出现过流或短路事故时自动断开电源。 主要是隔离作用 保护作用 选择原则 IQN≥(1.3~1.4)IN 
2、输入接触器如图所示: 主要作用 ü 可通过按钮开关方便地控制变频器的通电与断电; ü 变频器或制动单元发生故障时,可自动切断电源。 选择原则 IKN≥IN 
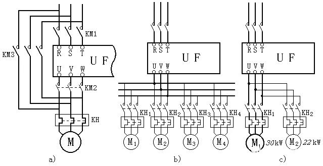
3、输出接触器如图所示: 作用: (1)用于电动机电源在工频电网和变频器之间的切换; (2)保证变频器的输出端不会接到工频电网上去。 输出接触器的选择:IKN≥1.1IMN 
二、主电路线径的选择 1、电源与变频器之间的导线 和同容量普通电动机的电线选择方法相同。 要求:ΔU≤(2~3)%UN 2、变频器与电动机之间的导线,如下图所示: 
3、变频器的功率因数 功率因数的定义PF=P/S=DF•Kd 式中,PF──功率因数; P──有功功率,kW; S──视在功率,kVA; DF──位移因数,即cosφ; Kd──电流的畸变因数,等于电流基波分量的有效值与总有效值之比. 如下图所示: 
功率因数的改善: 为了改善功率因数或安装场所距大容量电源很近时,必须加直流电抗器和交流电抗器。除改善功率因数外,还有以下作用:
(1) 抑制输入中的浪涌电流;
(2) 削弱电源电压不平衡所带来的影响; (3)可以将功率因数提高至(0.75~0.85)外; (4)功率因数可提高0.9左右。
电抗的选用如下图所示:
(1) 电抗器电压降不大于额定电压的3%。
(2) 当变压器容量大于500KVA或变压器容量超过变频器容量10倍以上时,应配电抗器。 
交流电抗器 
交-直流电抗器 4、变频器的抗干扰 变频器的电压、电流波形如下图所示: 
1、外界对变频器的干扰
主要来源于电源进线。当电源系统投入其它设备(如电容器)或由于其它设备的运行(如晶闸管等换相设备)时,容易造成电源的畸变,而损坏变频器的开关管。在变频器的输入电路中串入交流电抗器可有效抑制来源于进线的干扰。 2、变频器对外界的干扰
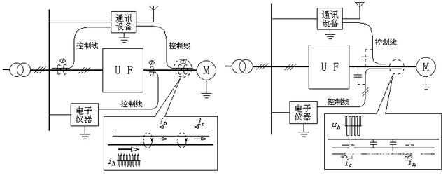
(1)干扰信号的传播方式 电路耦合方式 即通过电源网络传播,这是变频器输入电流干扰信号的主要传播方式,如下图。 
感应耦合方式 (1)电磁感应方式:这是电流干扰信号的主要传播方式如下图。 (2)静电感应方式:这是电压干扰信号的主要传播方式如下图。 
空中幅射方式:即以电磁波的方式向空中幅射,如下图。 
(2)抗干扰措施 ★ 变频器侧
a、感应方式传播的干扰信号,通过正确的布线和采用屏蔽线来消弱;
b、线路传播的干扰信号,可以在线路中串入小电感来消弱;
c、辐射传播的干扰信号,通过吸收方法来消弱(无线电抗干扰滤波器);
d、在变频器输出侧和电机间串入滤波电抗器,可以不仅起到抗干扰作用,还可以消弱由于高次谐波引起的附加转矩,改善电动机的运行特性;
e、在变频器的输出侧,绝对不允许用电容器来吸收谐波电流。★ 仪器仪表侧 电源隔离法:仪器电源侧接入隔离变压器
信号隔离法:信号侧用光电耦合器隔离 五、制动电阻请勿乱用 1、制动过程中影响泵升电压的因素 (1)拖动系统的飞轮力矩GD2 (2)降速时间tB 2、制动电阻的选择 (1)能耗电路的工作特点 如图所示: 
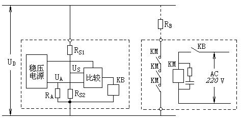
制动电阻的粗略算法 制动电阻值 RB=UD/IB(IB=IMN→TB≈TMN) 制动电阻的消耗功率 PB0=UD2/RB 制动电阻的容量选择 PB=αB •PB0 αB──制动电阻容量的修正系数。在一般情况下: αB=0.3~0.5 电动机容量小时取小值,大时取大值。 3、制动单元的构成与设计 (1)制动单元的功能与构成如图所示: 
(2)用交流接触器代替功率管的要点如图所示: 
变频器干扰的路径及对策方法 


|