PLC编程,PLC指针,PLC指针使用方法,PLC指针编程方法,S7-200SMART 指针编程方法.
1. 数据类型 


一个字节包含8个位,一个字包含16个位,一个双字包含32个位
2. 寻址方式 直接寻址:例如vb0 vw2 md4 间接寻址(指针就是通过物理地址间接寻址): A.指针建立 1). 物理地址是固有的,出厂设置好 2). 物理地址必须存放在双字里边 3). 同一个区字节的物理地址是连续的 
&为读取地址,意为将VB10的地址放入VD1000内 将VB10的地址为连续存储区的范围作间接寻址(比如VB10-VB100)
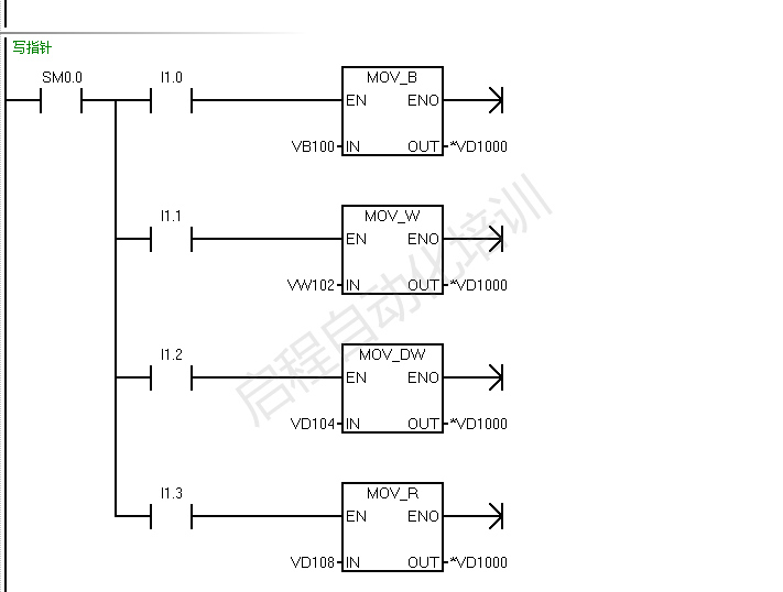
B.读/写指针 
读双字VD10的数据存到双字VD04中 读字VW10的数据存到VW102中 读双字VD10的数据存到浮点数VD108中 读字节VB10的数据存到VB100中 
将VB100的数据传送给地址VD1000对应的字节 即传给VB10 将VW102的数据传送给地址VD1000开始的字 即传给VW10 将浮点数VD108的数据传送给地址VD1000开始的双字 即传给VD10 将VD104的数据传送给地址VD1000开始的双字 即传给VD10
C. 指针偏移 
按字寻址时,偏移4即VD100由指向VD10地址转为VD1000→VD14 按字寻址时,偏移2即VD100由指向VW10地址转为VD1000→VW12 按字节寻址时,偏移1即VD100由指向VB10地址转为VD1000→VB11
&VB10:取vb10的地址 VB10表示V区第十个字节 包括八个位 范围0-255 *VD1000:指针,指向vb10的存储区 VD1000:存放vb10的物理地址 自加1后指针指向下一个字节,自加2指向下一个字,自加4指向下一个双字
指针与循环,求VD0到VD28这个八个实数最大值与最小值,平均值 


条件满足时,将指针指向存储区的值写入最大值中
用循环指令做八次循环,INDX要写整数变量,表示当前值
|