来源:PLC发烧友今天为大家带来如何在威纶通触摸屏上显示S7-200SMART PLC实时时间,有些时候,我们想在触摸屏显示PLC实时时间,还有监控PLC很麻烦,接下来就带大家不用监控PLC直观的在触摸屏上去显示实时时间。 01读实时时钟时间 第一步:(在桌面打开STEP 7-MicroWIN SMART编程软件) 
第二步:(用字节转整数+BCD码转整数指令来读取实时时钟时间(B_I—BCD_I))。 


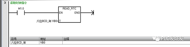
第三步:(读取实时时钟指令(READ_RTC)) 
02写时钟时间 第一步:(用整数转BCD码+整数转字节来写入时钟设定时间(BCD_I—I_B) )。 

第二步:(设置实时时钟指令(SET_RTC)). 
第三步:(监控读取PLC实时时间,当时时间:2020年6月11日15:09星期四) 


第四步:(监控写入PLC设定时间,设定时间: 2016年6月12日18:22分星期日) 

注意事项:在最后第八位表示星期的时候其中1 = 星期日,7 = 星期六,0 = 表示禁止计星期。
03组态触摸屏显示时间 第一步:(在桌面上打开Utility Manager组态软件) 

第二步:(创建一个读取时间画面) 1.通过鼠标选中数字右击来新增基本画面并把窗口名称重新命名(读取时间) 2.设置数显、关联地址、设置标签文字、设置功能键切换窗口。 


第三步:(创建一个写入时间画面) 1.通过鼠标选中数字右击来新增基本画面并把窗口名称重新命名(写入时间) 2.设置数显、关联地址、设置标签文字、设置功能键切换窗口。 


04在线模拟看一下效果 第一步:(点击启动读取按钮,现在读取PLC时间是:2020年10月12日星期一 10:01 04秒) 
第二步:(先写入一个日期和时间,然后点击启动写入按钮,切换到读取时间窗口这时会看到时间已经写入成功并计时开始) 

来源:技成-徐陈爽,转载请注明出处。留言处大家可以补充文章解释不对或欠缺的部分,这样下一个看到的人会学到更多,你知道的正是大家需要的。。。
|