找回密码
 立即注册

QQ登录

只需一步,快速开始

查看: 5050|回复: 12

PLC经典编程案例,红绿灯系统设计,含时序图和源程序!

 火.. [复制链接]
  • 打卡等级:即来则安
  • 打卡总天数:29
  • 打卡月天数:1
  • 打卡总奖励:7791
  • 最近打卡:2025-12-13 17:25:16

2540

主题

1355

回帖

2万

积分

管理员

积分
21304
发表于 2020-11-26 19:31:55 | 显示全部楼层 |阅读模式
一、PLC实例-交通信号灯
1、交通信号灯控制PLC配置示意图



2、交通信号灯系统正常工作时序图



3、实现主干道信号灯控制的梯形图






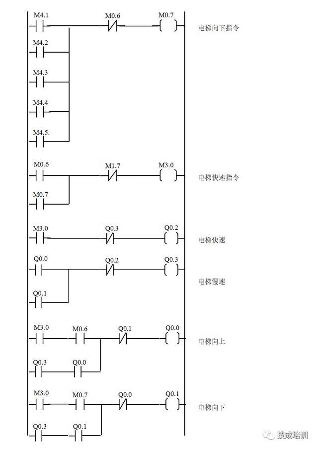
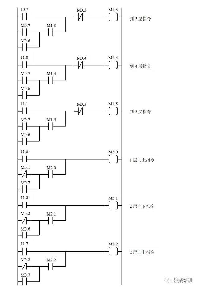
二、PLC实例—五层电梯控制
1、五层电梯控制PLC配置图



2、实现五层电梯换向和换速控制的梯形图














三、PLC实例-星—角降压启动电机控制
1、星—角降压启动电机控制原理图



2、电机控制PLC配置图



3、实现电机控制的梯形图




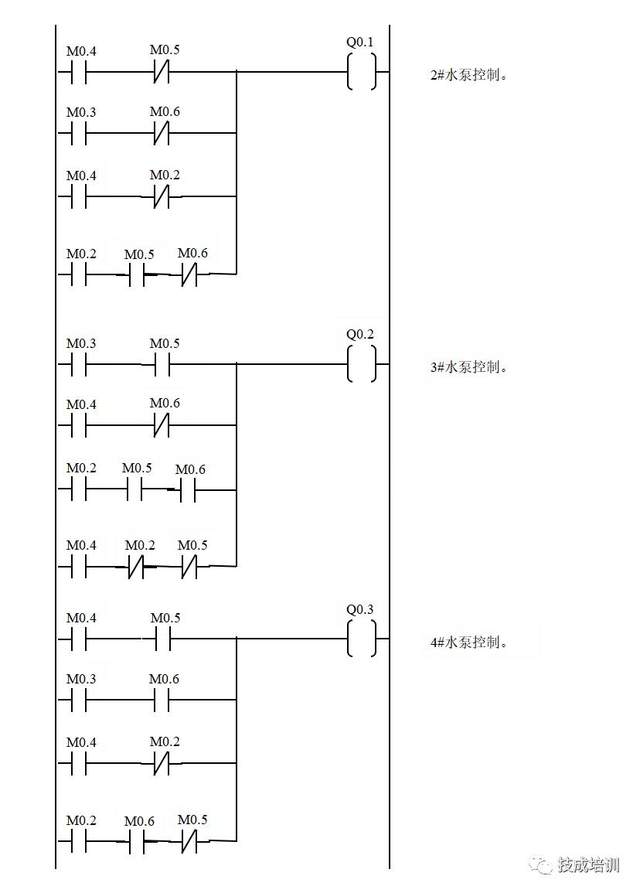
四、PLC实例—恒压供水
1、恒压供水控制PLC配置图



2、恒压供水系统控制梯形图








五、PLC实例—液体混合系统
1、液体混合系统PLC配置示意图



2、液体混合系统控制梯形图






六、PLC实例—供料系统启停控制
1、供料系统启停控制工艺要求



2、供料系统控制PLC配置图



3、供料系统控制梯形图














PLC目前5种标准的编程语言,你知道吗?
李倩 发表于 2018-03-18 10:05:50
电子说
+关注
PLC,(Programmable Logic Controller),乃是一种电子装置,早期称为顺序控制器“Sequence Controller”,1978 美国国家电气协会正式命名为PLC,其定义为一种电子装置,主要将外部的输入装置如:按键、感应器、开关及脉冲等的状态读取后,依据这些输入信号的状态或数值并根据内部储存预先编写的程序,以微处理机执行逻辑、顺序、定时、计数及算式运算,产生相对应的输出信号到输出装置如:继电器(Relay)的开关、电磁阀及电机驱动器,控制机械或程序的操作,达到机械控制自动化或加工程序的目的。
PLC目前有5种标准的编程语言,包括图形化编程语言和文本化编程语言。图形化编程语言包括:梯形图(LD-Ladder Diagram)、功能块图(FBD - Function Block Diagram)、顺序功能图(SFC - Sequential Function Chart)。文本化编程语言包括:指令表(IL-Instruction List)和结构化文本(ST-Strutured Text)。IEC 1131-3的编程语言是IEC工作组对世界范围的PLC厂家的编程语言合理地吸收、借鉴的基础上形成的一套针对工业控制系统的国际编程语言标准,它不但适用于PLC系统,而且还适用于更广泛的工业控制领域,为PLC编程语言的全球规范化做出了重要的贡献。
电器梯形图


继电器梯形图(LD-Ladder Diagram)语言是PLC首先采用的编程语言,也是PLC最普遍采用的编程语言。梯形图编程语言是从继电器控制系统原理图的基础上演变而来的,与继电器控制系统梯形图的基本思想是一致的,只是在使用符号和表达方式上有一定区别。PLC的设计初衷是为工厂车间电气技术人员而使用的,为了符合继电器控制电路的思维习惯,作为首先在PLC中使用的编程语言,梯形图保留了继电器电路图的风格和习惯,成为广大电气技术人员最容易接受和使用的语言。
梯形图编程中
用到以下四个基本概念
1. 软继电器
PLC梯形图中的某些编程元件沿用了继电器这一名称,如输入继电器、输出继电器、内部辅助继电器等,但是它们不是真实的物理继电器,而是一些存储单元(软继电器),每一软继电器与PLC存储器中映像寄存器的一个存储单元相对应。该存储单元如果为“1”状态,则表示梯形图中对应软继电器的线圈“通电”,其常开触点接通,常闭触点断开,称这种状态是该软继电器的“1”或“ON”状态。如果该存储单元为“0”状态,对应软继电器的线圈和触点的状态与上述的相反,称该软继电器为“0”或“OFF”状态。使用中也常将这些“软继电器”称为编程元件。
2. 能流
有一个假想的“概念电流”或“能流”(Power Flow)从左向右流动,这一方向与执行用户程序时的逻辑运算的顺序是一致的。能流只能从左向右流动。利用能流这一概念,可以帮助我们更好地理解和分析梯形图。
3.母线
梯形图两侧的垂直公共线称为母线(Bus bar),。在分析梯形图的逻辑关系时,为了借用继电器电路图的分析方法,可以想象左右两侧母线(左母线和右母线)之间有一个左正右负的直流电源电压,母线之间有“能流”从左向右流动。右母线可以不画出。
4.梯形图的逻辑解算
根据梯形图中各触点的状态和逻辑关系,求出与图中各线圈对应的编程元件的状态,称为梯形图的逻辑解算。梯形图中逻辑解算是按从左至右、从上到下的顺序进行的。解算的结果,马上可以被后面的逻辑解算所利用。逻辑解算是根据输入映像寄存器中的值,而不是根据解算瞬时外部输入触点的状态来进行的。
梯形图程序设计语言的特点是:
(1)与电气操作原理图相对应,具有直观性和对应性;
(2)与原有继电器逻辑控制技术相一致,对电气技术人员来说,易于撑握和学习;
(3)与原有的继电器逻辑控制技术的不同点是,梯形图中的能流(Power Flow)不是实际意义的电流,内部的继电器也不是实际存在的继电器,因此,应用时,需与原有继电器逻辑控制技术的有关概念区别对待;
(4)与指令表程序设计语言有一一对应关系,便于相互的转换和程序的检查。
功能块图


功能块图(FBD - Function Block Diagram)采用类似于数字逻辑门电路的图形符号,逻辑直观,使用方便,它有梯形图编程中的触电和线圈等价的指令,可以解决范围广泛的逻辑问题。功能块图程序设计语言有如下特点:
(1)以功能模块为单位,从控制功能入手,使控制方案的分析和理解变得容易;
(2)功能模块是用图形化的方法描述功能,它的直观性大大方便了设计人员的编程和组态,有较好的易操作性;
(3)对控制规模较大、控制关系较复录的系统,由于控制功能的关系可以较清楚地表达出来,因此,编程和组态时间可以缩短,调试时间也能减少;
顺序功能图


顺序功能图(SFC - Sequential Function Chart)亦称流程图或状态转移图,是一种图形化的功能性说明语言,专用于描述工业顺序控制程序,使用它可以对具有并发、选择等复杂结构的系统进行编程。顺序功能图程序设计语言有如下特点:
(1)以功能为主线,条理清楚,便于对程序操作的理解和沟通;
(2)对大型的程序,可分工设计,采用较为灵活的程序结构,可节省程序设计时间和调试时间;
(3)常用于系统的规模校大,程序关系较复杂的场合;
(4)只有在活动步的命令和操作被执行,对活动步后的转换进行扫描,因此,整个程序的扫描时间较其他程序编制的程序扫描时间要大大缩短。
指令表


指令表(IL-Instruction List)编程语言类似于计算机中的助记符汇编语言,它是可编程控制器最基础的编程语言,所谓指令表编程,是用一个或几个容易记忆的字符来代表可编程控制器的某种操作功能。
指令表程序设计语言有如下特点:
(1)采用助记符来表示操作功能,具有容易记忆,便于撑握的特点;
(2)在编程器的键盘上采用助记符表示,具有便于操作的特点,可在无计算机的场合进行编程设计;
(3)与梯形图有一一对应关系,其特点与梯形图语言基本类同。
结构化文本


结构化文本(ST-Strutured Text)是一种高级的文本语言,可以用来描述功能,功能块和程序的行为,还可以在顺序功能流程图中描述步、动作和转变的行为。结构化文本语言表面上与 PASCAL语言很相似,但它是一个专门为工业控制应用开发的编程语言,具有很强的编程能力用于对变量赋值、回调功能和功能块、创建表达式、编写条件语句和迭代程序等。结构化文本程序设计语言有如下特点:
(1)采用高级语言进行编程,可以完成较复杂的控制运算;
(2)需要有一定的计算机高级程序设计语言的知识和编程技巧,对编程人员的技能要求较高,普通电气人员无法完成。
(3)直观性和易操作性等性能较差;
(4)常被用于采用功能模块等其他语言较难实现的一些控制功能的实施。
不是所有的PLC都支持所有的编程语言(如功能块图、顺序功能图就有很多低档PLC不支持),而大型的PLC控制系统一般都支持这5种标准编程语言或类似的编程语言。还有一些标准以外的编程语言,它们虽然没有被选择进标准语言中,但是它们是为了适合某些特殊场合的应用而开发的,在某些情况下,它们也许是较好的编程语言。比如D7-SYS的连续功能图CFC就是专为大型连续工艺控制而开发,只要调用程序中的CFC功能块就可以轻易实现象PID控制器、计数器、定位器、斜坡函数发生器等一系列特殊功能,而且不需要专门的编程知识,只需要懂得图形化处理和标准程序块的使用,进行简单的设置即可。
最后,咱们聊聊PLC编程的学习方法
1、学习PLC编程需要坚强的毅力和足够的耐心
人各有所长。有些人把编程看作一项冗长而枯燥的工作;有些人把编程看作一项趣味的智力游戏。如果你是前者,强烈建议你远离这份工作。毕竟编程工作是对人的毅力和耐心的挑战,编程需要经历无数次的试错,调试-修改-调试-修改…经过无数次失败后,当看到PLC按照自己的控制要求有条不紊的运行时,你将得到极大的成就感,这就如同打通了一个游戏的关口,那种感觉是一样的。
2、学习PLC编程需要敢于实践的信心
很多初学者往往是出于一种畏惧,担心损坏设备,而不敢进行实际操作。其实这些畏惧是没有任何道理的,只要你仔细的阅读手册,遵循标准的规范去接线实操的,都不会出什么问题。不必担心自己写的程序会有什么问题,会影响PLC的正常工作,程序有没有问题,只有让PLC运行了才能发现。所以,要有敢于实践的信心,大胆的实践是PLC编程的必由之路。
3、编程需要有缜密的逻辑思维
编程本身就是一种逻辑思维过程。最初的PLC是用来替代继电器逻辑电路的,所以继承了继电器电路以触点作为触发条件的描述方式。在PLC中,以虚拟触点代替了继电器触点,而继电器电路所表达的逻辑关系还是被完整的保留下来。所以,要理顺对象之间的逻辑关系,要有缜密的逻辑思维。
4、养成良好的编程习惯
每个人编程都会有不同的习惯和特点,不能强求一致。但是一些好的习惯还是应该为大多数人所遵循。一是理顺逻辑关系、时序关系,编制程序框图;二是合理分配主程序、子程序和中断程序;三是合理分配寄存器,编制寄存器符号表。PLC的很多操作都是直接针对寄存器的,如果在程序中出现不合理的寄存器地址重叠,可能会造成程序错误。编制寄存器符号表不仅可以避免上述问题,而且可以使程序具备更好的可读性。PLC提供了丰富的指令、模块,初学者编程时应尽量先使用简单的指令达到目的,这对你理解那些较为复杂的指令会有帮助,具备了一定经验后,应该考虑掌握复杂指令的应用,以及程序的优化。
5、有一定的程序设计基础知识
有一定的程序设计基础知识,以及弄通有关PLC程序设计理论是重要的。没有这方面的理论准备或指导,仅靠在实践中摸索,简单的问题还好办,复杂的就不好办了,不仅无从下手,而且花了很多时间与精力,也难编出质量也较高的程序,常常是事倍功半。任何理论也都只是经验的总结,归根到底也都是来自实践。

本帖子中包含更多资源

您需要 登录 才可以下载或查看,没有账号?立即注册

×
工控课堂 www.gkket.com

0

主题

111

回帖

335

积分

注册会员

积分
335
发表于 2020-11-27 23:31:46 | 显示全部楼层
淡定,淡定,淡定……
工控课堂 www.gkket.com

0

主题

1672

回帖

4321

积分

金牌会员

积分
4321
发表于 2020-11-28 03:06:11 | 显示全部楼层
无私奉献,好工控人,32个赞送给你!!
工控课堂 www.gkket.com

0

主题

95

回帖

152

积分

新手上路

积分
152
发表于 2025-11-15 19:12:50 | 显示全部楼层
不请自来,就想夸一句:太顶了!
工控课堂 www.gkket.com

0

主题

69

回帖

94

积分

新手上路

积分
94
发表于 2025-11-15 19:38:56 | 显示全部楼层
笑不活了,评论区比正文还精彩!
工控课堂 www.gkket.com

0

主题

99

回帖

154

积分

新手上路

积分
154
发表于 2025-11-15 19:55:07 | 显示全部楼层
来凑个热闹,为楼主增加点人气!
工控课堂 www.gkket.com

0

主题

97

回帖

143

积分

新手上路

积分
143
发表于 2025-11-15 19:58:22 | 显示全部楼层
楼主太会说了,字字句句都在理
工控课堂 www.gkket.com

0

主题

168

回帖

669

积分

中级会员

积分
669
发表于 2025-11-15 20:03:24 | 显示全部楼层
楼主辛苦啦,期待下一篇分享
工控课堂 www.gkket.com

0

主题

82

回帖

117

积分

新手上路

积分
117
发表于 2025-11-15 20:04:15 | 显示全部楼层
已转发给朋友,一起感受这份快乐~
工控课堂 www.gkket.com

0

主题

126

回帖

366

积分

注册会员

积分
366
发表于 2025-11-15 20:54:42 | 显示全部楼层
蹲个后续,楼主记得更新呀,在线等挺急的~
工控课堂 www.gkket.com
您需要登录后才可以回帖 登录 | 立即注册

本版积分规则

关闭

站长推荐上一条 /1 下一条

QQ|手机版|免责声明|本站介绍|工控课堂 ( 沪ICP备20008691号-1 )

GMT+8, 2025-12-22 19:31 , Processed in 0.095913 second(s), 27 queries .

Powered by Discuz! X3.5

© 2001-2025 Discuz! Team.

快速回复 返回顶部 返回列表