找回密码
 立即注册

QQ登录

只需一步,快速开始

查看: 4180|回复: 12

34个动控制原理图,老电工看了都说好!

 火.. [复制链接]
  • 打卡等级:常驻代表
  • 打卡总天数:34
  • 打卡月天数:6
  • 打卡总奖励:9027
  • 最近打卡:2025-12-17 23:15:51

2823

主题

541

回帖

2万

积分

管理员

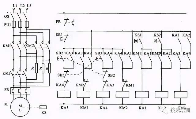
积分
22569
发表于 2020-12-16 20:05:46 | 显示全部楼层 |阅读模式

1、可控硅调速电路


2、电磁调速电机控制


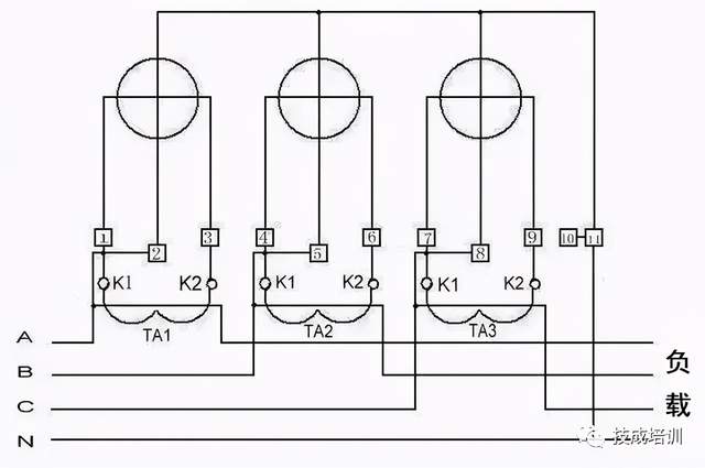
3、三相四线电度表互感器接线


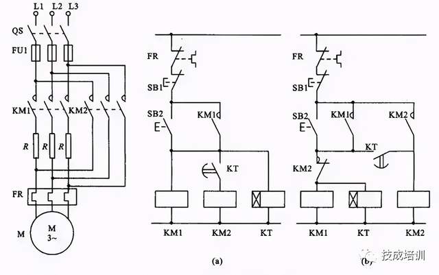
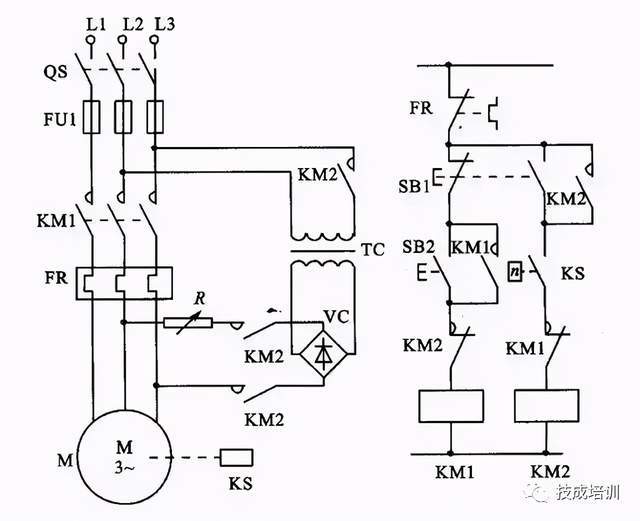
4、能耗制动


5、顺序起动,逆序停止


6、锅炉水位探测装置


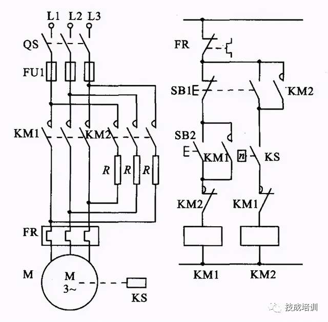
7、电机正反转控制电路


8、电葫芦吊机电


9、单相漏电开关电路


10、单相电机接线图


11、带点动的正反转起动电路


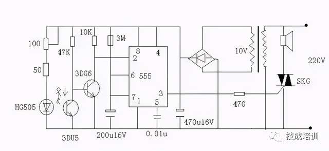
12、红外防盗报警器


13、双电容单相电机接线图


14、自动循环往复控制线路


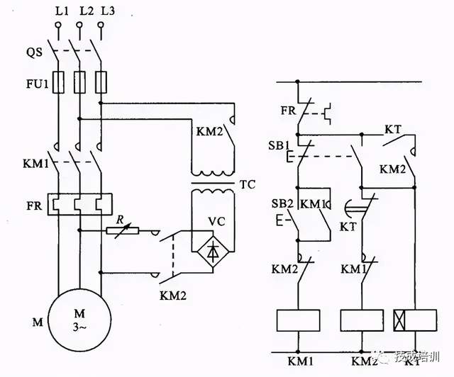
15、定子电路串电阻降压启动控制线


16、按启动钮延时运行电路


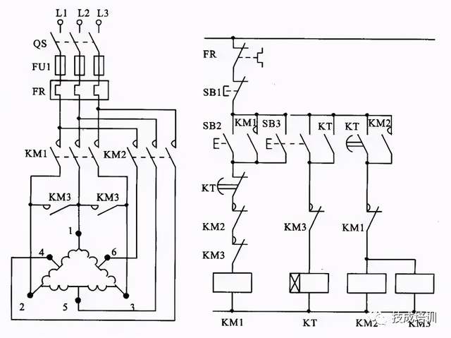
17、星形 - 三角形启动控制线路


18、单向反接制动的控制线路


19、具有反接制动电阻的可逆运行反接制动的控制线路


20、以时间原则控制的单向能耗制动线路


21、以速度原则控制的单向能耗制动控制线路


22、电动机可逆运行的能耗制动控制线路


23、双速电动机改变极对数的原理


24、双速电动机调速控制线路


25、使用变频器的异步电动机可逆调速系统控制线路


26、正确连接电器的触点


27、线圈的连接


28、继电器开关逻辑函数


29、三相半波整流电路图


30、三相全波整流电路图


31、三相全波6脉冲整流原理图


32、六相12脉冲整流原理图


33、负载两端的电压


在一个周期中,每个二极管只有三分这一的时候导通(导通角为120度)。负载两端的电压为线电压。
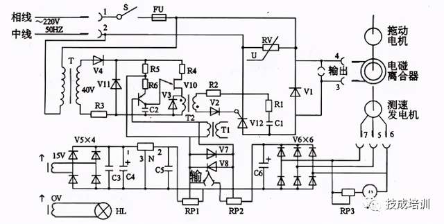
34、直流调速原理功能图


本帖子中包含更多资源

您需要 登录 才可以下载或查看,没有账号?立即注册

×
工控课堂 www.gkket.com

0

主题

85

回帖

374

积分

注册会员

积分
374
发表于 2020-12-16 20:05:46 | 显示全部楼层
淡定,淡定,淡定……
工控课堂 www.gkket.com
  • 打卡等级:即来则安
  • 打卡总天数:29
  • 打卡月天数:1
  • 打卡总奖励:7791
  • 最近打卡:2025-12-13 17:25:16

2540

主题

1353

回帖

2万

积分

管理员

积分
21301
发表于 2020-12-16 21:06:52 | 显示全部楼层
楼主您的技术水准,我最服你,其他都是浮云
工控课堂 www.gkket.com

0

主题

101

回帖

152

积分

新手上路

积分
152
发表于 2025-11-13 05:33:41 | 显示全部楼层
救命!这波发言太秀了,直接原地封神~
疯狂认同!楼主说出了我不敢说的话
工控课堂 www.gkket.com

0

主题

75

回帖

115

积分

新手上路

积分
115
发表于 2025-11-13 05:47:44 | 显示全部楼层
这逻辑绝了,分析得太到位了吧
工控课堂 www.gkket.com

0

主题

106

回帖

493

积分

注册会员

积分
493
发表于 2025-11-13 05:49:05 | 显示全部楼层
占个楼慢慢看,先马克一下
楼主辛苦啦,期待下一篇分享
工控课堂 www.gkket.com

0

主题

81

回帖

121

积分

新手上路

积分
121
发表于 2025-11-13 05:52:31 | 显示全部楼层
楼主辛苦啦,期待下一篇分享!
工控课堂 www.gkket.com

0

主题

83

回帖

125

积分

新手上路

积分
125
发表于 2025-11-13 05:53:08 | 显示全部楼层
打卡路过,支持优质原创内容~
工控课堂 www.gkket.com

0

主题

98

回帖

216

积分

注册会员

积分
216
发表于 2025-11-13 05:53:26 | 显示全部楼层
蹲一波同款,有没有小伙伴推荐?
工控课堂 www.gkket.com

0

主题

58

回帖

74

积分

新手上路

积分
74
发表于 2025-11-13 05:56:02 | 显示全部楼层
水个经验,楼主加油,支持你~
工控课堂 www.gkket.com
您需要登录后才可以回帖 登录 | 立即注册

本版积分规则

关闭

站长推荐上一条 /1 下一条

QQ|手机版|免责声明|本站介绍|工控课堂 ( 沪ICP备20008691号-1 )

GMT+8, 2025-12-22 16:58 , Processed in 0.119505 second(s), 27 queries .

Powered by Discuz! X3.5

© 2001-2025 Discuz! Team.

快速回复 返回顶部 返回列表