一、控制系统假设 图1 液压系统控制框图
如图1为液压系统的简单控制框图。控制方式为使用变频器拖动泵,使系统的实际压力等于设定压力。本文基于此系统,探讨一下如何用S7-300进行PID控制。为方便讨论,做以下假定: - · 系统压力的可调范围为:0 – 1MPa;
- · 变频器的变频范围为:0 – 50Hz;
- · 压力传感器的输入外设地址:PIW272;模拟量输出外设地址为PQW288。
二、FB41简介在STEP7中的库中,有专门用于PID控制的FB块——FB41。PID控制必须在循环中断中执行,以确保其扫描、执行时间基本固定。本例中的CPU仅有OB35一个循环中断,因此,要在OB35中调用FB41。  图2 FB41在库中的位置
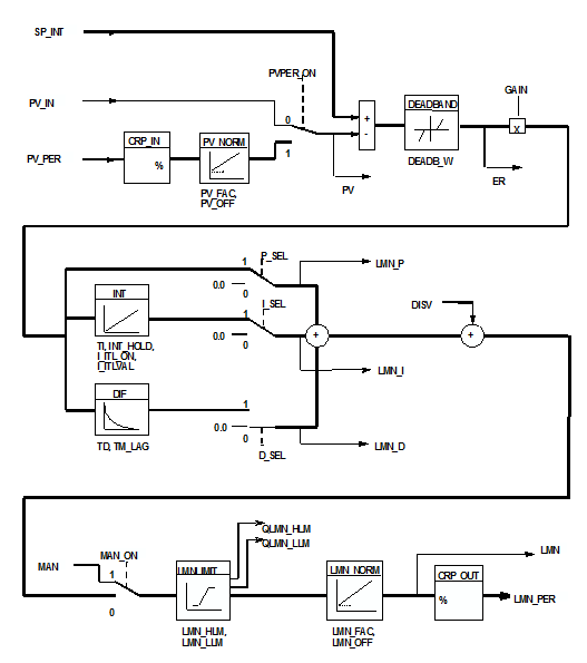
 图3 FB41的逻辑图
FB41的逻辑如图3所示。分解介绍如下: - · SP_INT端为给定值,本例中即为给定压力,假设为0.5MPa;即:0.5==>"SP_INT";
- · 实际值有两条通路可选:
· 当PVPER_ON=0时,PV_IN端的值为实际值,该值通常有FC105转换而来; · 当PVPER_ON=1时,PV_PER端的值为实际的压力值,该值来自AI模块,为压力传感器的反馈值; 本例中,我们以PVPER_ON=1时,来说明。即:1==>"PVPER_ON"、PIW272==>"PV_PER" - · PV_FAC、PV_OFF对应压力的范围,即:1==>"PV_FAC"、0==>"PV_OFF"。
- · PV是根据PV_PER计算出的实际压力值。具体来说:
PV_PER=0时,对应的实际压力为PV_OFF,即0MPa; PV_PER=27648时,对应的实际压力为PV_FAC,即1MPa; PV=PV_PER/27648*(PV_FAC – PV_OFF),本例中,PV=PV_PER/27648; - · ER为给定值SP_INT和实际值PV的偏差,PID即是基于它进行调节的;
- · GAIN、TI、TD分别为比例、积分、微分的系数。比例功能投入与否,由P_SEL决定,当P_SEL=1时,比例功能起作用;同理,I_SEL、D_SEL决定是否启用积分、微分调节;
- · LMN_P、LMN_I、LMN_D分别记录当前控制量的比例分量、积分分量、微分分量。
- · LMN_HLM、LMN_LLM分别为输出的上、下限值,上限100对应50Hz,下限0对应0Hz,所以:LMN_HLM=100/50=2;LMN_LLM=0;
- · LMN_FAC、LMN_OFF标定频率的变化范围,分别为50Hz和0Hz;
- · LMN_PER为输出的标准化,LMN_PER=LMN/100*27648;
FB41中还有其他参数,本文仅对PID控制做简单介绍,上述几个参数是必须了,将其定义在DB1中,如图4所示。然后在OB35中,调用FB41,并将DB1中的数据一一对应的填入相应的引脚,即完成了PID控制的基础工作,如图5-7所示。  图4 FB41关键参数定义


 图5-7 OB35中调用FB41
目前为止,我们就完成了PID控制的基础工作,至于如何调试PID参数,我们下一篇文章继续讨论。 来源:塞北名驼(头条)
|