找回密码
 立即注册

QQ登录

只需一步,快速开始

查看: 3874|回复: 22

如何使用西门子PLC实现交通灯控制程序

 火... [复制链接]
  • 打卡等级:即来则安
  • 打卡总天数:28
  • 打卡月天数:7
  • 打卡总奖励:7961
  • 最近打卡:2025-12-22 17:16:30

3317

主题

285

回帖

2万

积分

管理员

积分
24106
发表于 2021-4-3 11:25:53 | 显示全部楼层 |阅读模式

某交通路口红、黄、绿灯位置如图7.53所示,其基本控制要求如下:路口南北方向绿灯显示亮 10s 后(同时东西方向亮红灯),黄灯以亮1s灭1s的周期闪烁3次(同时东西方向亮红灯),然后变为红灯(同时东西方向绿灯亮、黄灯闪烁),如此循环工作。

图7.53 某交通路口红、黄、绿交通灯的位置图


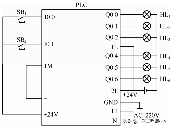
PLC控制I/O端口分配如表7.20所示,I/O接线图如图7.54所示。PLC控制梯形图及语句表如表7.21所示。

表7.20 I/O端口分配


图7.54 某交通路口红、黄、绿交通灯PLC控制I/O接线图


表7.21 交通路口红、黄、绿灯PLC 控制梯形图及语句表


续表


续表


续表



电工实战经验技巧
圈主:电子工程师小李
12成员
进入圈子











​来源:电子工程师小李

来自圈子: 工控PLC学习
工控课堂 www.gkket.com

0

主题

112

回帖

277

积分

注册会员

积分
277
发表于 2021-4-9 23:51:59 | 显示全部楼层
党的好公民,人民的好公仆。。。
工控课堂 www.gkket.com

0

主题

135

回帖

376

积分

注册会员

积分
376
发表于 2021-4-20 05:28:35 | 显示全部楼层
无私奉献,好工控人,32个赞送给你!!
工控课堂 www.gkket.com

0

主题

88

回帖

137

积分

新手上路

积分
137
发表于 2025-11-13 16:40:10 | 显示全部楼层
蹲一波同款,有没有小伙伴推荐?
工控课堂 www.gkket.com

0

主题

197

回帖

757

积分

中级会员

积分
757
发表于 2025-11-13 19:22:08 | 显示全部楼层
评论区人才辈出,笑到停不下来😂
工控课堂 www.gkket.com

0

主题

62

回帖

78

积分

新手上路

积分
78
发表于 2025-11-13 20:48:55 | 显示全部楼层
楼主太会说了,字字句句都在理~
工控课堂 www.gkket.com

0

主题

330

回帖

2085

积分

高级会员

积分
2085
发表于 2025-11-13 20:52:02 | 显示全部楼层
蹲个后续,楼主记得更新呀,在线等挺急的~
工控课堂 www.gkket.com

0

主题

60

回帖

98

积分

新手上路

积分
98
发表于 2025-11-13 20:55:04 | 显示全部楼层
说得对!狠狠赞同,没毛病~
工控课堂 www.gkket.com

0

主题

96

回帖

144

积分

新手上路

积分
144
发表于 2025-11-13 20:58:15 | 显示全部楼层
同款经历!我当初也这么过来的😂
工控课堂 www.gkket.com

0

主题

89

回帖

137

积分

新手上路

积分
137
发表于 2025-11-13 21:01:02 | 显示全部楼层
原来还有这种操作,长见识了!
工控课堂 www.gkket.com
您需要登录后才可以回帖 登录 | 立即注册

本版积分规则

关闭

站长推荐上一条 /1 下一条

QQ|手机版|免责声明|本站介绍|工控课堂 ( 沪ICP备20008691号-1 )

GMT+8, 2025-12-23 02:58 , Processed in 0.078385 second(s), 26 queries .

Powered by Discuz! X3.5

© 2001-2025 Discuz! Team.

快速回复 返回顶部 返回列表