电力作业人员在实际的工作中都会接触到PLC,随着工业自动化和智能化科技的发展,在很多复杂的场合,PLC取代了复杂的继电器控制柜和接触器控制柜,得到了广泛的应用,PLC不仅接线很简单,便于布线和控制,更重要的是PLC故障排查十分方便,省去了很繁琐的理线头,理电路的麻烦,因此PLC在工业自动化和智能化中得到了广泛应用! 
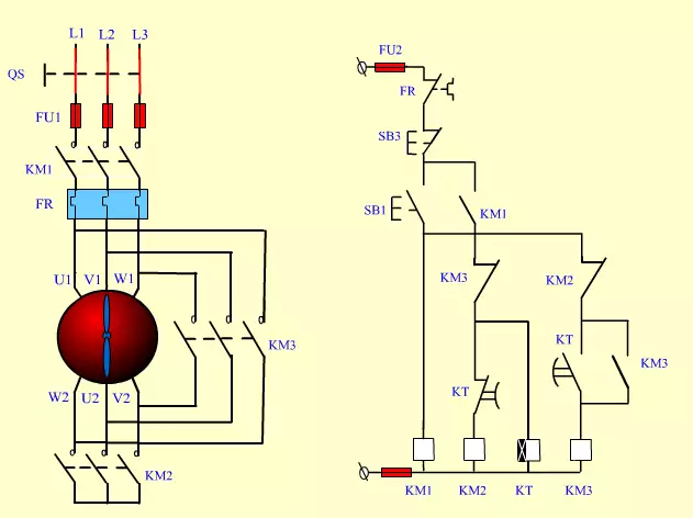
很多的朋友留言问:怎么样才能学好PLC?怎么样才能入门学PLC?PLC控制很难吗?今天我们就重点来看看关于PLC的入门: 一,基础很重要,打好基础才能学好PLC。 1,首先要看懂电气原理图,电路图是发展的基础,既然PLC可以取代继电器和接触器控制,那相应的基础电路原理是肯定要知道的! 
2,了解PLC的基本结构和动作原理。 既然要学习PLC技术,肯定要对PLC做一个了解,至少需要知道PLC是什么,主要由哪几部分构成,合个部分都有什么作用以及简单的了解PLC的扫描过程,动作原理,工作状态等等,基础的需要了解,这很重要! 
3,掌握基础的梯形图。 梯形图是PLC编程的一种方式,了解基础的梯形图,可以从最简单的基础电路入手,慢慢练习将简单的电路图转化为PLC梯形图,梯形图是一定需要掌握的! 4,学习基本的编程语言和编程指令。 编程语言和逻辑指令是PLC可以识别的逻辑语言,就像人说的话一样,所以我们要弄清楚PLC基本的逻辑语言,因为逻辑指令或者逻辑语言是PLC可以听懂的话,基础的编程指令 D,LDI,AND等等,在往期视频中都有一一介绍,想了解的朋友可以看看。 
编程语言和逻辑指令也是PLC编程的一种方式,算是PLC最基础的东西。 5,关于PLC的响应曲线,复杂的编程控制等等可以等后期熟练了以后慢慢掌握,这里就不细说了。 二,PLC需要多练习多操作多实践。 一句话说的好:纸上谈兵总觉浅,还是付诸实践吧,可以先从最基础的PLC编程和基础开始,例如:点动控制,自锁控制,正反转控制等等都可以,实践经验够了,自然复杂的也就会了。 
三,不要纠结于学习PLC哪个牌子,每一个PLC不敢说都一样,但是原理是相通的,学会学精其中一种,其他的自然会上手很快,都是触类旁通的知识!所以,与其纠结学哪种,倒不如有哪种做哪种,立马去做!
|