找回密码
 立即注册

QQ登录

只需一步,快速开始

查看: 4573|回复: 14

三菱PLC-FX2N系列产品的外部结构讲解

 火.. [复制链接]
  • 打卡等级:常驻代表
  • 打卡总天数:34
  • 打卡月天数:6
  • 打卡总奖励:9027
  • 最近打卡:2025-12-17 23:15:51

2823

主题

541

回帖

2万

积分

管理员

积分
22569
发表于 2021-4-16 23:11:24 | 显示全部楼层 |阅读模式
这篇文章主要带大家了解一下三菱PLC-FX2N系列产品的外部结构,关注海蓝机电,带你去自动化知识的海洋里遨游。
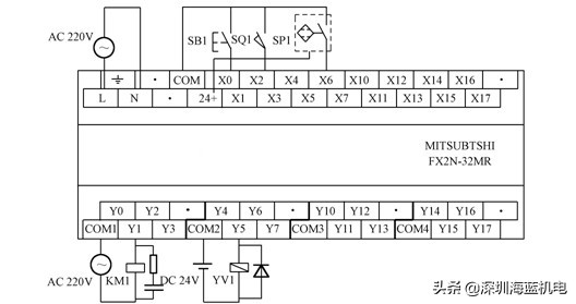
控制系统的设计中,虽然接线工作量的比重减小,但它是编程设计工作的基础。只有在正确无误地完成接线的前提下,才能确保编程设计工作的顺利进行。FX2N系列接线端子排列如图1所示。

三菱PLC-FX2N系列产品的外部结构讲解


图1 PLC-FX2N系列的接线端子排列示例(FX2N-32MR)
(1)输入口器件的介入
PLC的输入口连接输入信号器件主要有开关、按钮及各种传感器这些都是触点类型的器件。在接入PLC时,每个触点的两个接头分别连接一个输入点及输入公共端。
(2)输出口器件的接入
PLC的输出口上连接的器件主要是继电器、接触器、电磁阀的线圈。这些器件均采用PLC机外的专用电源供电内部不过是提供一组开关接点。接入时线圈的一端接输出点螺钉,一端经电源接输出公共端。
PLC输出口的电流定额一般为2A,大电流的执行器件须配装中间继电器
(3)外部接线示例
FX2N-32MR型为例,在PLC的输入端接入一个按钮、一个限位开关,还有一个接近开关;输出为一个220V的交流接触器和一个电磁阀。

三菱PLC-FX2N系列产品的外部结构讲解


图2 PLC-FX2N系列外部接线示例
以上就是关于三菱PLC-FX2N系列产品的外部结构讲解的主要内容了,关注海蓝机电,定期分享自动化知识。
更多三菱自动化文章分享,请点击下方“了解更多”阅读,或者关注小编,回复“进群”,加入三菱PLC技术微信交流群。

工控课堂 www.gkket.com

0

主题

546

回帖

1736

积分

高级会员

积分
1736
发表于 2021-4-17 09:24:36 | 显示全部楼层
感谢分享,佩服佩服!
工控课堂 www.gkket.com

0

主题

88

回帖

247

积分

注册会员

积分
247
发表于 2021-4-17 14:05:24 | 显示全部楼层
绝对干货,楼主给力,支持了!!!
工控课堂 www.gkket.com

0

主题

231

回帖

505

积分

高级会员

积分
505
发表于 2024-7-18 14:05:00 | 显示全部楼层
我只是路过打酱油的。
工控课堂 www.gkket.com

0

主题

546

回帖

1736

积分

高级会员

积分
1736
发表于 2025-11-12 09:12:54 | 显示全部楼层
笑不活了,评论区比正文还精彩!
工控课堂 www.gkket.com

0

主题

138

回帖

237

积分

注册会员

积分
237
发表于 2025-11-12 09:22:36 | 显示全部楼层
来凑个热闹,增加点人气~
工控课堂 www.gkket.com

0

主题

78

回帖

119

积分

新手上路

积分
119
发表于 2025-11-16 23:27:43 | 显示全部楼层
楼主辛苦啦,期待下一篇分享
工控课堂 www.gkket.com

0

主题

82

回帖

122

积分

新手上路

积分
122
发表于 2025-11-16 23:35:23 | 显示全部楼层
蹲一波同款,有没有小伙伴推荐?
工控课堂 www.gkket.com

0

主题

66

回帖

104

积分

新手上路

积分
104
发表于 2025-11-16 23:40:27 | 显示全部楼层
评论区人才辈出,笑到停不下来😂
工控课堂 www.gkket.com

0

主题

111

回帖

422

积分

注册会员

积分
422
发表于 2025-11-16 23:41:19 | 显示全部楼层
被戳中笑点 / 泪点,太真实了!
工控课堂 www.gkket.com
您需要登录后才可以回帖 登录 | 立即注册

本版积分规则

关闭

站长推荐上一条 /1 下一条

QQ|手机版|免责声明|本站介绍|工控课堂 ( 沪ICP备20008691号-1 )

GMT+8, 2025-12-22 17:40 , Processed in 0.104144 second(s), 27 queries .

Powered by Discuz! X3.5

© 2001-2025 Discuz! Team.

快速回复 返回顶部 返回列表