找回密码
 立即注册

QQ登录

只需一步,快速开始

查看: 5038|回复: 13

100个PLC和传感器的工作原理动图,电气工程师的最爱!

 火.. [复制链接]
  • 打卡等级:常驻代表
  • 打卡总天数:34
  • 打卡月天数:6
  • 打卡总奖励:9027
  • 最近打卡:2025-12-17 23:15:51

2823

主题

541

回帖

2万

积分

管理员

积分
22569
发表于 2021-5-15 14:15:39 | 显示全部楼层 |阅读模式
PLC控制系统,Programmable Logic Controller,可编程逻辑控制器,专为工业生产设计的一种数字运算操作的电子装置,它采用一类可编程的存储器,用于其内部存储程序,执行逻辑运算,顺序控制,定时,计数与算术操作等面向用户的指令,并通过数字或模拟式输入/输出控制各种类型的机械或生产过程,是工业控制的核心部分。

自二十世纪六十年代美国推出可编程逻辑控制器(Programmable Logic Controller,PLC)取代传统继电器控制装置以来,PLC得到了快速发展,在世界各地得到了广泛应用。同时,PLC的功能也不断完善。随着计算机技术、信号处理技术、控制技术网络技术的不断发展和用户需求的不断提高,PLC在开关量处理的基础上增加了模拟量处理和运动控制等功能。今天的PLC不再局限于逻辑控制,在运动控制、过程控制等领域也发挥着十分重要的作用。来学习一下这些动图吧!

PLC顺序控制


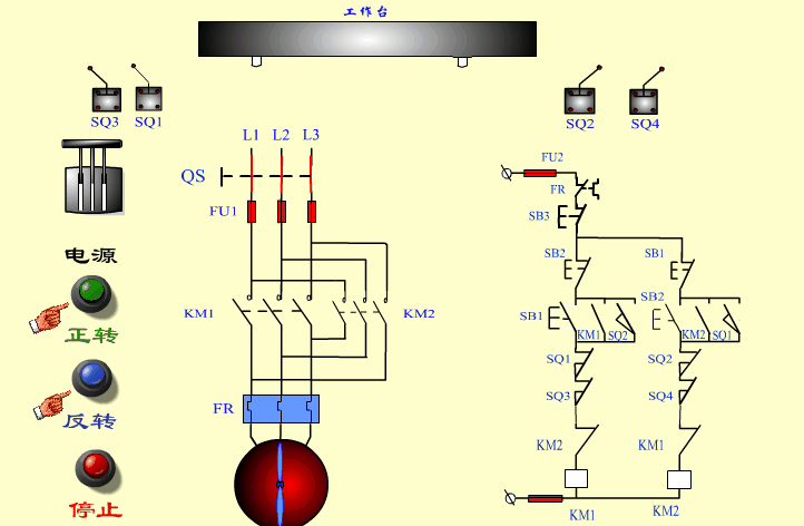
PLC正反转控制


按钮开关


冲孔加工


断电延时型时间继电器


多点控制


滚轮式行程开关


交通信号灯


机械手


交流接触器


热继电器


三相闸刀


时间继电器


手动控制


速度继电器




异步电动机转动原理


自动往返控制


传感器工作原理动图
































































































































































工控课堂 www.gkket.com

0

主题

274

回帖

1008

积分

中级会员

积分
1008
发表于 2021-5-15 14:15:40 | 显示全部楼层
真是被感动的痛哭流涕……
工控课堂 www.gkket.com

0

主题

406

回帖

1269

积分

中级会员

积分
1269
QQ
发表于 2021-5-15 14:59:47 | 显示全部楼层
论坛有你更精彩!
工控课堂 www.gkket.com

0

主题

231

回帖

505

积分

高级会员

积分
505
发表于 2024-7-18 13:50:41 | 显示全部楼层
真是被感动的痛哭流涕……
工控课堂 www.gkket.com

0

主题

292

回帖

821

积分

中级会员

积分
821
发表于 2025-11-16 20:29:56 | 显示全部楼层
这波反向操作,我属实没想到!
工控课堂 www.gkket.com

0

主题

68

回帖

101

积分

新手上路

积分
101
发表于 2025-11-16 20:41:40 | 显示全部楼层
救命!这波发言太秀了,直接原地封神~
疯狂认同!楼主说出了我不敢说的话
工控课堂 www.gkket.com

0

主题

76

回帖

159

积分

新手上路

积分
159
发表于 2025-11-16 21:12:31 | 显示全部楼层
已转发给朋友,一起感受这份快乐~
工控课堂 www.gkket.com

0

主题

88

回帖

130

积分

新手上路

积分
130
发表于 2025-11-16 21:30:40 | 显示全部楼层
救命!这回复笑到我捶桌,必须置顶~
工控课堂 www.gkket.com

0

主题

92

回帖

140

积分

新手上路

积分
140
发表于 2025-11-16 22:23:41 | 显示全部楼层
原来还有这种操作,长见识了!
工控课堂 www.gkket.com

0

主题

72

回帖

109

积分

新手上路

积分
109
发表于 2025-11-16 22:29:08 | 显示全部楼层
楼主辛苦啦,期待下一篇分享
工控课堂 www.gkket.com
您需要登录后才可以回帖 登录 | 立即注册

本版积分规则

关闭

站长推荐上一条 /1 下一条

QQ|手机版|免责声明|本站介绍|工控课堂 ( 沪ICP备20008691号-1 )

GMT+8, 2025-12-23 07:08 , Processed in 0.511516 second(s), 26 queries .

Powered by Discuz! X3.5

© 2001-2025 Discuz! Team.

快速回复 返回顶部 返回列表