找回密码
 立即注册

QQ登录

只需一步,快速开始

查看: 4781|回复: 13

【实用案例】博途V15动态加密计时催款程序

 火.. [复制链接]
  • 打卡等级:常驻代表
  • 打卡总天数:34
  • 打卡月天数:6
  • 打卡总奖励:9027
  • 最近打卡:2025-12-17 23:15:51

2823

主题

541

回帖

2万

积分

管理员

积分
22569
发表于 2021-9-20 12:34:21 | 显示全部楼层 |阅读模式
非标行业是一个特殊的行业,面对设备发货到现场后迟迟不肯付款的和找各种理由拒绝搪塞验收的客户,必须的采取非常的手段,其中给设备加密定时锁机是一种优选的方案。一来可以提醒客户要遵守规则要求,按时验收,按时付款,二来不会给客户造成任何的损失,三来避免走法律途径冗繁的手续和律师代理费。
废话不多说,在这里介绍下动态加密计时催块程序的解决思路及博途V15的源程序供各位朋友参考。所谓动态密码,就是所用的解密密码是动态实时生成的,也就是说密码是随时间变化而变化。
过程是这样实现的。当调试人员在项目调试完成后,设置一个到计时天数,当天数到达后设备锁机,HMI上跳出解锁界面,这个时候点击HMI上的生成解锁码按钮,生成解锁码(解锁码是在动态验证码中挑选8位生成的,在此基础上还可以扩展出随机生成的解锁码..........)。
然后客户把解锁码告诉给调试人员,调试人员根据解锁码计算出解密密码告诉给客户解密(调试人员是需要知道这个解密算法)。


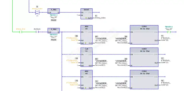
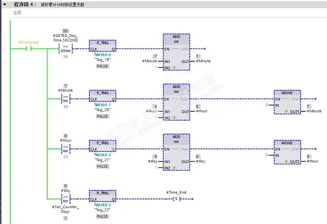
加密计时模块


程序块数据结构


程序完成步骤
1、首先调用RD_LOC_T读取日期时间存入到FB块本地临时变量中,读取秒数,根据秒数计算天数




2、调用西门子官方随机数生成块,并将随机数加上索引。


3、将随机数按照索引的顺序,放入相应的寄存器,并转成字符并显示在HMI上,可以看到动态的字符变化的炫酷效果


4、生成解锁码显示在HMI,客户把这个解锁码告诉调试人员,调试人员需要解锁码计算出密码。


5、制作解密算法(这个机密算法根据需要可以自己更改)并强转成DINT类型,并密码核对解密。




6、解密完成复位状态




工控课堂 www.gkket.com

0

主题

272

回帖

1005

积分

中级会员

积分
1005
发表于 2021-9-20 12:34:21 | 显示全部楼层
我靠!看来医生是都疯了!要不怎么让他出院了!
工控课堂 www.gkket.com

0

主题

100

回帖

342

积分

注册会员

积分
342
发表于 2021-9-20 13:01:46 | 显示全部楼层
激动人心,无法言表!
工控课堂 www.gkket.com

0

主题

1

回帖

8

积分

新手上路

积分
8
发表于 2022-8-5 17:22:21 | 显示全部楼层
激动人心,无法言表!
工控课堂 www.gkket.com

0

主题

95

回帖

144

积分

新手上路

积分
144
发表于 2025-11-14 23:22:21 | 显示全部楼层
占个楼慢慢看,先马克一下
楼主辛苦啦,期待下一篇分享
工控课堂 www.gkket.com

0

主题

101

回帖

155

积分

新手上路

积分
155
发表于 2025-11-15 00:10:01 | 显示全部楼层
谁懂啊!这内容我能循环看十遍
工控课堂 www.gkket.com

0

主题

61

回帖

88

积分

新手上路

积分
88
发表于 2025-11-15 01:38:41 | 显示全部楼层
这波反向操作,我属实没想到!
工控课堂 www.gkket.com

0

主题

98

回帖

147

积分

新手上路

积分
147
发表于 2025-11-15 05:20:05 | 显示全部楼层
楼主辛苦啦,期待下一篇分享
工控课堂 www.gkket.com

0

主题

96

回帖

150

积分

新手上路

积分
150
发表于 2025-11-15 05:30:22 | 显示全部楼层
水贴也要有仪式感,我先来打卡~
工控课堂 www.gkket.com

0

主题

89

回帖

335

积分

注册会员

积分
335
发表于 2025-11-16 01:30:59 | 显示全部楼层
原来还有这种操作,长见识了!
工控课堂 www.gkket.com
您需要登录后才可以回帖 登录 | 立即注册

本版积分规则

关闭

站长推荐上一条 /1 下一条

QQ|手机版|免责声明|本站介绍|工控课堂 ( 沪ICP备20008691号-1 )

GMT+8, 2025-12-22 17:52 , Processed in 0.082224 second(s), 26 queries .

Powered by Discuz! X3.5

© 2001-2025 Discuz! Team.

快速回复 返回顶部 返回列表