动力头是既能完成进给运动,又能同时完成切削运动的动力部件。液压动力头的自动工作循环是由控制线路控制液压系统来实现的。我们不妨将这个过程的执行部件简化为一个液压缸,而省去液压缸活塞杆之后的其它机械传动部分。这样,本单元内容中的控制对象就是液压缸的活塞杆的伸缩,而控制方式就是通过电磁换向阀来控制压力油的流向。 液压动力头的典型控制线路可以实现如下的工作循环: ①动力头快进(动力头就是图中的液压缸活塞杆,快进指活塞杆快速伸出缸体,这通常是为了提高工作效率,将动力头快速移动到可以开始切削的位置)。 ②工作进给(就是动力头开始以一定的进给速度缓慢向前,进行切削操作,亦即活塞杆缓慢伸出缸体)。 ③快速退回原位(指动力头完成切削工作,为提高工作效率,快速返回原位,亦即活塞杆快速缩回缸内)。 在上述工作循环中,假设人手动按下按钮SB1,使动力头从原位开始进入工作循环,该循环第一步是动力头快进,动力头快进到工作位置需要用到一个行程开关ST3,当动力头运动到该处触碰行程开关时,转为工作进给;工作进给完成时的位置处也需要有一个行程开关ST4,当动力头完成工作进给时触碰行程开关转为快速退回原位;在退回原位处也需要设置行程开关ST1,当动力头退回原位的动作完成时,触碰该行程开关,动力头停止运动。 工作循环过程可以用图3-9-2简单表示,完成该工作的液压系统可以用图1(b)表示。
 |  | | 图1(a) | 图1(b)液压动力头工作步骤 |
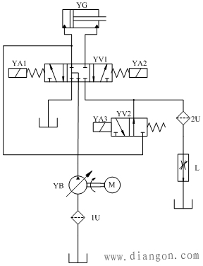
图(b)中YB是由[color=rgb(68, 68, 68) !important]电动机M带动的单相变量液压泵(流量可调)。 YV1和YV2为电磁换向阀,YG为连接动力头的液压缸,1U和2U是过滤器,2U所在支路通过流量调节阀连接回油系统,YV1中位左口也与回油系统相连,液压泵通过1U从回油缸内吸取液压油。利用图1(b)的液压系统,为了实现(a)图所示的工作循环,可以用如图2所示的控制线路完成控制过程。
 | | 图2 液压动力头控制线路1 |
(1)动力头原位停止:当电磁铁YA1、YA2、YA3都断电时,电磁换向阀YV1处于中位,变量泵卸荷,液压缸左右两腔不进出油,动力头不动。动力头在原位时,行程开关ST1一直被挡铁压住,产生持续动作,即ST1的动合触点闭合,动断触点断开。此时,观察各支路的电磁铁(包括[color=rgb(68, 68, 68) !important]中间[color=rgb(68, 68, 68) !important]继电器的电磁铁)均不得电。 (2)动力头快进:把档位切换开关S放在“1”位置,按动复合按钮SB1,中间继电器K1得电动作并自锁。其动合触点闭合使YA1和YA3得电,YA1通电使电磁换向阀YV1的左位连通,液压泵输出压力油进入液压缸的左腔,液压缸右腔的回油通过YV1的左位流至2U前端。YA3通电使YV2的左位连通,于是回油进入YV2的左位,来自液压缸右腔的回油通过其左位又流回液压缸YG的左腔,从而加大了进入左腔的油量(液压缸的差动工作方式),其活塞杆向外伸出更加迅速,形成快进。 (3)动力头工进:在动力头快进结束时,挡铁触碰行程开关ST3,ST3动作,其动合触点闭合,使K2得电动作并自锁,K2的动断触点断开使YA3断电,于是电磁换向阀YV2右位连通,来自液压缸右腔的回油在YV2这条支路上被截断,只能通过过滤器2U和流量调节阀L进入回油系统,由于回油没有进入液压缸左腔,减小了油量,且流量调节阀L可以调节从液压缸右腔排出的回油量,因此动力头进给速度明显变慢且可控制(由流量调节阀控制),动力头进入工作进给状态。应该注意的是,当动力头工进时,其挡铁将离开行程开关ST3,ST3的动合触点复位断开,但由于K2已经自锁,因此YV2依然右位连通。 (4)动力头快退:当动力头工进到终点时,挡铁触碰开关ST4,其动合触点闭合,K3得电动作并自锁,并使YA1、YA3断电,YA2得电,于是电磁换向阀YV1右位连通,变量泵输出压力油进入液压缸右腔,液压缸左腔的回油直接通过YV1右位进入回油系统,动力头结束工进,开始快速退回。动力头回到原位后,触碰行程开关ST1,K3断电使YA2断电,动力头停止运动。 (5)点动调整:上述控制线路除了完成工作循环外,还可以进行点动调整。将档位切换开关S放在“2”位置时,按下按钮SB1也可接通K1,使YA1、YA3通电,动力头快进。但由于此时K1不能自锁,因此手放松按钮SB1后,动力头停止工作,从而实现点动向前调整。
 | | 图3液压动力头控制线路2 |
(6)回原位操作:由于某种原因,动力头可能会不在原位而停止,如果此时需要将动力头快退回原位,可按动按钮SB2,使K3得电动作,产生快退,直到ST1被触碰,动力头在原位停止。 在上述控制线路的基础上,加一延时线路,就可得到这样的自动工作循环:快进——工进——延时停留——快退。控制线路如图3。实际上就是添加了一个[color=rgb(68, 68, 68) !important]时间继电器KT,当工进到终点后,触碰行程开关ST4,使时间继电器KT通电,其普通动断触点使YA1、YA3断电,动力头停止工进。由于时间继电器的延时闭合触点的延时闭合作用,继电器K3延时通电,直到此时YA2才通电,开始快退,从而实现了工进完后停留一段时间再快退。
|