找回密码
 立即注册

QQ登录

只需一步,快速开始

查看: 11608|回复: 36

详解8个PLC基本控制线路与梯形图

  [复制链接]
  • 打卡等级:即来则安
  • 打卡总天数:27
  • 打卡月天数:6
  • 打卡总奖励:7736
  • 最近打卡:2025-12-20 00:35:11

3317

主题

285

回帖

2万

积分

管理员

积分
23881
发表于 2018-11-26 19:48:03 | 显示全部楼层 |阅读模式
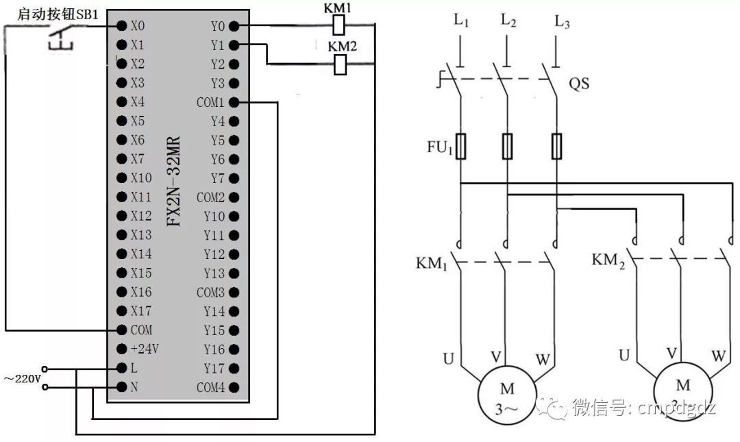
01
启动、自锁和停止控制
PLC线路与梯形图
启动、自锁和停止控制是PLC最基本的控制功能。启动、自锁和停止控制可采用驱动指令(OUT),也可以采用置位指令(SET、RST)来实现。

1.采用线圈驱动指令实现启动、自锁和停止控制

线圈驱动(OUT)指令的功能是将输出线圈与右母线连接,它是一种很常用的指令。

梯形图

当按下启动按钮SB1时,PLC内部梯形图程序中的启动触点X000闭合,输出线圈Y000得电,输出端子Y0内部硬触点闭合,Y0端子与COM端子之间内部接通,接触器线圈KM得电,主电路中的KM主触点闭合,电动机得电启动。

输出线圈Y000得电后,除了会使Y000、COM端子之间的硬触点闭合外,还会使自锁触点Y000闭合,在启动触点X000断开后,依靠自锁触点闭合可使线圈Y000继续得电,电动机就会继续运转,从而实现自锁控制功能。

当按下停止按钮SB2时,PLC内部梯形图程序中的停止触点X001断开,输出线圈Y000失电, Y0、COM端子之间的内部硬触点断开,接触器线圈KM失电,主电路中的KM主触点断开,电动机失电停转。

2.采用置位复位指令实现启动、自锁和停止控制

采用置位复位指令SET、RST实现启动、自锁和停止控制的梯形图如下图所示,其PLC接线图与上图是一样的。

梯形图

当按下启动按钮SB1时,梯形图中的启动触点X000闭合,[SET Y000]指令执行,指令执行结果将输出继电器线圈Y000置1,相当于线圈Y000得电,使Y0、COM端子之间的内部硬触点接通,接触器线圈KM得电,主电路中的KM主触点闭合,电动机得电启动。

线圈Y000置位后,松开启动按钮SB1、启动触点X000断开,但线圈Y000仍保持“1”态,即仍维持得电状态,电动机就会继续运转,从而实现自锁控制功能。

当按下停止按钮SB2时,梯形图程序中的停止触点X001闭合,[RST  Y000]指令被执行,指令执行结果将输出线圈Y000复位,相当于线圈Y000失电,Y0、COM端子之间的内部硬触点断开,接触器线圈KM失电,主电路中的KM主触点断开,电动机失电停转。

采用置位复位指令与线圈驱动都可以实现启动、自锁和停止控制,两者的PLC接线都相同,仅给PLC编写输入的梯形图程序不同。

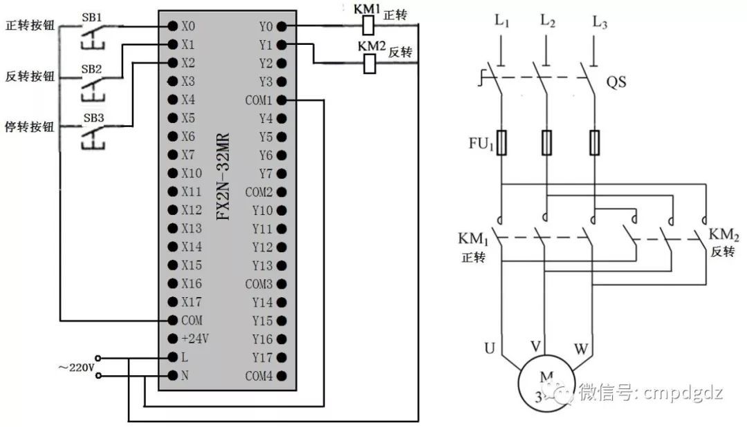
02
正、反转联锁控制
PLC线路与梯形图

PLC线路
梯形图

正转联锁控制:按下正转按钮SB1→梯形图程序中的正转触点X000闭合→线圈Y000得电→Y000自锁触点闭合,Y000联锁触点断开,Y0端子与COM端子间的内部硬触点闭合→Y000自锁触点闭合,使线圈Y000在X000触点断开后仍可得电;Y000联锁触点断开,使线圈Y001即使在X001触点闭合(误操作SB2引起)时也无法得电,实现联锁控制;Y0端子与COM端子间的内部硬触点闭合,接触器KM1线圈得电,主电路中的KM1主触点闭合,电动机得电正转。

反转联锁控制:按下反转按钮SB2→梯形图程序中的反转触点X001闭合→线圈Y001得电→Y001自锁触点闭合,Y001联锁触点断开,Y1端子与COM端子间的内部硬触点闭合→Y001自锁触点闭合,使线圈Y001在X001触点断开后继续得电;Y001联锁触点断开,使线圈Y000即使在X000触点闭合(误操作SB1引起)时也无法得电,实现联锁控制;Y1端子与COM端子间的内部硬触点闭合,接触器KM2线圈得电,主电路中的KM2主触点闭合,电动机得电反转。

停转控制:按下停止按钮SB3→梯形图程序中的两个停止触点X002均断开→线圈Y000、Y001均失电→接触器KM1、KM2线圈均失电→主电路中的KM1、KM2主触点均断开,电动机失电停转。

03
多地控制
PLC线路与梯形图
PLC接线图
单人多地控制梯形图
多人多地控制梯形图

1.单人多地控制

甲地启动控制。在甲地按下启动按钮SB1时→X000常开触点闭合→线圈Y000得电→Y000常开自锁触点闭合,Y0端子内部硬触点闭合→Y000常开自锁触点闭合锁定Y000线圈供电,Y0端子内部硬触点闭合使接触器线圈KM得电→主电路中的KM主触点闭合,电动机得电运转。

甲地停止控制。在甲地按下停止按钮SB2时→X001常闭触点断开→线圈Y000失电→Y000常开自锁触点断开,Y0端子内部硬触点断开→接触器线圈KM失电→主电路中的KM主触点断开,电动机失电停转。

乙地和丙地的启/停控制与甲地控制相同,利用梯形图可以实现在任何一地进行启/停控制,也可以在一地进行启动,在另一地控制停止。

2.多人多地控制

启动控制。在甲、乙、丙三地同时按下按钮SB1、SB3、SB5→线圈Y000得电→Y000常开自锁触点闭合,Y0端子的内部硬触点闭合→Y000线圈供电锁定,接触器线圈KM得电→主电路中的KM主触点闭合,电动机得电运转。

停止控制。在甲、乙、丙三地按下SB2、SB4、SB6中的某个停止按钮时→线圈Y000失电→Y000常开自锁触点断开,Y0端子内部硬触点断开→Y000常开自锁触点断开使Y000线圈供电切断,Y0端子的内部硬触点断开使接触器线圈KM失电→主电路中的KM主触点断开,电动机失电停转。

上图的梯形图可以实现多人在多地同时按下启动按钮才能启动功能,在任意一地都可以进行停止控制。

04
定时控制
PLC线路与梯形图
定时控制方式很多,下面介绍两种典型的定时控制的PLC线路与梯形图。

1.延时启动定时运行控制的PLC线路与梯形图

延时启动定时运行控制的PLC线路与梯形图如下图所示,它可以实现的功能是:按下启动按钮3秒钟后,电动机启动运行,运行5秒钟后自动停止。

PLC接线图
梯形图


2.多定时器组合控制的PLC线路与梯形图

下图是一种典型的多定时器组合控制的PLC线路与梯形图,它可以实现的功能是:按下启动按钮后电动机B马上运行,30秒钟后电动机A开始运行,70秒后电动机B停转,100秒后电动机A停转。

PLC接线图
梯形图


05
定时器与计数器组合延长定时控制
PLC线路与梯形图
三菱FX系列PLC的最大定时时间为3276.7秒(约54分钟),采用定时器和计数器可以延长定时时间。

PLC接线图
梯形图


中的定时器T0定时单位为0.1s100ms),它与计数器C0组合使用后,其定时时间T30000×0.1秒×3000090000000秒=25000小时。若需重新定时,可将开关QS2断开,让[2]X000常闭触点闭合,让“RST C0”指令执行,对计数器C0进行复位,然后再闭合QS2,则会重新开始250000小时定时。

06
多重输出控制
PLC线路与梯形图
PLC接线图
梯形图

1.启动控制

2.停止控制

07
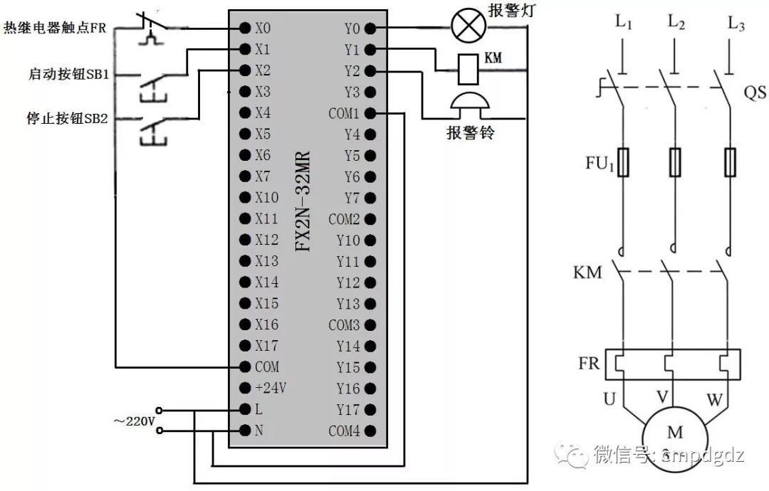
过载报警控制
PLC线路与梯形图
PLC接线图
梯形图

1.启动控制

按下启动按钮SB1→[1]X001常开触点闭合→[SET Y001]指令执行→Y001线圈被置位,即Y001线圈得电→Y1端子内部触点闭合→接触器KM线圈得电→KM主触点闭合→电动机得电运转。

2.停止控制

按下停止按钮SB2→[2]X002常开触点闭合→[RST Y001]指令执行→Y001线圈被复位,即Y001线圈失电→Y1端子内部触点断开→接触器KM线圈失电→KM主触点断开→电动机失电停转。

3.过载保护及报警控制

08
闪烁控制
PLC线路与梯形图
PLC接线图与梯形图

将开关QS闭合→X000常开触点闭合→定时器T0开始3秒钟计时→3秒钟后,定时器T0动作,T0常开触点闭合→定时器T1开始3秒钟计时,同时Y000得电,Y0端子内部硬触点闭合,灯HL点亮→3钟秒钟后,定时器T1动作,T1常闭触点断开→定时器T0复位,T0常开触点断开→Y000线圈失电,同时定时器T1复位→Y000线圈失电使灯HL熄灭;定时器T1复位使T1闭合,由于开关QS仍处于闭合,X000常开触点也处于闭合,定时器T0又重新开始3秒钟计时。

以后重复上述过程,灯HL保持3秒亮、3秒灭的频率闪烁发光。

本帖子中包含更多资源

您需要 登录 才可以下载或查看,没有账号?立即注册

×
工控课堂 www.gkket.com

0

主题

330

回帖

2085

积分

高级会员

积分
2085
发表于 2018-11-26 19:48:50 | 显示全部楼层
无回帖,不论坛,这才是人道。
工控课堂 www.gkket.com

0

主题

438

回帖

2450

积分

高级会员

积分
2450
发表于 2018-11-26 19:55:37 | 显示全部楼层
无回帖,不论坛,这才是人道。
工控课堂 www.gkket.com

0

主题

422

回帖

2642

积分

高级会员

积分
2642
发表于 2018-11-26 20:02:35 | 显示全部楼层
党的好公民,人民的好公仆。。。
工控课堂 www.gkket.com

11

主题

437

回帖

2823

积分

高级会员

积分
2823
发表于 2018-11-26 20:04:46 | 显示全部楼层
加油,加油,不要沉下去,我是最热贴
工控课堂 www.gkket.com

0

主题

422

回帖

2639

积分

高级会员

积分
2639
发表于 2018-11-26 20:06:26 | 显示全部楼层
看到这帖子真是高兴!
工控课堂 www.gkket.com

15

主题

405

回帖

2318

积分

高级会员

积分
2318
发表于 2018-11-26 20:07:06 | 显示全部楼层
大家都不容易!
工控课堂 www.gkket.com

0

主题

453

回帖

2302

积分

高级会员

积分
2302
发表于 2018-11-26 20:09:50 | 显示全部楼层
激动人心,无法言表!
工控课堂 www.gkket.com

13

主题

396

回帖

2653

积分

高级会员

积分
2653
发表于 2018-11-26 20:17:09 | 显示全部楼层
看到这帖子真是高兴!
工控课堂 www.gkket.com

0

主题

450

回帖

2328

积分

高级会员

积分
2328
发表于 2018-11-26 20:19:59 | 显示全部楼层
看了楼主的帖子,不由得精神一振,豁然开朗,牛掰
工控课堂 www.gkket.com
您需要登录后才可以回帖 登录 | 立即注册

本版积分规则

关闭

站长推荐上一条 /1 下一条

QQ|手机版|免责声明|本站介绍|工控课堂 ( 沪ICP备20008691号-1 )

GMT+8, 2025-12-22 17:02 , Processed in 0.117686 second(s), 27 queries .

Powered by Discuz! X3.5

© 2001-2025 Discuz! Team.

快速回复 返回顶部 返回列表