找回密码
 立即注册

QQ登录

只需一步,快速开始

工控课堂 首页 工控文库电工电气

电工电气

漏电开关总是跳闸怎么办?
01断路器选型太小发生这种情况,主要是由于用户在装修时更改了电路,却没有更换断路器。比如原本是五孔插座,却被用户改成了空调插座。一些开发商为了节约成本,对于五孔插座回路可能会使用C16型号的断路器。这种断 ...
2023-11-11 20:17
35个电工常犯的错误,哪些你犯过?
35个电工常犯的错误,哪些你犯过?
在现实的电工作业中,为了保障电力人员的安全,需要严格按照电工安全操纵方法来操纵,以免犯了习惯性错误,以下列举了35个常见错误供大家参考。1、忽视安全规范:没有遵循正确的安全操作规程。2、不穿戴个人防护用具 ...
2023-11-11 19:23
各种线缆的通讯距离你都知道吗?
一、网线这里就简单说下网线,网线大家都比较熟,根据不同规格的网线有不同的传输距离。网线在传输网络信号,如果超出了网线本身可以承受的距离,信号就会衰减,严重时,网络信号会中断。五类,六类都是100米 ,正规 ...
2023-11-2 21:11
电缆BV、BLV、VV、VLV、KVV分别代表什么意思?
1电线电缆中BV、BLV等符号含义这些符号都是电线的一些型号,B系列归类属于布电线,所以开头用B,电压:300/500V 电线按用途分为电磁线和通用绝缘电线。绝缘电线又称为布电线。绝缘电线(布电线)是指包覆绝缘层的电 ...
2023-9-3 20:57
三分钟学会电线承受电流估算,超好用!
今天带你用三分钟的时间,学会电源线承受电流估算,不浪费时间,直接开始吧。工作温度30℃,长期连续90%负载下的载流量1.5平方毫米――14A 2.5平方毫米――26A  4平方毫米――32A  6平方毫米――47A   16平 ...
2023-9-3 13:51
不懂三级配电、二级漏保,你施工怎么干?100张用电隐患图! ...
配电箱(柜)、开关箱应分设N线、PE线端子板,进出线必须通过端子板做可靠连接。N线端子板必须与金属电器安装板绝缘;PE线端子板必须与金属电器安装板做电气连接。进出线中的N线必须通过N线端子板连接;PE线必须通过 ...
2023-8-22 22:13
中性线重复接地的作用,很多电工都不是很懂?
当电源侧(变压器或发电机)或者负载侧为星形接线时,三相线圈的首端(或尾端)连接在一起的共同接点称为中性点,简称中点。中性点分电源中性点和负载中性点。由中性点引出的导线称为中性线,简称中线。如果中性点与 ...
2023-8-22 22:05
多年经验的老电工总结出的4种跳闸原因!
第一种原因因为重负荷超过额定负荷属于过载保护跳闸。第二种原因因为有的电器有接地现象,因漏电保护而跳闸。你可以逐渐将用电器插上或打开,当打开某一件电器的时候跳闸,就要首先检查这一件是否有漏电的嫌疑,或是 ...
2023-8-22 21:27
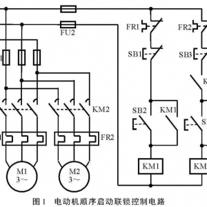
看电路图的方法和技巧讲解
看电路图的方法和技巧讲解
看电路图有窍门,但是它没有捷径可走;无论是电工学中的工业自动化控制电路图或者是电子方面的电路图,都是基本功的最后的一种诠释和再现。看电路图的前提是必须清楚认识各种电子元器件,以及它们在电路图中的符号, ...
2023-8-20 16:41
电工入门必看:电线怎么看平方数?电流怎么算?
导读几平方是国家标准规定的的一个标称值,几平方是用户根据电线电缆的负荷来选择电线电缆。电线平方数是电工中的一个口头用语,常说的几平方电线是没加单位,即平方毫米。电线的平方实际上标的是电线的横截面积,即 ...
2023-8-8 22:55
配电箱傻傻弄不清楚?超全配电箱内部结构解析大全
配电箱傻傻弄不清楚?超全配电箱内部结构解析大全
“配电箱”,也叫配电柜,是电动机控制中心的统称。配电箱是按电气接线要求将开关设备、测量仪表、保护电器和辅助设备组装在封闭或半封闭金属柜中或屏幅上,构成低压配电装置。配电箱的用途便于管理,当发生电路故障 ...
2023-8-6 23:13
配电箱接线图讲解,零基础照样学会!
配电箱接线图讲解,零基础照样学会!
配电箱和配电柜、配电盘、配电凭等,是集中安装开关、仪表等设备的成套装置。常用的配电箱有木制和铁板制两种,现在哪儿的用电量都挺大的,所以还是铁的用的比较多。至于它的用途嘛:当然是方便停、送电,起到计量和 ...
2023-8-6 23:09
复杂电气图纸看不懂?看图技巧都在这里!
复杂电气图纸看不懂?看图技巧都在这里!
电气图纸就是电气设计的核心,对于后期的成套、PLC程序、人机界面、设备安装和运行维护都是紧密相关的!面对一整套电气图纸,我们如何才能快速看懂其中的设计原理、产品选型和接线方式等。电气工程师是需要制作图纸 ...
2023-8-6 23:00
家里最大的“偷电贼”排行榜,把它关掉,电费少一半!
居家过日子,空调、冰箱、洗衣机、电磁炉......等电器几乎是家家必备,可是家里大大小小的家用电器,“吃”起电来可一点也不含糊,每月交电费的时都会大吃一惊~说到耗电的电器,大家一定会想到空调、冰箱、洗衣机, ...
2023-8-3 22:00
异步电动机直接启动的条件是什么?
异步电动机直接启动的条件是什么?
起动,是任何电机应用过程中绕不开的话题。起动转矩和起动电流,构成电机的起动参数组合,表征电机的起动性能。为了保证电机起动过程中对电机本体、电网,以及被拖动设备的安全性,总是希望电机有较大的起动转矩和较 ...
2023-8-1 23:17
热门文章
关闭

站长推荐上一条 /1 下一条

QQ|手机版|免责声明|本站介绍|工控课堂 ( 沪ICP备20008691号-1 )

GMT+8, 2025-12-21 17:46 , Processed in 0.130740 second(s), 14 queries .

Powered by Discuz! X3.5

© 2001-2025 Discuz! Team.

返回顶部