工控课堂

 找回密码
 立即注册

QQ登录

只需一步,快速开始

扫一扫,访问微社区

工控课堂 首页 工控文库 PLC 查看内容

三个PLC典型应用工程实例,学会了一通百通!

2019-2-2 20:00| 发布者: gk-auto| 查看: 49| 评论: 24|原作者: gk-auto

摘要: 一、控制输出程序 1.等效控制输出 输出仅取决于控制输入现状态。 2.长效控制输出 控制输出不完全取决于输入的现状态,还与输入的历史有关。输入对输出有长效作用。 3.短效控制输出 它的控制输出也不完全取决于输入 ...
一、控制输出程序

1.等效控制输出

输出仅取决于控制输入现状态。


2.长效控制输出

控制输出不完全取决于输入的现状态,还与输入的历史有关。输入对输出有长效作用。

3.短效控制输出

它的控制输出也不完全取决于输入的现状态。其输入对输出仅有短暂的作用,故称短效输出。



二、单按钮起停程序

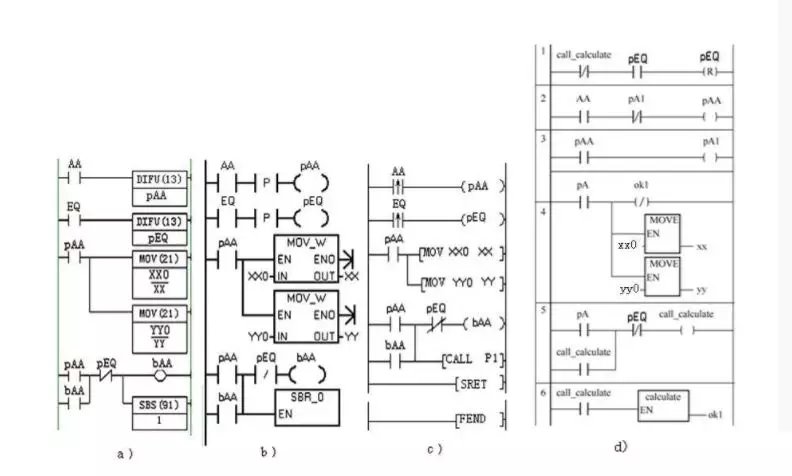
1.单按钮即时起、停程序
a)OMRON PLC; b)三菱PLC;
c、d)西门子PLC;
e)和利时PLC; f)AB PLC

下图所示程序也具有同样的功能。只是这里用的是触点先并后串。脉冲信号用微分指令生成。
<第1例>
<第2例>
<第3例>
<第3例续>

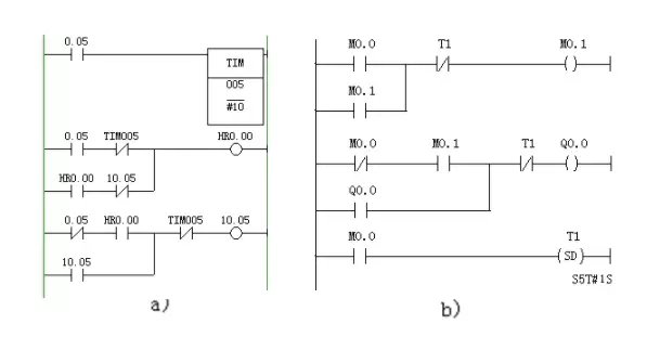
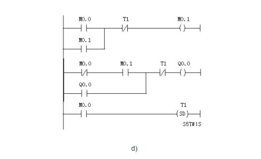
2.单按钮短按起、长按(超过1s)停程序

上述单按钮起、保、停梯形图程序,是起、是停,容易“糊涂”。其实,完全可使用按钮按下不同的时间,去区分是起还是停。


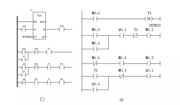
3.单按钮长按(超过1s)起、短按停程序
a – OMRON PLC程序;b – 三菱work2 软件PLC 程序

c – 施耐德Unity Pro XL软件PLC程序;d – 西门子ST7软件PLC 程序

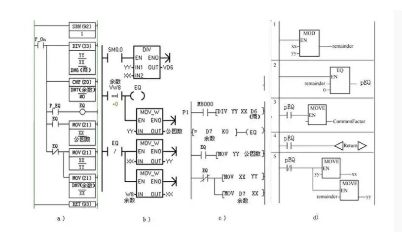
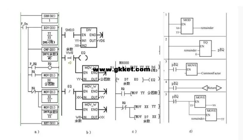
三、求公因数程序

求公因数欧几里得的这个算法,如用表达式表达,则是:

a)OMRON PLC; b)西门子PLC; c)三菱PLC;d)和利时PLC

求两个整数的公因数子程序

子程序,用以实现上述花括弧内的算法。


a)OMRON PLC; b)西门子PLC; c)三菱PLC; d)和利时PLC

求两个整数的公因数主程序

主程序,用以实现上述花括弧外的算法。

结语

弄清以上问题不是本文的重点哦~从中能对PLC程序有较具体的认识,那就很棒了。为编程做准备,根据问题再去学习相关算法,在算法实例化中进一步熟悉基础知识。如此反复循环,不断提高,将使你的编程进入新的境界!


0b4d9c80e40749cfa72ee71f97f032c6.jpeg

路过

雷人

握手

鲜花

鸡蛋

相关阅读

发表评论

最新评论

wyj851124 2019-2-2 19:59
淡定,淡定,淡定……
zzk 2019-2-2 20:01
太生气了,无法HOLD啦 >_<......
feiyang 2019-2-2 20:01
绝对干货,楼主给力,支持了!!!
270429343 2019-2-2 20:48
楼主加油,我们都看好你哦。
上善若水 2019-2-2 20:54
无回帖,不论坛,这才是人道。
夜殇 2019-2-2 20:54
在遇到你之前我对人世间是否有技术大佬保有怀疑,现在我是彻底被你征服了
lacopo 2019-2-2 21:00
真是难得给力的帖子啊。
zx9330 2019-2-2 21:04
看了楼主的帖子,不由得精神一振,豁然开朗,牛掰
cb433 2019-2-2 21:05
无私奉献,好工控人,32个赞送给你!!
Zzzh 2019-2-2 21:05
淡定,淡定,淡定……
vov_B8c4M 2019-2-2 21:18
太生气了,无法HOLD啦 >_<......
cjs1971 2019-2-2 21:22
在遇到你之前我对人世间是否有技术大佬保有怀疑,现在我是彻底被你征服了
kong 2019-2-2 21:32
大家都不容易!
zhang234241 2019-2-2 21:53
好东西一定要看看!
探索.足迹 2019-2-2 21:57
我顶,我顶,我顶顶顶
Schoolwork 2019-2-2 22:08
看到这帖子真是高兴!
陈波 2019-2-2 22:09
淡定,淡定,淡定……
生命有明天 2019-2-2 22:17
激动人心,无法言表!
lwj725 2019-2-2 22:21
老师四个微信公众号都可以关注吗?是否有免费资料下载!

查看全部评论(24)

QQ|免责声明|本站介绍|工控课堂 ( 沪ICP备14007696号-3 )|网站地图

GMT+8, 2019-3-21 23:26 , Processed in 0.035946 second(s), 30 queries .

Powered by Discuz! X3.4

© 2001-2017 Comsenz Inc.

返回顶部