工控课堂

 找回密码
 立即注册

QQ登录

只需一步,快速开始

扫一扫,访问微社区

工控课堂 首页 工控文库 PLC 查看内容

PLC与常用设备的连接形式与接线方法,图文并茂

2019-2-17 18:21| 发布者: gk-auto| 查看: 51| 评论: 22|原作者: gk-auto

摘要: PLC与常用设备的连接PLC常见的输入设备有按钮、行程开关、接近开关、转换开关、拨码器、各种传感器等,输出设备有继电器、接触器、电磁阀等。正确地连接输入和输出电路,是保证PLC安全可靠工作的前提。1. PLC与主令 ...
PLC与常用设备的连接
PLC常见的输入设备有按钮、行程开关、接近开关、转换开关、拨码器、各种传感器等,输出设备有继电器、接触器、电磁阀等。正确地连接输入和输出电路,是保证PLC安全可靠工作的前提。
1.   PLC与主令电器类设备的连接PLC与常用设备的连接 
PLC常见的输入设备有按钮、行程开关、接近开关、转换开关、拨码器、各种传感器等,输出设备有继电器、接触器、电磁阀等。正确地连接输入和输出电路,是保证PLC安全可靠工作的前提。
1.   PLC与主令电器类设备的连接
如图6-4所示是与按钮、行程开关、转换开关等主令电器类输入设备的接线示意图。图中的PLC为直流汇点式输入,即所有输入点共用一个公共端COM,同时COM端内带有DC24V电源。若是分组式输入,也可参照图6-4的方法进行分组连接

2. 旋转编码器是一种光电式旋转测量装置,它将被测的角位移直接转换成数字信号(高速脉冲信号)。因些可将旋转编码器的输出脉冲信号直接输入给PLC,利用PLC的高速计数器对其脉冲信号进行计数,以获得测量结果。不同型号的旋转编码器,其输出脉冲的相数也不同,有的旋转编码器输出A、B、Z三相脉冲,有的只有A、B相两相,最简单的只有A相。

如图6-7所示是输出两相脉冲的旋转编码器与FX系列PLC的连接示意图。编码器有4条引线,其中2条是脉冲输出线,1条是COM端线,1条是电源线。编码器的电源可以是外接电源,也可直接使用PLC的DC24V电源。电源“-”端要与编码器的COM端连接,“+ ”与编码器的电源端连接。编码器的COM端与PLC输入COM端连接,A、B两相脉冲输出线直接与PLC的输入端连接,连接时要注意PLC输入的响应时间。有的旋转编码器还有一条屏蔽线,使用时要将屏蔽线接地。
3. 传感器的种类很多,其输出方式也各不相同。当采用接近开关、光电开关等两线式传感器时,由于传感器的漏电流较大,可能出现错误的输入信号而导致PLC的误动作,此时可在PLC输入端并联旁路电阻R,如图6-8所示。当漏电流不足lmA时可以不考虑其影响。

式中:I为传感器的漏电流(mA),UOFF为PLC输入电压低电平的上限值(V),RC为PLC的输入阻抗(KΩ),RC的值根据输入点不同有差异。
  4. 如果PLC控制系统中的某些数据需要经常修改,可使用多位拨码开关与PLC连接,在PLC外部进行数据设定。如图6-5所示为一位拨码开关的示意图,一位拨码开关能输入一位十进制数的0~9,或一位十六进制数的0~F。

图6-5 一位拨码开关的示意图

如图6-6所示4位拨码开关组装在一起,把各位拨码开关的COM端连在一起,接在PLC输入侧的COM端子上。每位拨码开关的4条数据线按一定顺序接在PLC的4个输入点上。由图可见,使用拨码开关要占用许多PLC 输入点,所以不是十分必要的场合,一般不要采用这种方法。
5. PLC与输出设备连接时,不同组(不同公共端)的输出点,其对应输出设备(负载)的电压类型、等级可以不同,但同组(相同公共端)的输出点,其电压类型和等级应该相同。要根据输出设备电压的类型和等级来决定是否分组连接。如图6-9所示以FX2N为例说明PLC与输出设备的连接方法。图中接法是输出设备具有相同电源的情况,所以各组的公共端连在一起,否则要分组连接。图中只画出Y0-Y7输出点与输出设备的连接,其它输出点的连接方法相似。

6. PLC的输出端经常连接的是感性输出设备(感性负载),为了抑制感性电路断开时产生的电压使PLC内部输出元件造成损坏。因此当PLC与感性输出设备连接时,如果是直流感性负载,应在其两端并联续流二极管;如果是交流感性负载,应在其两端并联阻容吸收电路。如图6-10所示。
图中,续流二极管可选用额定电流为1A、额定电压大于电源电压的3倍;电阻值可取50~120Ω,电容值可取0.1~0.47μF,电容的额定电压应大于电源的峰值电压。接线时要注意续流二极管的极性。
7. PLC可直接用开关量输出与七段LED显示器的连接,但如果PLC控制的是多位LED七段显示器,所需的输出点是很多的。
如图6-11所示电路中,采用具有锁存、译码、驱动功能的芯片CD4513驱动共阴极LED七段显示器,两只CD4513的数据输入端A~D共用PLC的4个输出瑞,其中A为最低位,D为最高位。LE是锁存使能输入端,在LE信号的上升沿将数据输入端输入的BCD数锁存在片内的寄存器中,并将该数译码后显示出来。如果输入的不是十进制数,显示器熄灭。LE为高电平时,显示的数不受数据输入信号的影响。显然,N个显示器占用的输出点数为P=4+N。
如果PLC使用继电器输出模块,应在与CD4513相连的PLC各输出端接一下拉电阻,以避免在输出继电器的触点断开时CD4513的输入端悬空。PLC输出继电器的状态变化时,其触点可能抖动,因此应先送数据输出信号,待该信号稳定后,再用LE信号的上升沿将数据锁存进CD4513。
PLC输入外部电路的形式
PLC输入外部电路的外部节点形式共分为以下三种:
1、无源节点输入,即:开关节点输入。
2、NPN和PNP节点输入
3、二极管输入
下面,就这三种节点输入的形式及接线方式简单说明一下。
1、无源节点输入(开关量输入)
此种节点形式是PLC输入用的最多的一种形式。使用此种形式时,只要注意PLC的输入公共端是共阳极还是共阴极就行了。如为共阳极,则通过开关节点引入的应该是负极,如为共阴极,则经过开关节点引入的应该是正极。如下图所示(括号内为共阳极时):
2、NPN和PNP节点输入
一些传感器或接近开关的输出节点是NPN或PNP节点形式。这时,做为PLC的输入是选NPN还是PNP节点,一方面要看要看PLC的接线形式而定,另外还要看传感器或接近开关的接线形式。下面举例来说明:
如下图所示,传感器的输出是NPN形式的。从图中负载接线可知,传感器动作时,输出0V(黑线④处)。这就要求,PLC的公共端(COM)是正极。因此,对于此线路,当PLC的公共端接(CON)正极时,PLC的输入就只能用NPN形式。
下图正好相反,当传感器动作时,其输出为正极(黑线④处)。此时,就要求PLC的公共端(COM)接负极。因此,对于此线路,当PLC的公共端接负极时,PLC的输入就只能用PNP的形式。
PLC的输入节点到底是采用PNP还是NPN的形式,其实大不可必死记。只要明白PLC输入内部的电路原理就行了,即:采用PNP还是NPN节点,都必须保证PLC输入电路内部的光电耦合部分的发光二极管得电。
以上两例是以西门子PLC为例,西门子PLC输入内部线路的光电耦合的公共端可以是共阴极或共阳极,因此,在考虑使用NPN或PNP输入时,可以改变公共端(COM)的正极或负极来分别使用;而对于三菱FX系列的PLC,因光电耦合的公共端是固定采用共阳极的,因此公共端只能接正极,输入也就只能使用NPN节点输入方式了。
3、串二极管输入
有时,需要在PLC的输入节点中串入一个发光二极管来为指示。如下图所示:
此时,一般PLC都会规定串入二极管的允许电压降及允许串入的二极管的个数。比如,上图所示的FX系列的PLC规定,发光二极管允许电压降为4V,最多允许中时串入2个。
PNP与NPN型传感器其实就是利用三极管的饱和和截止,输出两种状态,属于开关型传感器。但输出信号是截然相反的,即高电平和低电平。PNP输出是低电平0,NPN输出的是高电平1。
PNP与NPN型传感器(开关型)分为六类:
    1、NPN-NO(常开型)
    2、NPN-NC(常闭型)
    3、NPN-NC+NO(常开、常闭共有型)
    4、PNP-NO(常开型)
    5、PNP-NC(常闭型)
    6、PNP-NC+NO(常开、常闭共有型)
PNP与NPN型传感器一般有三条引出线,即电源线VCC、0V线,OUT信号输出线。
1、NPN类
    NPN是指当有信号触发时,信号输出线OUT和电源线VCC连接,相当于输出高电平的电源线。
    对于NPN-NO型,在没有信号触发时,输出线是悬空的,就是VCC电源线和out线断开。有信号触发时,发出与VCC电源线相同的电压,也就是out线和电源线VCC连接,输出高电平VCC。
    对于NPN-NC型,在没有信号触发时,发出与VCC电源线相同的电压,也就是out线和电源线VCC连接,输出高电平VCC。当有信号触发后,输出线是悬空的,就是VCC电源线和out线断开。
    对于NPN-NC+NO型,其实就是多出一个输出线OUT,根据需要取舍。
2、PNP类
    PNP是指当有信号触发时,信号输出线OUT和0V线连接,相当于输出低电平0V。
    对于PNP-NO型,在没有信号触发时,输出线是悬空的,就是0V线和OUT线断开。有信号触发时,发出与0V相同的电压,也就是OUT线和0V线连接,输出输出低电平0V。
    对于PNP-NC型,在没有信号触发时,发出与0V线相同的电压,也就是OUT线和0V线连接,输出低电平0V。当有信号触发后,输出线是悬空的,就是0V线和OUT线断开。
    对于PNP-NC+NO型,和NPN-NC+NO型类似,多出一个输出线OUT,及两条信号反相的输出线,根据需要取舍。
我们一般常用的是NPN型,即高电平有效状态。PNP很少使用。
NPN还是PNP的输出信号是高电平还是低电平,也没必须硬记NPN是接共阳极的PLC还是共阴极的PLC.我们知道,PLC的输入是发光二极管隔离,PLC共阳极,就是把所有发光二极管的阳极接在一起,此时,要想PLC有输入(即让发光二极管亮),PLC的输入端(即发光二极的阴极)必须是一个低电平才对.PLC共阴极时也一样.大家千万不要死记硬背一些所谓的法则.要根据具体情况具体分。
不同形式的直流输入信号如何与PLC连接
在可编程程序控制器控制系统中遇到的的直流有源输入信号,一般都是5V、12V、24V、48V等。而目前的PLC输入模块输入点的响应电压范围是3~120V之间,因此,这类信号不必做转换处理,直接和PLC输入模块输入点连接,但和其他无源开关量信号以及其他来源得直流电压信号混合接入PLC输入点时一定注意电压的0V点一定要连接。
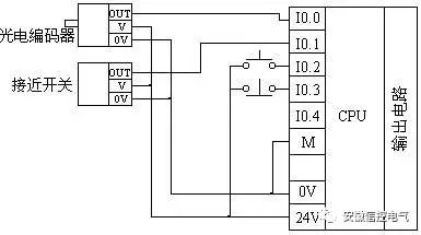
如图1所示,输入点I0.0、I0.1连接光电编码器、接近开关的输出信号(OUT),它们的驱动电源由PLC自身的24V提供,它们OUT端子输出信号是有源信号,在和另外两个无源开关量信号I0.2、I0.3混合连接,PLC的M端子与PLC的0V端子以及光电编码器、接近开关的0V信号连接在一起,PLC的输入点的响应电压电位差都是以一个共同参考点为基点。
图1
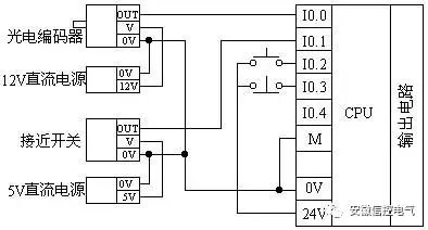
在图1中,光电编码器和接近开关的直流供电是由PLC自身24V电源提供,这是可编程序控制器控制系统中经常的设计方法,这种方法使系统简单,成本低。但在有些情况,比如PLC的直流电源的容量无法支持过多的负载或者外部检测设备的电源不能使用24V电源,而必须5V、12V等。在这种情况下,就必须设计外部电源为这些设备提供电源,而且这些设备输出的信号电压不同,如图2所示。
图2
在图2中,光电编码器的电源是12V,为它设计配备了12V的直流电源,接近开关的电源是5V,为它设计配备了5V的直流电源。它们OUT的输出信号分别是12V和5V的脉冲信号。而且在图中有两个无源开关量的输入信号。
不同电压的直流信号可以PLC输入模块输入点连接,但必须注意的是信号电位差的参考点必须共同。在图2中,光电编码器、接近开关、无源开关量的0V信号必须连接在一起,否则,会出现PLC输入点的响应电压混乱,造成有的输入点的电压过高,尽管可以触发输入点,但有可能过高得电压而烧毁输入点。而有的输入点的电压过低,而无法触发输入点。这在可编程序控制器控制系统中是特别注意的。


t018fbb5e762a36fb52.jpg

路过

雷人

握手

鲜花

鸡蛋

相关阅读

发表评论

最新评论

M654321 2019-2-17 18:20
看到这帖子真是高兴!
探索.足迹 2019-2-17 18:22
太生气了,无法HOLD啦 >_<......
上善若水 2019-2-17 18:24
加油,加油,不要沉下去,我是最热贴
LTY051 2019-2-17 18:31
绝对干货,楼主给力,支持了!!!
大鹏 2019-2-17 18:42
楼主加油,我们都看好你哦。
林林林 2019-2-17 18:55
看了楼主的帖子,不由得精神一振,豁然开朗,牛掰
z1293930859 2019-2-17 18:56
看到这帖子真是高兴!
zhang5335 2019-2-17 18:57
无私奉献,好工控人,32个赞送给你!!
阳光11076 2019-2-17 19:04
无私奉献,好工控人,32个赞送给你!!
mgyid 2019-2-17 19:13
楼主您的技术水准,我最服你,其他都是浮云
AnikaHatst 2019-2-17 19:13
老师四个微信公众号都可以关注吗?是否有免费资料下载!
gongkong8 2019-2-17 19:17
激动人心,无法言表!
上善若水 2019-2-17 19:20
楼主加油,我们都看好你哦。
sparta斯巴达 2019-2-17 19:29
真是被感动的痛哭流涕……
Mark 2019-2-17 19:32
太生气了,无法HOLD啦 >_<......
feng_canyue 2019-2-17 19:33
看了楼主的帖子,不由得精神一振,豁然开朗,牛掰
M654321 2019-2-17 19:33
无回帖,不论坛,这才是人道。
全显锋 2019-2-17 19:35
在遇到你之前我对人世间是否有技术大佬保有怀疑,现在我是彻底被你征服了
生命有明天 2019-2-17 19:42
淡定,淡定,淡定……

查看全部评论(22)

QQ|免责声明|本站介绍|工控课堂 ( 沪ICP备14007696号-3 )|网站地图

GMT+8, 2019-3-21 23:25 , Processed in 0.038872 second(s), 30 queries .

Powered by Discuz! X3.4

© 2001-2017 Comsenz Inc.

返回顶部