工控课堂

 找回密码
 立即注册

QQ登录

只需一步,快速开始

扫一扫,访问微社区

工控课堂 首页 工控文库 PLC 查看内容

PLC模拟量信号干扰分析及11种解决方法!

2019-3-4 23:29| 发布者: 198366809| 查看: 30| 评论: 9|原作者: 198366809

摘要: 1、概述 随着科学技术的发展,PLC在工业控制中的应用越来越广泛。PLC控制系统的可靠性直接影响到工业企业的安全生产和经济运行,系统的抗干扰能力是关系到整个系统可靠运行的关键。自动化系统中所使用的各种类型PLC ...
1、概述

随着科学技术的发展,PLC在工业控制中的应用越来越广泛。PLC控制系统的可靠性直接影响到工业企业的安全生产和经济运行,系统的抗干扰能力是关系到整个系统可靠运行的关键。自动化系统中所使用的各种类型PLC,有的是集中安装在控制室,有的是安装在生产现场和各种电机设备上,它们大多处在强电电路和强电设备所形成的恶劣电磁环境中。要提高PLC控制系统可靠性,设计人员只有预先了解各种干扰才能有效保证系统可靠运行。

2、电磁干扰源及对系统的干扰

影响PLC控制系统的干扰源于一般影响工业控制设备的干扰源一样,大都产生在电流或电压剧烈变化的部位,这些电荷剧烈移动的部位就是噪声源,即干扰源。
干扰类型通常按干扰产生的原因、噪声的干扰模式和噪声的波形性质的不同划分。其中:按噪声产生的原因不同,分为放电噪声、浪涌噪声、高频振荡噪声等;按噪声的波形、性质不同,分为持续噪声、偶发噪声等;按声音干扰模式不同,分为共模干扰和差模干扰。共模干扰和差模干扰是一种比较常用的分类方法。共模干扰是信号对地面的电位差,主要由电网串入、地电位差及空间电磁辐射在信号线上感应的共态(同方向)电压送加所形成。共模电压有时较大,特别是采用隔离性能差的电器供电室,变送器输出信号的共模电压普遍较高,有的可高达130V 以上。共模电压通过不对称电路可转换成差模电压,直接影响测控信号,造成元器件损坏(这就是一些系统I/O 模件损坏率较高的原因),这种共模干扰可为直流、亦可为交流。差模干扰是指用于信号两极间得干扰电压,主要由空间电磁场在信号间耦合感应及由不平衡电路转换共模干扰所形成的电压,这种让直接叠加在信号上,直接影响测量与控制精度。

3、PLC 控制系统中电磁干扰的主要来源有哪些呢?

(1) 来自空间的辐射干扰:

空间的辐射电磁场(EMI)主要是由电力网络、电气设备的暂态过程、雷电、无线电广播、电视、雷达、高频感应加热设备等产生的,通常称为辐射干扰,其分布极为复杂。若PLC 系统置于所射频场内,就回收到辐射干扰,其影响主要通过两条路径;一是直接对PLC 内部的辐射,由电路感应产生干扰;而是对PLC 通信内网络的辐射,由通信线路的感应引入干扰。辐射干扰与现场设备布置及设备所产生的电磁场大小,特别是频率有关,一般通过设置屏蔽电缆和PLC 局部屏蔽及高压泄放元件进行保护。


(2) 来自系统外引线的干扰:

主要通过电源和信号线引入,通常称为传导干扰。这种干扰在我国工业现场较严重。

(3)来自电源的干扰:

实践证明,因电源引入的干扰造成PLC 控制系统故障的情况很多,笔者在某工程调试中遇到过,后更换隔离性能更高的PLC 电源,问题才得到解决。

PLC 系统的正常供电电源均由电网供电。由于电网覆盖范围广,将受到所有空间电磁干扰而在线路上感应电压和电路。尤其是电网内部的变化,开关操作浪涌、大型电力设备起停、交直流转动装置引起的谐波、电网短路暂态冲击等,都通过输电线路到电源边。PLC 电源通常采用隔离电源,但其机构及制造工艺因素使其隔离性并不理想。实际上,由于分布参数特别是分布电容的存在,绝对隔离是不可能的。


(4) 来自信号线引入的干扰:

与PLC 控制系统连接的各类信号传输线,除了传输有效的各类信号之外,总会有外部干扰信号侵入。此干扰主要有两种途径:一是通过变送器或共用信号仪表的供电电源串入的电网干扰,这往往被忽略;二是信号线受空间电磁辐射感应的干扰,即信号线上的外部感应干扰,这是很严重的。由信号引入干扰会引起I/O信号工作异常和测量精度大大降低,严重时将引起元器件损伤。对于隔离性能差的系统,还将导致信号间互相干扰,引起共地系统总线回流,造成逻辑数据变化、误动和死机。PLC 控制系统因信号引入干扰造成I/O模件损坏数相当严重,由此引起系统故障的情况也很多。


(5)来自接地系统混乱时的干扰:

接地是提高电子设备电磁兼容性(EMC)的有效手段之一。正确的接地,既能抑制电磁干扰的影响,又能抑制设备向外发出干扰;而错误的接地,反而会引入严重的干扰信号,使PLC 系统将无法正常工作。PLC 控制系统的地线包括系统地、屏蔽地、交流地和保护地等。接地系统混乱对 PLC 系统的干扰主要是各个接地点电位分布不均,不同接地点间存在地电位差,引起地环路电流,影响系统正常工作。例如电缆屏蔽层必须一点接地,如果电缆屏蔽层两端A、B都接地,就存在地电位差,有电流流过屏蔽层,当发生异常状态加雷击时,地线电流将更大。
此外,屏蔽层、接地线和大地有可能构成闭合环路,在变化磁场的作用下,屏蔽层内有会出现感应电流,通过屏蔽层与芯线之间的耦合,干扰信号回路。若系统地与其它接地处理混乱,所产生的地环流可能在地线上产生不等电位分布,影响PLC 内逻辑电路和模拟电路的正常工作。PLC 工作的逻辑电压干扰容限较低,逻辑地电位的分布干扰容易影响PLC 的逻辑运算和数据存储,造成数据混乱、程序跑飞或死机。模拟地电位的分布将导致测量精度下降,引起对信号测控的严重失真和误动作。


(6)来自PLC系统内部的干扰:

主要由系统内部元器件及电路间的相互电磁辐射产生,如逻辑电路互辐射及其对模拟电路的影响,模拟地与逻辑地的相互影响及元器件间的相互不匹配使用等。这都属于PLC 制造厂对系统内部进行电磁兼容设计的内容,比较复杂,作为应用部门是无法改变,可不必过多考虑,但要选择具有较多应用实绩或经过考验的系统。


4、系统受干扰时,常会遇到以下几种主要干扰现象:

(1)系统发指令时,电机无规则地转动;

(2)信号等于零时,数字显示表数值乱跳;

(3)传感器工作时,PLC采集过来的信号与实际参数所对应的信号值不吻合,且误差值是随机的、无规律的;

(4)与交流伺服系统共用同一电源(如显示器等)工作不正常。


5、怎样才能更好、更简单解决PLC系统干扰?

(1)理想状态下是选用隔离性能较好的设备、选用优良的电源、动力线和信号线走线、电源接地要更加合理等等,但是需要不同设备厂商共同协作才能完成,很难做到,而且成本较高。

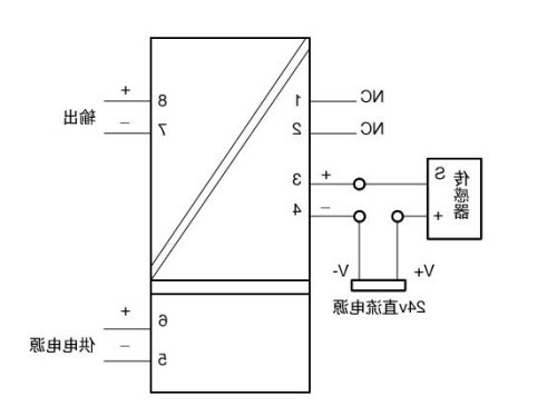
(2)利用模拟信号隔离器,有称作信号变送器、属于信号调理的范畴。其主要起抗干扰作用。正因为它有特强的抗干扰能力所以在自动化控制系统中应用非常广泛。尤其对于复杂的工业现场,控制程序越来越复杂,信号隔离器对各种模拟量信号进行输入、输出、电源三端隔离,的确是当今自动化控制系统中抗干扰的有效措施之一。


6、为什么解决PLC系统干扰首选信号隔离器呢?
(1)使用简单方便、可靠,成本低廉,可同时解决多种干扰。

(2)可大量减轻设计人员、系统调试人员工作量,即使复杂的系统在普通的设计人员手里,也会变的非常稳定可靠。


7、信号隔离器工作原理是什么?
首先将PLC接收的信号,通过半导体器件调制变换,然后通过光感或磁感器件进行隔离转换,然后再进行解调变换回隔离前原信号或不同信号,同时对隔离后信号的供电电源进行隔离处理。保证变换后的信号、电源、地之间绝对独立。


8、现在市场有那么多品牌的隔离器,价格参差不齐,该怎么选择呢?
隔离器位于二个系统通道之间,所以选择隔离器首先要确定输入输出功能,同时要使隔离器输入输出模式(电压型、电流型、环路供电型等)适应前后端通道接口模式。此外尚有精度﹑功耗﹑噪音﹑绝缘强度﹑总线通讯功能等许多重要参数涉及产品性能,例如:噪音与精度有关、功耗热量与可靠性有关,这些需要使用者慎选。总之,适用、可靠、产品性价比是选择隔离器的主要原则。

如果你对以上的分享还不太清楚,那接下来给大家敲黑板划重点(11种模拟量干扰解决办法):

1、加1:1信号隔离器;

2、加磁环;

3、PLC供电加隔离变压器;

4、开关量信号和模拟量信号分开走;

5、模拟信号最好采用单独屏蔽线。信号类型最好采用4-20mA;

6、模拟信号负载是电磁阀类的,最好能选1.5的线;

7、模拟信号和数字信号不能合用同一根多芯电缆,更不能和电源线共用电缆;

8、PLC输入输出信号线,必须使用屏蔽电缆,在输入输出侧悬空,而在PLC侧接地;

9、信号线缆要远离强干扰源,如变频器、大功率硅整流装置和大型动力设备;

10、模拟信号和数字信号不能合用同一根多芯电缆,更不能和电源线共用电缆;

11、为了减少电子干扰对于模拟信号应使用双绞屏蔽电缆模拟信号电缆的屏蔽层应该两端接地,但是如果电缆两端存在电位差将会在屏蔽层中产生等电线连接电流造成对模拟信号的干扰在这种情况下你应该让电缆的屏蔽层一端接地。


u=883964191,2096208870&fm=26&gp=0.jpg

路过

雷人

握手

鲜花

鸡蛋

相关阅读

发表评论

最新评论

平异 2019-3-4 23:33
我顶,我顶,我顶顶顶
yzhlql 2019-3-4 23:46
看到这帖子真是高兴!
jinkui5518 2019-3-5 00:12
论坛有你更精彩!
侠客无踪 2019-3-5 00:15
太生气了,无法HOLD啦 >_<......
dyysn123 2019-3-5 01:15
激动人心,无法言表!
阳光新天地 2019-3-5 01:15
绝对干货,楼主给力,支持了!!!
老陈生 2019-3-6 11:09
无回帖,不论坛,这才是人道。
朱燕杰 2019-3-9 11:44
强烈支持楼主ing……
不许欺负人 2019-3-18 03:18
{forum}这个类目最活跃了!赞一个!

查看全部评论(9)

QQ|免责声明|本站介绍|工控课堂 ( 沪ICP备14007696号-3 )|网站地图

GMT+8, 2019-3-21 23:25 , Processed in 0.034237 second(s), 30 queries .

Powered by Discuz! X3.4

© 2001-2017 Comsenz Inc.

返回顶部