工控课堂

 找回密码
 立即注册

QQ登录

只需一步,快速开始

扫一扫,访问微社区

工控课堂 首页 工控文库 PLC 查看内容

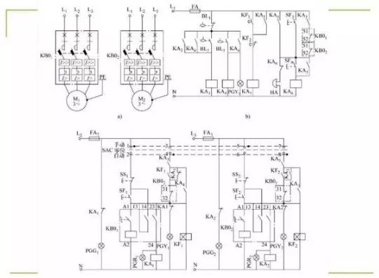
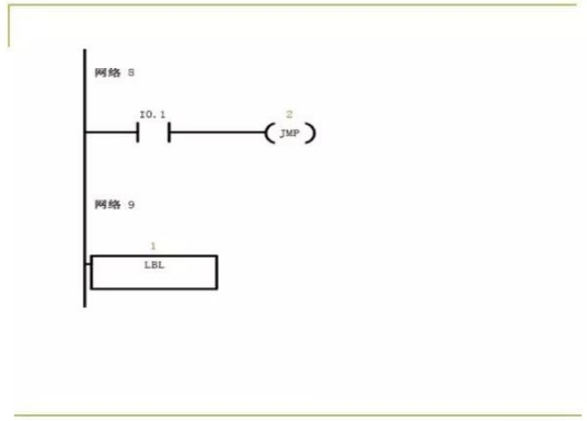
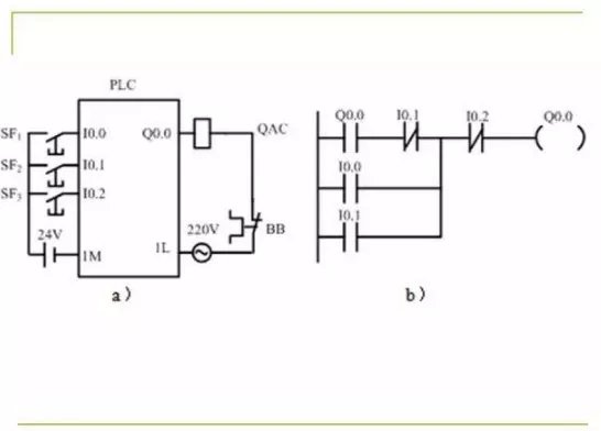
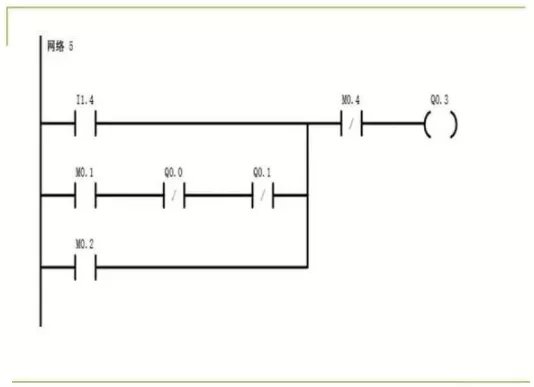
一份PPT搞懂PLC程序设计,适合小白

2019-6-1 22:04| 发布者: gkket| 查看: 1| 评论: 0|原作者: gkket

















路过

雷人

握手

鲜花

鸡蛋

相关阅读

最新评论

热门文章

QQ|免责声明|本站介绍|工控课堂 ( 沪ICP备14007696号-3 )|网站地图

GMT+8, 2019-6-1 22:04 , Processed in 0.050492 second(s), 33 queries .

Powered by Discuz! X3.4

© 2001-2017 Comsenz Inc.

返回顶部