工控课堂

 找回密码
 立即注册

QQ登录

只需一步,快速开始

扫一扫,访问微社区

工控课堂 首页 工控文库 PLC学习 查看内容

如何判断PLC使用接近开关是PNP还是NPN?

2019-10-27 19:46| 发布者: gk-auto| 查看: 1| 评论: 1|原作者: gk-auto

摘要: 用PNP还是NPN型接近开关,前提是理清PLC数字量输入电路形式。PLC数字量输入电路可分直流输入电路和交流输入电路,而题目说的这种问题主要是在PLC数字量输入电路的直流输入电路中。 PLC的数字量输入电路的直流输入电 ...
用PNP还是NPN型接近开关,前提是理清PLC数字量输入电路形式。PLC数字量输入电路可分直流输入电路和交流输入电路,而题目说的这种问题主要是在PLC数字量输入电路的直流输入电路中。
PLC的数字量输入电路的直流输入电路,又可分漏型输入电路、源型输入电路、混合型输入电路。常见的PLC有日式的三菱、欧式的西门子,它们关于漏型和源型的划分是相反的。
例如日式的三菱PLC,漏型-共阳极输入电路、源型-共阴极输入电路、混合型-共阳/共阴极输入电路,而欧式的西门子PLC,漏型-共阴极输入电路、源型-共阳极输入电路、混合型-共阴/共阳极输入电路。
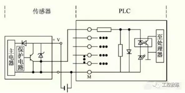
接近开关与PLC数字量输入模块的连接(日式三菱PLC为例)
PNP型接近开关与PLC数字量输入模块的连接
PNP型接近开关的集电极开路,输出为+V高电平,输出端和PLC输入端连接时,电流是从PLC输入端流入,公共端流出,因此PLC数字量输入模块为源型-共阴极输入电路。
NPN型接近开关
与PLC数字量输入模块的连接
NPN型接近开关的NPN集电极开路0V低电平,输出端和PLC输入端连接时,电流是从PLC的公共端流入,输入端流出。因此PLC数字量输入模块为漏型-共阳极输入电路。
虽然PLC数字量输入模块的内部电路和外接接近开关信号存在多样化,但是在功能和应用上是相似的。

因此,只要PLC数字量输入模块内部电路的类型,以及外接接近开关的输出信号形式,就能后正确的把接近开关和PLC数字量输入模块连接好。


v2-25a22788c85f617d5ec349551da499d9_hd.webp.jpg

路过

雷人

握手

鲜花

鸡蛋

相关阅读

发表评论

最新评论

zgl1220128869 2019-10-27 19:46
激动人心,无法言表!

查看全部评论(1)

热门文章

QQ|免责声明|本站介绍|工控课堂 ( 沪ICP备14007696号-3 )|网站地图

GMT+8, 2019-10-27 19:46 , Processed in 0.044280 second(s), 43 queries .

Powered by Discuz! X3.4

© 2001-2017 Comsenz Inc.

返回顶部