找回密码
 立即注册

QQ登录

只需一步,快速开始

查看: 4660|回复: 12

34种自动控制原理图精华版,老电工看了都说太全面了

 火.. [复制链接]
  • 打卡等级:即来则安
  • 打卡总天数:28
  • 打卡月天数:7
  • 打卡总奖励:7961
  • 最近打卡:2025-12-22 17:16:30

3317

主题

285

回帖

2万

积分

管理员

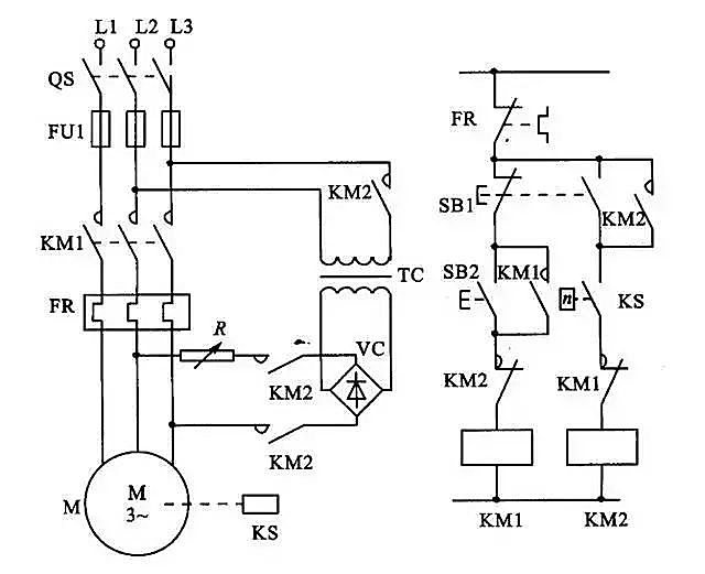
积分
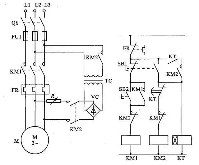
24106
发表于 2019-11-26 19:28:12 | 显示全部楼层 |阅读模式
今天小编为大家整理了一些各类电气控制接线图、电子元件工作原理图,还有可控硅整流电路及负反馈调速装置原理等等,希望对大家的工作有所帮助,一起来了解一下吧。
1
可控硅调速电路
2
电磁调速电机控制图
3
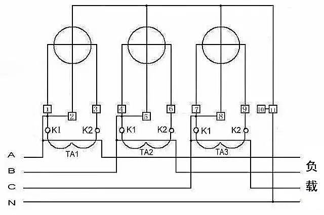
三相四线电度表互感器接线
4
能耗制动
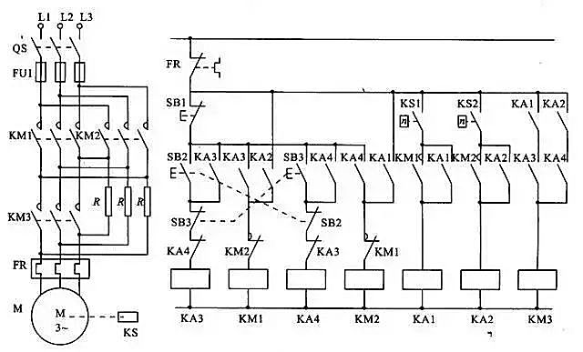
5
顺序起动,逆序停止
6
锅炉水位探测装置
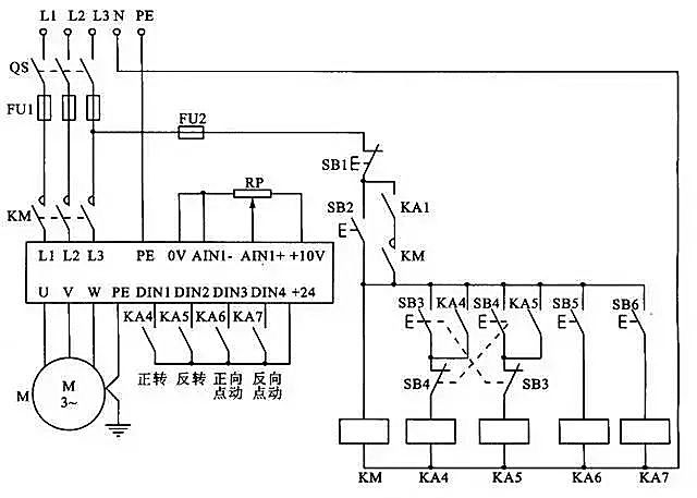
7
电机正反转控制电路
8
电葫芦吊机电
9
单相漏电开关电路
10
单相电机接线图
11
带点动的正反转起动电路
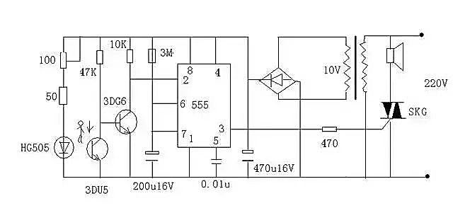
12
红外防盗报警器
13
电容单相电机接线图
14
自动循环往复控制线路
15
定子电路串电阻降压启动控制线
16
按启动钮延时运行电路
17
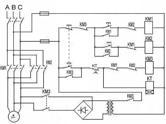
星形 - 三角形启动控制线路
18
单向反接制动的控制线路
19
具有反接制动电阻的可逆运行反接制动的控制线路
20
以时间原则控制的单向能耗制动线路
21
以速度原则控制的单向能耗制动控制线路
22
电动机可逆运行的能耗制动控制线路
23
双速电动机改变极对数的原理
24
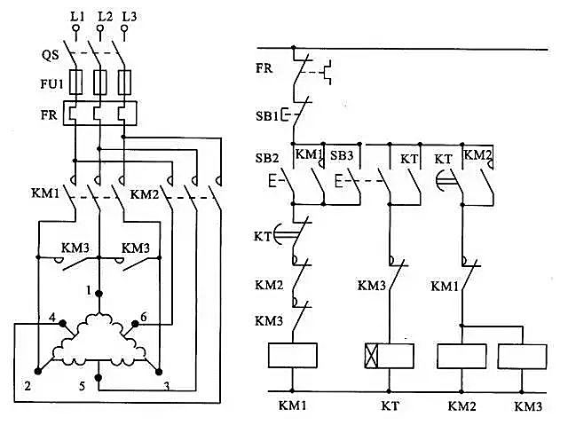
双速电动机调速控制线路
25
使用变频器的异步电动机可逆调速系统控制线路
26
正确连接电器的触点
27
线圈的连接
28
继电器开关逻辑函数
29
三相半波整流电路图
30
三相全波整流电路图
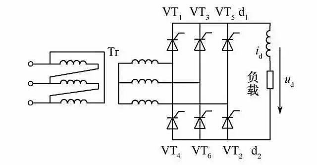
31
三相全波6脉冲整流原理图
32
六相12脉冲整流原理图
33
负载两端的电压
在一个周期中,每个二极管只有三分这一的时候导通(导通角为120度)。负载两端的电压为线电压。
34
直流调速原理功能图

本帖子中包含更多资源

您需要 登录 才可以下载或查看,没有账号?立即注册

×
工控课堂 www.gkket.com

0

主题

118

回帖

276

积分

注册会员

积分
276
发表于 2019-12-18 01:28:03 | 显示全部楼层
党的好公民,人民的好公仆。。。
工控课堂 www.gkket.com

0

主题

109

回帖

301

积分

注册会员

积分
301
发表于 2020-10-10 08:48:59 | 显示全部楼层
无回帖,不论坛,这才是人道。
工控课堂 www.gkket.com

0

主题

56

回帖

229

积分

注册会员

积分
229
发表于 2025-11-14 21:51:26 | 显示全部楼层
占个楼慢慢看,先马克一下
楼主辛苦啦,期待下一篇分享
工控课堂 www.gkket.com

0

主题

74

回帖

127

积分

新手上路

积分
127
发表于 2025-11-14 23:46:12 | 显示全部楼层
救命!这波发言太秀了,直接原地封神~
疯狂认同!楼主说出了我不敢说的话
工控课堂 www.gkket.com

0

主题

101

回帖

428

积分

注册会员

积分
428
发表于 2025-11-16 20:57:56 | 显示全部楼层
同款经历!简直是世另我
工控课堂 www.gkket.com

0

主题

104

回帖

154

积分

新手上路

积分
154
发表于 2025-11-16 21:03:17 | 显示全部楼层
评论区人才辈出,笑到停不下来😂
工控课堂 www.gkket.com

2

主题

92

回帖

256

积分

注册会员

积分
256
发表于 2025-11-16 21:04:25 | 显示全部楼层
画面感太强了,仿佛身临其境!
工控课堂 www.gkket.com

0

主题

82

回帖

125

积分

新手上路

积分
125
发表于 2025-11-16 21:05:59 | 显示全部楼层
路过混个脸熟,顺便为优质内容打 call~
工控课堂 www.gkket.com

0

主题

84

回帖

129

积分

新手上路

积分
129
发表于 2025-11-16 21:06:12 | 显示全部楼层
楼主辛苦啦,期待下一篇分享!
工控课堂 www.gkket.com
您需要登录后才可以回帖 登录 | 立即注册

本版积分规则

关闭

站长推荐上一条 /1 下一条

QQ|手机版|免责声明|本站介绍|工控课堂 ( 沪ICP备20008691号-1 )

GMT+8, 2025-12-23 05:54 , Processed in 0.176030 second(s), 27 queries .

Powered by Discuz! X3.5

© 2001-2025 Discuz! Team.

快速回复 返回顶部 返回列表