找回密码
 立即注册

QQ登录

只需一步,快速开始

查看: 4446|回复: 12

AB PLC 硬件简介

 火.. [复制链接]
  • 打卡等级:常驻代表
  • 打卡总天数:34
  • 打卡月天数:6
  • 打卡总奖励:9027
  • 最近打卡:2025-12-17 23:15:51

2823

主题

541

回帖

2万

积分

管理员

积分
22569
发表于 2020-4-14 21:08:43 | 显示全部楼层 |阅读模式
来源:电工365
1、系统组成

1、PLC系统组成
1、PLC系统采用罗克韦尔PLC
2、主站控制器采用1756系列,CPU型号为L61
3、IO站采用1738系列模块
4、PLC网络采用AB的Controlnet网络
5、监控站采用以太网
1、除灰系统组成
1、除灰系统共设置3套冗余PLC,分别在1#炉除灰系统,2#炉除灰系统和灰库灰库系统
2、各系统通过以太网互联接入控制室监控站
2、主站模块配置
主站配置的模块有
2.1 7槽框架
2.2 电源模块 1756-PA72
2.3 控制器模块1756-L61
2.4 网络模块1756-CNBR
2.5 以太网模块1756-ENBT
2.6 冗余模块1757-SRM

2.1 7槽框架

2.2 电源模块 1756-PA72

电源模块给框架上其他模块供电
2.3 控制器模块1756-L61

2.3 控制器模块1756-L61

2.3 控制器模块1756-L61

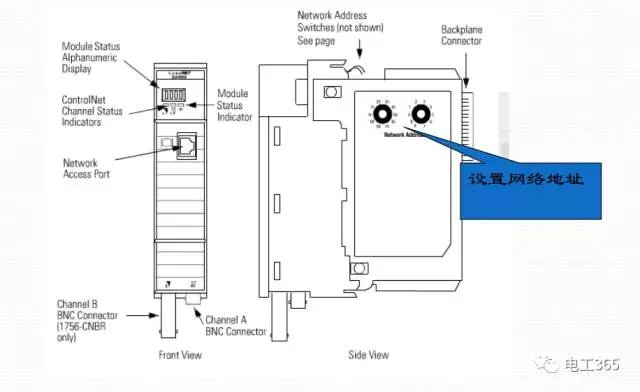
2.4 网络模块1756-CNBR

2.4 网络模块1756-CNBR

2.5 以太网模块1756-ENBT

2.5 以太网模块1756-ENBT

2.6 冗余模块1757-SRM
控制器冗余成功后,主站冗余模块显示PRIM,备站冗余模块显示SYNC
3、1738系列模块

3.1 1738通讯模块

3.2 1738 IO模块

4、同轴网络规划
控制器跟子站之间的网络采用AB的Controlnet网络
ControlNet的由来、组织机构与标准
ControlNet是由美国罗克韦尔自动化公司于1997年推出的一种新的面向控制层的实时性现场总线。
1997年7月由罗克韦尔自动化等22家公司联合发起成立了控制网国际组织CI(ControlNet International)。
CI是一个为用户和供货商服务的非盈利性的独立组织。
2000年1月、2002年2月ControlNet分别成为国际标准IEC61158第2版、第3版的类型2(Type 2)

4.1  概述
工业网络的配置

ControlNet的特点、优点与应用
ControlNet网络使用生产者/消费者模型。
生产者/消费者模型允许一个发送设备(生产者)与多个接收设备(消费者)之间交换时间紧要的应用信息 。
确定性控制网络使用一种隐性令牌传递机制来提高协议效率。
协议使用一种基于时间的预定机制,它可使网络设备以确定性的、可预测性的方式来访问媒体,同时也防止了网络碰撞。
ControlNet的主要技术特点可归纳为:
(1)物理层介质:RG6同轴电缆光纤
(2)网络拓扑:总线形、星形、树形及其任何拓扑的混合。
(3)单网段长度:使用同轴电缆,1000m、 带2个节点,250m、带48个节点;使用光纤,短距离系统为300m,中等距离系统为7km。
ControlNet的主要技术特点可归纳为:
(1)物理层介质:RG6同轴电缆、光纤。
(2)网络拓扑:总线形、星形、树形及其任何拓扑的混合。
(3)单网段长度:使用同轴电缆,1000m、 带2个节点,250m、带48个节点;使用光纤,短距离系统为300m,中等距离系统为7km。
(8)设备供电方式:设备采用外部供电。
(9)节点插拔:节点可带电插拨,安装与更换方便。
(10)网络速度:5Mbps(最大)。
(11)I/O数据个数:不限。
(12)I/O数据触发方式:轮询、状态改变/周期。
(13)网络功能:同一链路支持控制信息、I/O数据、编程数据。(即单一网络实现实时控制、报文传送、设备组态)
(14)网络模型:生产者/消费者。
(15)网络刷新时间:可组态2~100ms。
ControlNet突出优点 :
(1)ControlNet是高速的控制和I/O网络,具有增强的I/O性能和点对点通信能力,支持多主方式,可以从任何一个节点(甚至适配器)访问整个网络。
(2)对于离散和连续过程控制应用场合,均具有确定性和可重复性。
ControlNet突出优点 :
(3)先进的生产者/消费者网络模型,最大限度地优化了带宽的利用率,并可构成多主、主/从、对等的通信结构;媒体访问算法确保了控制信息传送时间的准确性。
(4)ControlNet具有灵活的安装选择,可使用各种标准的低价同轴电缆,也可使用具有强抗干扰性和本征安全性的光纤,并支持媒体冗余方式。
同轴电缆
光纤
屏蔽双绞线(仅用于构建临时连接)
4.2.1 同轴电缆


4.2.2 光纤
用于短距离传输,最大传输距离300m;
用于中等距离传输,最大传输距离7km;
用于长距离传输,最大传输距离20km。
光纤中继器类型

光纤的拓扑结构
       除同轴电缆的拓扑结构外,还可构成环形结构,形成自愈式环网。
光纤网的连接

光纤网络设备类型
光缆
节点
分接器
中继适配器
光纤中继模块
中继器供电电源
5、实现冗余



本帖子中包含更多资源

您需要 登录 才可以下载或查看,没有账号?立即注册

×
工控课堂 www.gkket.com

0

主题

71

回帖

180

积分

新手上路

积分
180
发表于 2020-4-14 21:14:25 | 显示全部楼层
看完楼主的帖子,我的心情竟是久久不能平息,受教了
工控课堂 www.gkket.com

0

主题

106

回帖

388

积分

注册会员

积分
388
发表于 2020-10-8 13:46:28 | 显示全部楼层
激动人心,无法言表!
工控课堂 www.gkket.com

0

主题

96

回帖

299

积分

注册会员

积分
299
发表于 2025-11-13 02:20:58 | 显示全部楼层
救命!这回复笑到我捶桌,必须置顶~
工控课堂 www.gkket.com

0

主题

121

回帖

187

积分

新手上路

积分
187
发表于 2025-11-13 12:14:26 | 显示全部楼层
赞同 + 10086,完全说出了我的想法!
工控课堂 www.gkket.com

0

主题

87

回帖

134

积分

新手上路

积分
134
发表于 2025-11-13 18:09:27 | 显示全部楼层
不请自来,只为说一句:太精彩了!
工控课堂 www.gkket.com

0

主题

170

回帖

374

积分

注册会员

积分
374
发表于 2025-11-13 21:27:52 | 显示全部楼层
楼主太会说了,字字句句都在理~
工控课堂 www.gkket.com

0

主题

92

回帖

152

积分

新手上路

积分
152
发表于 2025-11-14 04:25:24 | 显示全部楼层
不请自来,就想夸一句:太顶了!
工控课堂 www.gkket.com

0

主题

92

回帖

145

积分

新手上路

积分
145
发表于 2025-11-14 12:15:44 | 显示全部楼层
原来还有这种操作,长见识了!
工控课堂 www.gkket.com

0

主题

125

回帖

446

积分

注册会员

积分
446
发表于 2025-11-14 21:20:57 | 显示全部楼层
占个楼慢慢看,先马克一下
楼主辛苦啦,期待下一篇分享
工控课堂 www.gkket.com
您需要登录后才可以回帖 登录 | 立即注册

本版积分规则

关闭

站长推荐上一条 /1 下一条

QQ|手机版|免责声明|本站介绍|工控课堂 ( 沪ICP备20008691号-1 )

GMT+8, 2025-12-22 20:21 , Processed in 0.169985 second(s), 27 queries .

Powered by Discuz! X3.5

© 2001-2025 Discuz! Team.

快速回复 返回顶部 返回列表