找回密码
 立即注册

QQ登录

只需一步,快速开始

查看: 4107|回复: 12

图文讲解接触器自锁和互锁电路,初学者进

 火.. [复制链接]
  • 打卡等级:即来则安
  • 打卡总天数:28
  • 打卡月天数:7
  • 打卡总奖励:7961
  • 最近打卡:2025-12-22 17:16:30

3317

主题

285

回帖

2万

积分

管理员

积分
24106
发表于 2020-4-16 20:34:02 | 显示全部楼层 |阅读模式
对于电工来说,接触器是最常见的电器元件了,可以说无处不在。如电动机的点动、自锁控制
我们先来看接触器的外形和构成,如下图

如上图所示,接触器共有六个主触点,1,3,5为主触点进线孔,2,4,6为主触点出线孔,A1,A2为接触器线圈的两个接线端子,在接触器的主触点的稍下方。也有的接触器A2有两个接点,我们在运用的时候随便接哪一个都行。线圈接线不分零火。
这里特别要注意的是,不管是什么接触器,都要注意他们的线圈电压,如下图

每一件接触器在线圈接线端子地方都会有这样的标识,还请各位一定要注意,接错了这个线圈就废了。。
当线圈得电时吸合,主触点和辅助触点吸合,当线圈断电时断开,主触点和辅助触点断开,这是我理解的接触器的工作方式。
来看一下接触器在电路中是怎样表示的,下图为接触器主触点在电路图中的表示

常开触点如下

常闭触点如下

线圈如下

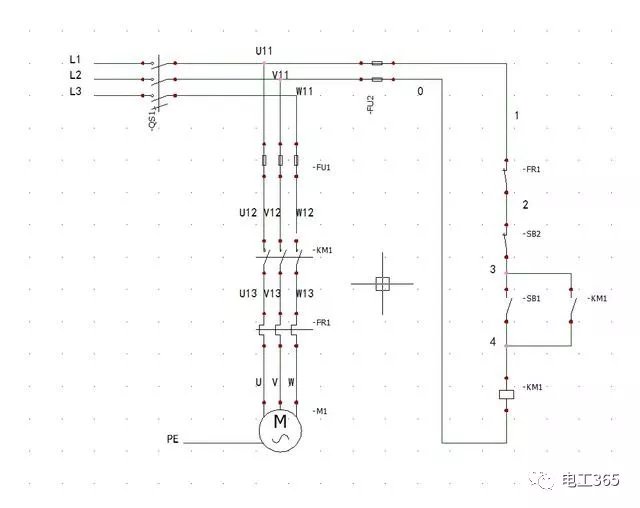
接下来我们看一下是怎么应用的,先看一下一个带有过载保护的接触器自锁控制的电路

接着看看是怎么运行的
合上电源开关QS1,三相电源经过保险FU1来到接触器km的输入端1,3,5,然后通过接触器的输出端2,4,6,来到热继电器的主触点输入端再从热继电器的输出端输送到电机,完成的是主电路,如果要实际接线的话,可以按照上图中线号的标注来接线,这样不会迷糊。
控制回路:合上开关后,控制电源L2流经fu2直接来到接触器km的线圈。另外一条控制线L1,经过保险fu2来到热继电器的常闭输入点,然后从热继电器的常闭输出点来到停止按钮SB2的输入点,然后从SB2的输出点分两条,一条进启动按钮SB1的输入点,一条进接触器辅助触点常开点的输入端,最后从启动按钮的输出端和接触器辅助触点常开点的输出端并一条线接到接触器的线圈,跟控制线L2形成回路。
简单说一下它的控制原理:启动时按下启动按钮SB1,接触器的线圈得电吸合并带动其主触点和辅助触点同时吸合,电动机运转。松开SB1,由于常开点闭合接通了通往线圈的电源,所以线圈依然吸合,并形成自锁,电动机依然运转,这就是接触器的自锁线路。停机时只要按下停止按钮SB2,即可切断接触器线圈的电源,接触器线圈断电释放,断开通往电动机的三相电源,电动机停止运转。
接触器互锁的电动机正反转控制线路图如下

正反转的控制回路只是在KM1的正转回路上增加了一个KM2的常闭辅助触点,同时也在KM2的反转回路上增加了一个KM1的常闭辅助触点,这就是所谓的互锁电路
要想让电机正反转,就要调换三相电源对电动机三相绕组的控制,才能完成,所以要注意看一下主回路的接线,请仔细看一下上图中两个接触器接线有哪些不同。
这个电气互锁的电路怎么运行的就不说了,请大家自己想一下,如果有不明白,可以在下方评论中写出,如果哪里有不对的,也欢迎您在评论区中指出。

本帖子中包含更多资源

您需要 登录 才可以下载或查看,没有账号?立即注册

×
工控课堂 www.gkket.com

0

主题

391

回帖

1685

积分

高级会员

积分
1685
发表于 2020-4-16 20:34:03 | 显示全部楼层
感恩无私的分享与奉献
工控课堂 www.gkket.com

0

主题

66

回帖

365

积分

注册会员

积分
365
发表于 2020-10-9 02:10:14 | 显示全部楼层
好东西一定要看看!
工控课堂 www.gkket.com

0

主题

89

回帖

133

积分

新手上路

积分
133
发表于 2025-11-15 12:51:09 | 显示全部楼层
打卡路过,支持优质原创内容~
工控课堂 www.gkket.com

0

主题

156

回帖

356

积分

注册会员

积分
356
发表于 2025-11-19 06:31:24 | 显示全部楼层
学到干货了,感谢分享,已火速收藏
工控课堂 www.gkket.com

0

主题

74

回帖

118

积分

新手上路

积分
118
发表于 2025-11-19 06:42:44 | 显示全部楼层
不请自来,只为说一句:太精彩了!
工控课堂 www.gkket.com

0

主题

62

回帖

91

积分

新手上路

积分
91
发表于 2025-11-19 06:42:47 | 显示全部楼层
理性围观,感觉大家说得都有道理
工控课堂 www.gkket.com

0

主题

77

回帖

126

积分

新手上路

积分
126
发表于 2025-11-19 06:42:54 | 显示全部楼层
已转发给朋友,一起感受这份快乐~
工控课堂 www.gkket.com

0

主题

97

回帖

154

积分

新手上路

积分
154
发表于 2025-11-19 06:43:18 | 显示全部楼层
蹲个后续,楼主记得更新呀,在线等挺急的~
工控课堂 www.gkket.com

0

主题

106

回帖

239

积分

注册会员

积分
239
发表于 2025-11-19 06:46:05 | 显示全部楼层
来凑个热闹,为楼主增加点人气!
工控课堂 www.gkket.com
您需要登录后才可以回帖 登录 | 立即注册

本版积分规则

关闭

站长推荐上一条 /1 下一条

QQ|手机版|免责声明|本站介绍|工控课堂 ( 沪ICP备20008691号-1 )

GMT+8, 2025-12-22 19:50 , Processed in 0.095910 second(s), 27 queries .

Powered by Discuz! X3.5

© 2001-2025 Discuz! Team.

快速回复 返回顶部 返回列表