找回密码
 立即注册

QQ登录

只需一步,快速开始

查看: 3572|回复: 12

变频器常用参数设置方法

 火.. [复制链接]
  • 打卡等级:常驻代表
  • 打卡总天数:34
  • 打卡月天数:6
  • 打卡总奖励:9027
  • 最近打卡:2025-12-17 23:15:51

2823

主题

541

回帖

2万

积分

管理员

积分
22569
发表于 2020-8-31 20:59:53 | 显示全部楼层 |阅读模式
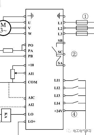
变频器的设置菜单分为一级菜单、二级菜单等,菜单后面是参数。Altivar31变频器一级菜单的访问如左图所示,参数的设置如右图所示。


右图是待机(准备运行)状态开始,将FUn-PSS-SP2参数设定为15Hz,然后又返回到待机状态的操作过程。
在实际设置时,可能从中间某一步开始。若还有其它的参数需要设置,不需要返回到待机状态,只要返回到相应的一级继续设置即可。全部参数设置完毕需要返回到待机状态准备开车。有些参数还可以在变频器有些过程中进行设置。


错误的设置可能损坏变频器!没有弄清楚的参数不要随意设置!
常用参数是经常使用的一些参数,主要包括以下内容(以Altivar31变频器为例):


1、上限频率(高速)SEt-HSP与下限频率(低速)SEt-LSP
上限频率是最大给定所对应的频率,下限频率是最小给定所对应的频率。上下限频率的设定是为了限制电动机的转速,从而满足设备运行控制的要求。
2、加速时间(加速斜坡时间)SEt-ACC与减速时间(减速斜坡时间)SEt-dEC
加速时间是变频器从0Hz加速到额定频率(通常为50Hz)所需的时间,加速斜坡类型由FUn—rPC-rPt设置。减速时间是变频器从额定频率减速到0Hz所需的时间。设定加、减速时间必须与负载的加、减速相匹配。电机功率越大,需要的加、减速时间也越长。一般11kW以下的电机,加、减速时间可设置在10s以内。


对于大容量的电机,若设置加速时间太短,可能会使变频器过流跳闸;设置减速时间太短,可能会使变频器过压跳闸。对于多电机同步运行的情况,若设置加速时间太短,可能会使变频器过流跳闸,设置加速时间太长,会使开车 时同步性能变坏;设置减速时间太短,可能会使变频器过压跳闸,设置减速时间太长,由于各电机功率不同,负载差异较大,可能会使各电机不能同时停转,造成下次开车困难。
因此,多电机同步运行时,需要精确设置加、减速时间,这也是设备调试的主要项目之一。
3、保存配置drC(或I-O、CtL、FUn)—SCS
对于经常使用的设置或经现场调试可行的设置,可以保存起来,在需要的时候可以恢复。但保存配置只能保存一次,再次保存时,原来保存的设置就被新保存的设置所替代。
SCS参数一被保存,就自动变为nO。


4、返回出厂设置/恢复配置drC(或I-O、CtL、FUn)—FCS
变频器在调试期间,可能出现由于操作不当等原因,偶尔发生功能、数据紊乱等现象,遇到这种情况可以恢复配置(FCS参数设置为rECI)或者返回出厂设置(FCS参数设置为InI),然后重新设置参数。


FCS参数一被保存,就自动变为nO。
5、电机缺相检测FLt-OPL
电机缺相检测是变频器的基本功能,也是实际使用时必需的。但在济南星科的实验台中,由于配备的电机功率太小且空载,电机电流几乎等于零,变频器检测不到电机电流,认为没有接电机。所以,在实验室必须把OPL参数设置为nO(电机缺相不检测),否则变频器无法运行。但实际使用时一定把OPL参数设置为yES(电机缺相检测)。


通用变频器的功能很多,菜单及参数也很多,Altivar31变频器的一级菜单有8个,分别是设置菜单SEt-、电机控制菜单drC-、I-O菜单I-O-、控制菜单CtL-、应用功能菜单FUn—、故障菜单FLt-、通信菜单COM-、显示菜单SUP-。
以上就是总结的变频器维修的知识。如果感觉文章还不错欢迎大家收藏转发。

本帖子中包含更多资源

您需要 登录 才可以下载或查看,没有账号?立即注册

×
工控课堂 www.gkket.com

0

主题

216

回帖

920

积分

中级会员

积分
920
发表于 2020-8-31 20:59:53 | 显示全部楼层
在遇到你之前我对人世间是否有技术大佬保有怀疑,现在我是彻底被你征服了
工控课堂 www.gkket.com

0

主题

156

回帖

567

积分

中级会员

积分
567
发表于 2020-10-17 13:08:18 | 显示全部楼层
楼主您的技术水准,我最服你,其他都是浮云
工控课堂 www.gkket.com

0

主题

108

回帖

275

积分

注册会员

积分
275
发表于 2025-11-13 20:39:31 | 显示全部楼层
浅评一下:内容优质,值得推荐~
工控课堂 www.gkket.com

0

主题

87

回帖

129

积分

新手上路

积分
129
发表于 2025-11-13 21:36:51 | 显示全部楼层
救命!这回复笑到我捶桌,必须置顶~
工控课堂 www.gkket.com

0

主题

109

回帖

399

积分

注册会员

积分
399
发表于 2025-11-13 22:10:11 | 显示全部楼层
蹲个后续,楼主记得更新呀,在线等挺急的~
工控课堂 www.gkket.com

0

主题

97

回帖

536

积分

中级会员

积分
536
发表于 2025-11-13 23:46:39 | 显示全部楼层
路过混个脸熟,顺便为优质内容打 call~
工控课堂 www.gkket.com

0

主题

111

回帖

441

积分

注册会员

积分
441
发表于 2025-11-14 00:02:12 | 显示全部楼层
来凑个热闹,增加点人气~
工控课堂 www.gkket.com

0

主题

95

回帖

144

积分

新手上路

积分
144
发表于 2025-11-14 00:11:14 | 显示全部楼层
谁懂啊!真的被戳中笑点 / 泪点了
工控课堂 www.gkket.com

0

主题

78

回帖

123

积分

新手上路

积分
123
发表于 2025-11-14 00:24:18 | 显示全部楼层
学到干货了,感谢分享,已火速收藏
工控课堂 www.gkket.com
您需要登录后才可以回帖 登录 | 立即注册

本版积分规则

关闭

站长推荐上一条 /1 下一条

QQ|手机版|免责声明|本站介绍|工控课堂 ( 沪ICP备20008691号-1 )

GMT+8, 2025-12-22 12:21 , Processed in 0.185301 second(s), 27 queries .

Powered by Discuz! X3.5

© 2001-2025 Discuz! Team.

快速回复 返回顶部 返回列表