|
不同型号CPU输入/输出接线 
图1. CPU SR20接线图 
图2. CPU SR40接线图、 
图3. CPU CR40接线图 
图4. CPU ST40接线图 
图5. CPU SR60接线图 
图6. CPU ST60接线图 数字量输入接线
图7. 漏型输入接法 图8. 源型输入接法 对于大多数输入来讲,都是24VDC输入,其中ST CPU的 I0.0-I0.3 支持 5-24V 输入,另外ST20/30 的I0.6、I0.7也支持5-24V输入。如下表所示: 
S7-200 SMART的数字量输入点内部为双向二级管,可以接成漏型(图7)或源型(图8),只要每一组接成一样就行。 对于数字量输入电路来说,关键是构成电流回路。输入点可以分组接不同的电源,这些电源之间没有联系也可以。 数字量输出接线
晶体管输出只能接成源型输出(图9),不能接成漏型,即输出为24V。 继电器输出是一组共用一个公共端的干节点,可以接交流或直流,电压等级最高到220V。 例:可以接24V/110V/220V交直流信号。但要保证一组输出接同样的电压(一组共用一个公共端,如1L、2L)。对于弱小信号,如小于 5V 的信号,需要自己验证其输出的可靠性。继电器输出点(图10)接直流电源时,公共端接正或负都可以。 对于数字量输出电路来说,关键是构成电流回路。输出点可以分组接不同的电源,这些电源之间没有联系也可以。 常问问题1. 同一个模块的数字量输入端可以同时接NPN和PNP两种信号的设备吗? 不可以,因为NPN和PNP两种类型的信号在DI端形成的回路中对于DI点的电流方向相反,同样地M点的电流方向也相反,如图7和图8,NPN和PNP回路的电流方向不同所示,如果把两种信号接到一个M端,则M端有两种电流流向,这是不正确的。因此不能在同一个模块的DI输入端同时接NPN和PNP两种信号的设备。 2. DO分成晶体管和继电器两种类型,它们的区别是什么? 继电器的负载电流比晶体管的大,但是输出频率受到机械装置的影响不能太快,同时存在机械寿命的限制。晶体管的负载电流比继电器的小,但是输出频率快,可以用于高速脉冲输出,没有机械寿命的限制。 3. S7-200 SMART CPU数字量输出可以接漏型的设备吗? 不可以,S7-200 SMART CPU 本体和扩展模块的DO端都只能接源型24V类型的设备,即集电极开路的PNP设备。 4. S7-200 SMART I/O扩展模块DIAG指示灯以红色闪烁的原因? 对于数字量扩展模块的DIAG指示灯以红色闪烁的原因主要是缺少24V直流供电电源,建议查看CPU的信息来确认具体报错原因,查看CPU信息的方法请见硬件诊断或诊断方法举例。 I/O扩展模块缺少24V直流供电电源时,所有通道指示灯也以红色闪烁。建议核对模块接线图,尤其是模块供电端含两排端子的,确定供电接线是否正确,以EM DR32为例,正确的接线方式如下图所示。 
图11. EM DR32接线图 S7-200 SMART 开关量输出的典型抑制电路S7-200 SMART 开关量输出驱动感性负载时,需要配备抑制电路。抑制电路可以限制开关量输出断开时感应电压升高,可保护输出,并防止切断感性负载时产生的高压导致CPU损坏或CPU内部固件错误。
此外,抑制电路还可以限制关断感性负载时产生的电气噪声。配备一个外部抑制电路,使其从电路上跨接在负载两端并且在位置上接近负载,这样对降低电气噪声最有效。
S7-200 SMART晶体管输出内部回路已经包括抑制电路,该电路足以满足大多数应用中感性负载的要求。
继电器输出触点由于可用于直流或交流负载,所以未提供内部保护。 注:给定抑制电路的有效性取决于具体应用,必须进行验证其是否适合您的具体应用。 开关直流感性负载的晶体管或继电器输出的典型抑制电路见表1所示: 
开关交流感性负载的继电器输出的典型抑制电路见表2所示: 
二.S7-200 SMART 模拟量模块接线图1.普通模拟量模块接线模拟量类型的模块有三种:普通模拟量模块、RTD模块和TC模块。
普通模拟量模块可以采集标准电流和电压信号。其中,电流包括:0-20mA、4-20mA两种信号,电压包括:+/-2.5V、+/-5V、+/-10V三种信号。
注意:
S7-200 SMART CPU普通模拟量通道值范围是0~27648或-27648~27648。
普通模拟量模块接线端子分布如下图1 模拟量模块接线所示,每个模拟量通道都有两个接线端。 
图1 模拟量模块接线 模拟量电流、电压信号根据模拟量仪表或设备线缆个数分成四线制、三线制、两线制三种类型,不同类型的信号其接线方式不同。 四线制信号指的是模拟量仪表或设备上信号线和电源线加起来有4根线。仪表或设备有单独的供电电源,除了两个电源线还有两个信号线。四线制信号的接线方式如下图2模拟量电压/电流四线制接线所示。 
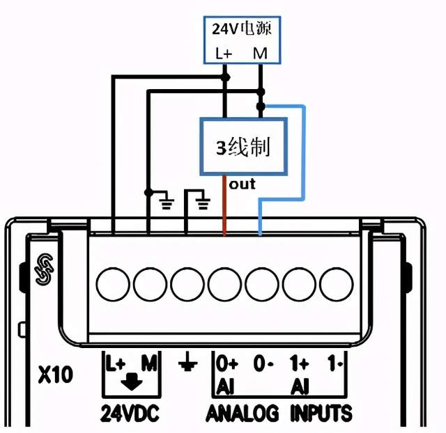
图2 模拟量电压/电流四线制接线 三线制信号是指仪表或设备上信号线和电源线加起来有3根线,负信号线与供电电源M线为公共线。三线制信号的接线方式如下图3 模拟量电压/电流三线制接线所示。 
图3 模拟量电压/电流三线制接线 两线制信号指的是仪表或设备上信号线和电源线加起来只有两个接线端子。由于S7-200 SMART CPU模拟量模块通道没有供电功能,仪表或设备需要外接24V直流电源。两线制信号的接线方式如下图4 模拟量电压/电流两线制接线所示。 
图4 模拟量电压/电流两线制接线 不使用的模拟量通道要将通道的两个信号端短接,接线方式如下图5 不使用的通道需要短接所示。 
图5 不使用的通道需要短接 2. RTD模块接线RTD热电阻温度传感器有两线、三线和四线之分,其中四线传感器测温值是最准确的。S7-200 SMART EM RTD模块支持两线制、三线制和四线制的RTD传感器信号,可以测量PT100、PT1000、Ni100、Ni1000、Cu100等常见的RTD温度传感器,具体型号请查阅《S7-200 SMART系统手册》。
S7-200 SMART EM RTD模块还可以检测电阻信号,电阻也有两线、三线和四线之分。
EM RTD模块的接线方法如下图6 传感器RTD/电阻信号接线所示。 
图6 RTD传感器/电阻信号接线 3. TC模块接线热电偶测量温度的基本原理是:两种不同成份的材质导体组成闭合回路,当两端存在温度梯度时回路中就会有电流通过,此时两端之间就存在电动势。 S7-200 SMART EM TC模块可以测量J、K、T、E、R&S和N型等热电偶温度传感器,具体型号请查阅《S7-200 SMART系统手册》。TC模块的接线说明参考图7 TC信号接线。 
图7 TC信号接线 注意:
每个模块的接线图请参考《S7-200 SMART 系统手册》中“技术规范”章节。 模拟量常问问题1. S7-200 SMART 普通模拟量模块可以连接4-20mA的信号吗? 可以,S7-200 SMART CPU模拟量模块可以检测0~20mA和4~20mA的标准电流信号;两种电流信号的接线、在STEP 7-Micro/WIN SMART软件中的参数设置都是一样的。区别在于:0~20mA对应的通道值量程是0~27648,而4~20mA对应的通道值量程是5530~27648。 2. S7-200 SMART RTD模块可以测量电阻值吗? 可以,S7-200 SMART RTD模块最大可以测量3000Ω的电阻值。如下图所示,在"类型"下拉菜单中选择电阻类型;在"电阻" 下拉菜单中中选择可测量电阻的最大值,如图 2.31选择阻值量程范围所示。 
图1.选择阻值量程范围 3. S7-200 SMART RTD和TC模块如何得到实际温度值?
把S7-200 SMART EM RTD和TC模块的通道值除以10就是实际的温度值。由于RTD和TC模块的通道值是整数值,需要把整数值转换成浮点数才能在计算后得到带有小数位的温度值。 4. 模拟量模块分辨率和转换精度的区别?
分辨率是A/D模拟量转换芯片的转换精度,即用多少位的数值来表示模拟量。以下举例说明10位分辨率和11位分辨率的区别。S7-200 SMART CPU模拟量0~20mA的通道值范围为0~27648。如果分辨率为10位,则表示当外部电流信号的变化大于0.01953125mA时,模拟量A/D转换芯片才认为外部信号有变化。如果分辨率为11位,则表示当外部电流信号的变化大于0.009765625mA时,模拟量A/D转换芯片即认为外部信号有变化。 
图2.模拟量分辨 模拟量转换的精度除了取决于A/D转换的分辨率,还受到转换芯片的外围电路的影响。在实际应用中,输入的模拟量信号会有波动、噪声和干扰,内部模拟电路也会产生噪声、漂移,这些都会对转换的最后精度造成影响。这些因素造成的误差要大于A/D芯片的转换误差。 表1.模拟量扩展模块基础技术参数 模拟量扩展模块型号分辨率精度(25°C/0 到 55°C)范围电压模式电流模式电压模式电流模式电压电流EM AE0411位+符号位11位满量程的 ±0.1%/±0.2%满量程的 ±0.2%/±0.3%±10 V、±5 V、±2.5V0 - 20 mAEM AQ0210位+符号位10位满量程的 ±0.5%/±1.0%满量程的 ±0.5%/±1.0%±10 V0 - 20 mAEM AM0610位+符号位10位满量程的 ±0.5%/±1.0%满量程的 ±0.5%/±1.0%±10 V0 - 20 mASB AQ0111位+符号位11位满量程的 ±0.5%/±1.0%满量程的 ±0.5%/±1.0%±10 V0 - 20 mA 5. S7-200 SMART I/O扩展模块DIAG指示灯以红色闪烁的原因? S7-200 SMART I/O扩展模块的DIAG指示灯以红色闪烁的原因有两个,建议查看CPU的信息来确认具体报错原因,查看CPU信息的方法请见硬件诊断或诊断方法举例。 (1) 模块缺少24V直流供电电源;I/O扩展模块缺少24V直流供电电源时,所有通道指示灯也以红色闪烁。建议核对模块接线图,尤其是模块供电端含两排端子的,确定供电接线是否正确,以EM DR32为例,正确的接线方式如下图所示。 
图3. EM DR32接线图 (2) 模拟量模块上通道断线或是输入值超量程。模拟量模块上通道断线或是输入值超量程,除了会引起模块的DIAG指示灯以红色闪烁,断线或是超量程的通道的指示灯也以红色闪烁,以提示用户存在故障通道。 以RTD或TC模块为例,如果RTD或TC模块选择了断线报警,如图2.39启动断线报警所示。则模块会检测每个通道的断线情况。默认情况下,该选项是没有被激活的。RTD或TC模块对于没有使用的通道的处理方法如下: ①RTD模块:将一个100Ohm的电阻按照与已用通道相同的接线方式连接到空的通道;或者将已经接好的那一路热电阻的所有引线,一一对应连接到空的通道上。 ②TC模块:短接未使用的通道,或者并联到旁边的实际接线通道上。图2.39 启动断线报警 如果不是通道断线引起的报警,就是输入值超量程了。默认情况下,RTD和TC模块的通道输入值超上下限报警是激活的。发生了该报警,用户需要判断引起通道值超量程的原因:是信号问题还是模块硬件的问题。 
图4.模拟量断线报警 6. 为什么使用S7-200 SMART模拟量输入模块时接收到变动很大的不稳定的值?
可能的原因如下: 1).可能模拟量输入模块和现场传感器分别使用了自供电或隔离的电源,而两个电源没有彼此连接,即模拟量输入模块的电源和现场传感器的信号地没有连接;这将会产生一个很高的上下振动的共模电压,影响模拟量输入值。 2).另一个原因可能是模拟量输入模块接线太长或绝缘不好受到电磁干扰。 可以用如下方法解决: A .连接现场传感器的负端与模块上的公共M端以补偿此波动,如图1所示:(但要注意,确保这是两个电源系统之间的唯一联系。) 背景是: 模拟量输入模块内部是非隔离的; 共模电压必须小于12V且大于-12V; 对于60Hz干扰信号的共模抑制比为40dB; 
图5. 传感器信号等电位连接 注意:模块中未使用的通道直接短接本通道的+、-,已使用的通道将传感器的负端与模块上的公共M端短接 。 B .使用模拟量输入滤波。 选择需要滤波的通道; 选择滤波强度; 
图6. 设置模拟量输入滤波 模拟量输入值的滤波过程会产生稳定的模拟信号,通常过滤对于在处理变化缓慢的信号时非常有用,例如温度测量。可以为滤波分为4个级别(无、弱、中、强)。可组态模块在组态的周期数内平滑模拟量输入信号,从而将一个平均值传送给程序逻辑,滤波级别越高,经滤波处理的模拟值就越稳定,但无法反应快速变化的实际信号。 S7-200 SMART模拟量输入模块接收到测量值波动时的检测方法和步骤
当 S7-200 SMART模拟量输入模块接收到测量值波动时,可通过如下图的步骤进行检查: 
图7. 测量值波动时的检测方法 注意: A.上图中所提到的等电位连接以及不用通道短接请参考本页图5。 B.屏蔽层单端接地:是在屏蔽电缆的一端将金属屏蔽层直接接地,另一端不接地或通过保护接地。 在屏蔽层单端接地情况下,非接地端的金属屏蔽层对地之间有感应电压存在,感应电压与电缆的长度成正比,但屏蔽层无电势环流通过。单端接地就是利用抑制电势电位差达到消除电磁干扰的目的。
|