找回密码
 立即注册

QQ登录

只需一步,快速开始

查看: 6156|回复: 13

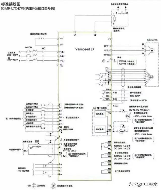
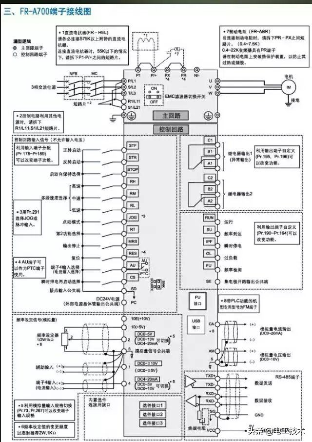
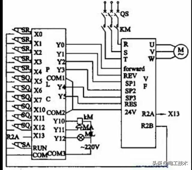
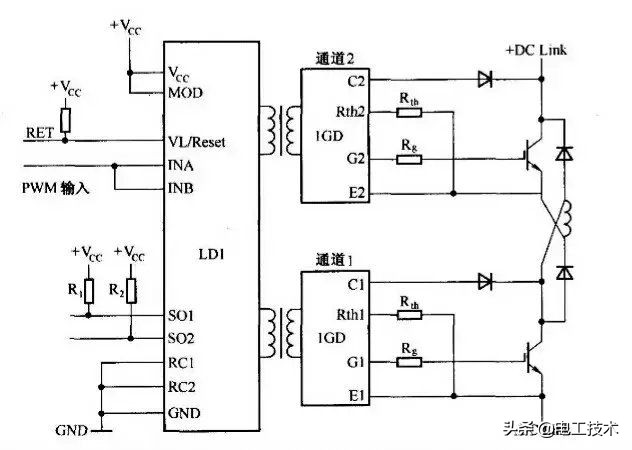
变频器外部接线大全,全是实物接线图,值得收藏

 火.. [复制链接]
  • 打卡等级:即来则安
  • 打卡总天数:29
  • 打卡月天数:1
  • 打卡总奖励:7791
  • 最近打卡:2025-12-13 17:25:16

2540

主题

1353

回帖

2万

积分

管理员

积分
21301
发表于 2021-1-10 20:02:27 | 显示全部楼层 |阅读模式
















































本帖子中包含更多资源

您需要 登录 才可以下载或查看,没有账号?立即注册

×
工控课堂 www.gkket.com

0

主题

120

回帖

376

积分

注册会员

积分
376
发表于 2021-1-10 20:02:28 | 显示全部楼层
激动人心,无法言表!
工控课堂 www.gkket.com

0

主题

305

回帖

762

积分

中级会员

积分
762
发表于 2021-1-10 21:05:53 | 显示全部楼层
楼主加油,我们都看好你哦。
工控课堂 www.gkket.com

0

主题

8

回帖

46

积分

新手上路

积分
46
发表于 2021-2-28 15:07:07 | 显示全部楼层
谢谢老师分享,学习学习
工控课堂 www.gkket.com

0

主题

1451

回帖

4571

积分

金牌会员

积分
4571
发表于 2025-11-16 21:37:18 | 显示全部楼层
理性围观,感觉大家说得都有道理
工控课堂 www.gkket.com

0

主题

172

回帖

537

积分

中级会员

积分
537
发表于 2025-11-16 22:22:33 | 显示全部楼层
求个链接 / 教程,楼主好人一生平安~
工控课堂 www.gkket.com

0

主题

69

回帖

97

积分

新手上路

积分
97
QQ
发表于 2025-11-16 22:28:37 | 显示全部楼层
水个经验,支持楼主,加油呀
工控课堂 www.gkket.com

0

主题

94

回帖

138

积分

新手上路

积分
138
发表于 2025-11-16 22:33:51 | 显示全部楼层
这评论区卧虎藏龙,个个都是人才!
工控课堂 www.gkket.com

0

主题

74

回帖

283

积分

注册会员

积分
283
发表于 2025-11-16 22:35:05 | 显示全部楼层
画面感太强了,仿佛身临其境!
工控课堂 www.gkket.com

0

主题

81

回帖

237

积分

注册会员

积分
237
发表于 2025-11-16 22:46:35 | 显示全部楼层
谁懂啊!真的被戳中笑点 / 泪点了
工控课堂 www.gkket.com
您需要登录后才可以回帖 登录 | 立即注册

本版积分规则

关闭

站长推荐上一条 /1 下一条

QQ|手机版|免责声明|本站介绍|工控课堂 ( 沪ICP备20008691号-1 )

GMT+8, 2025-12-22 17:52 , Processed in 0.096100 second(s), 28 queries .

Powered by Discuz! X3.5

© 2001-2025 Discuz! Team.

快速回复 返回顶部 返回列表