找回密码
 立即注册

QQ登录

只需一步,快速开始

查看: 6157|回复: 13

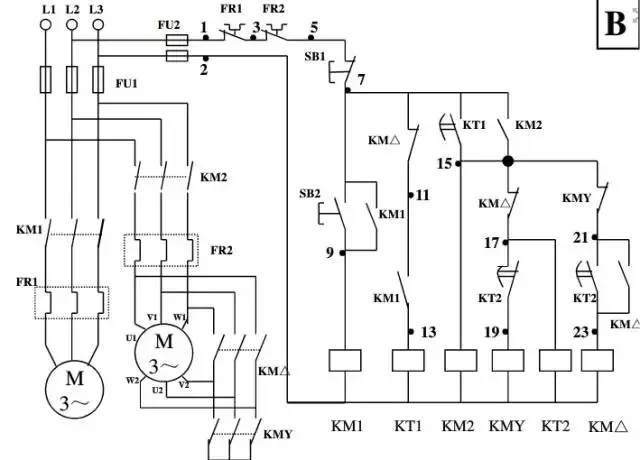
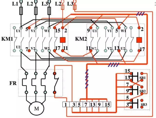
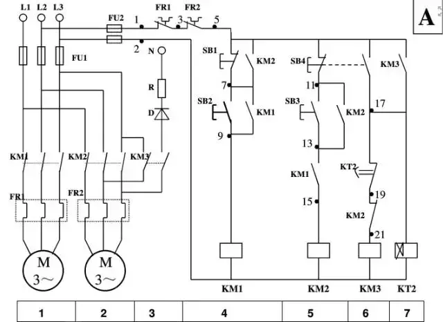
电气识图方法+电气图画法+电气图例符号大全

 火.. [复制链接]
  • 打卡等级:常驻代表
  • 打卡总天数:34
  • 打卡月天数:6
  • 打卡总奖励:9027
  • 最近打卡:2025-12-17 23:15:51

2823

主题

541

回帖

2万

积分

管理员

积分
22569
发表于 2021-2-3 19:23:44 | 显示全部楼层 |阅读模式

















































































































本帖子中包含更多资源

您需要 登录 才可以下载或查看,没有账号?立即注册

×
工控课堂 www.gkket.com

0

主题

91

回帖

270

积分

注册会员

积分
270
发表于 2021-2-3 19:27:22 | 显示全部楼层
我顶,我顶,我顶顶顶
工控课堂 www.gkket.com

0

主题

163

回帖

379

积分

注册会员

积分
379
发表于 2021-2-3 21:27:42 | 显示全部楼层
无私奉献,好工控人,32个赞送给你!!
工控课堂 www.gkket.com

0

主题

8

回帖

26

积分

新手上路

积分
26
发表于 2024-5-17 23:49:05 | 显示全部楼层
必须点赞
工控课堂 www.gkket.com
回复

使用道具 举报

0

主题

73

回帖

124

积分

新手上路

积分
124
发表于 2025-11-14 02:58:41 | 显示全部楼层
同款经历!我当初也这么过来的😂
工控课堂 www.gkket.com

0

主题

100

回帖

143

积分

新手上路

积分
143
发表于 2025-11-14 03:16:42 | 显示全部楼层
不请自来,只为说一句:太精彩了!
工控课堂 www.gkket.com

0

主题

92

回帖

138

积分

新手上路

积分
138
发表于 2025-11-14 03:28:32 | 显示全部楼层
蹲一波同款,有没有姐妹 / 兄弟推荐?
工控课堂 www.gkket.com

0

主题

70

回帖

102

积分

新手上路

积分
102
发表于 2025-11-14 03:38:01 | 显示全部楼层
楼主太会说了,字字句句都在理
工控课堂 www.gkket.com

0

主题

95

回帖

145

积分

新手上路

积分
145
发表于 2025-11-14 03:46:13 | 显示全部楼层
蹲个后续,楼主记得更新呀,在线等挺急的~
工控课堂 www.gkket.com

0

主题

107

回帖

232

积分

注册会员

积分
232
发表于 2025-11-14 03:52:46 | 显示全部楼层
我先占个楼,等下再慢慢看~
工控课堂 www.gkket.com
您需要登录后才可以回帖 登录 | 立即注册

本版积分规则

关闭

站长推荐上一条 /1 下一条

QQ|手机版|免责声明|本站介绍|工控课堂 ( 沪ICP备20008691号-1 )

GMT+8, 2025-12-23 12:09 , Processed in 0.258985 second(s), 27 queries .

Powered by Discuz! X3.5

© 2001-2025 Discuz! Team.

快速回复 返回顶部 返回列表