找回密码
 立即注册

QQ登录

只需一步,快速开始

查看: 4675|回复: 12

如何看懂电气图纸?老师傅手把手教你学习电气图纸,新...

 火.. [复制链接]
  • 打卡等级:即来则安
  • 打卡总天数:29
  • 打卡月天数:1
  • 打卡总奖励:7791
  • 最近打卡:2025-12-13 17:25:16

2540

主题

1355

回帖

2万

积分

管理员

积分
21304
发表于 2021-3-13 20:04:50 | 显示全部楼层 |阅读模式
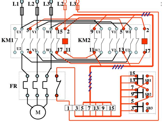
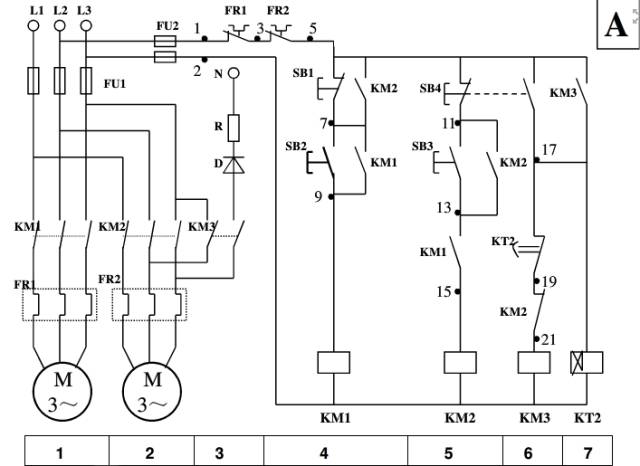
电气图定义:用电气图形符号、带注释的围框或简化外形表示电气系统或设备中组成部分之间相互关系及其连接关系的一种图。如何看懂电气图纸?下面将详细为朋友们介绍!
总结:看图的一般方法是先看主电路,后看辅助电路,并用辅助电路的回路研究主电路的控制程序,看图的步骤首先是看主电路中有哪几种电气设备,每个电气设备的用途,接线方式和有关要求与联系.就以电动机为例,从种类上看是直流还是交流;是异步还是同步;从绕组上看是星形接线还是三角形接线;从起动方式上看是全压起动还是降压起动;釆用哪种控制方式,是正转还是反转的,等等.再全面了解其它电器组件的相互联系和作用,如电源开关,熔断器,继电器,接触器等,以及各种电器组件的电压等级,然后再看图中辅助电路的构成,并根据辅助电路的回路研究电路的动作情况,以及电路中各组件的相互关系和动作联系等.全面了解上述问题后,便可综合在一起看电路图了.

工控课堂 www.gkket.com

0

主题

92

回帖

219

积分

注册会员

积分
219
发表于 2021-3-13 20:04:50 | 显示全部楼层
真是难得给力的帖子啊。
工控课堂 www.gkket.com

0

主题

169

回帖

432

积分

注册会员

积分
432
发表于 2021-3-14 13:28:29 | 显示全部楼层
无私奉献,好工控人,32个赞送给你!!
工控课堂 www.gkket.com

0

主题

93

回帖

144

积分

新手上路

积分
144
发表于 2025-11-14 15:17:25 | 显示全部楼层
不请自来,只为说一句:太精彩了!
工控课堂 www.gkket.com

0

主题

87

回帖

133

积分

新手上路

积分
133
发表于 2025-11-14 15:21:39 | 显示全部楼层
救命!这回复笑到我捶桌,必须置顶~
工控课堂 www.gkket.com

0

主题

80

回帖

126

积分

新手上路

积分
126
发表于 2025-11-14 15:27:44 | 显示全部楼层
原来还有这种操作,长见识了!
工控课堂 www.gkket.com

0

主题

78

回帖

119

积分

新手上路

积分
119
发表于 2025-11-14 16:39:30 | 显示全部楼层
浅蹲一个后续,楼主更新踢我一下
工控课堂 www.gkket.com

0

主题

67

回帖

100

积分

新手上路

积分
100
发表于 2025-11-14 21:25:05 | 显示全部楼层
画面感太强了,仿佛身临其境!
工控课堂 www.gkket.com

0

主题

71

回帖

108

积分

新手上路

积分
108
发表于 2025-11-19 13:00:57 | 显示全部楼层
蹲一波同款,有没有小伙伴推荐?
工控课堂 www.gkket.com

0

主题

79

回帖

125

积分

新手上路

积分
125
发表于 2025-11-19 13:08:46 | 显示全部楼层
打卡路过,支持优质原创内容~
工控课堂 www.gkket.com
您需要登录后才可以回帖 登录 | 立即注册

本版积分规则

关闭

站长推荐上一条 /1 下一条

QQ|手机版|免责声明|本站介绍|工控课堂 ( 沪ICP备20008691号-1 )

GMT+8, 2025-12-22 23:12 , Processed in 0.250862 second(s), 26 queries .

Powered by Discuz! X3.5

© 2001-2025 Discuz! Team.

快速回复 返回顶部 返回列表