找回密码
 立即注册

QQ登录

只需一步,快速开始

查看: 2978|回复: 12

变频器共直流母排驱动系统的原理、特点,精心整理共同...

 火.. [复制链接]
  • 打卡等级:常驻代表
  • 打卡总天数:34
  • 打卡月天数:6
  • 打卡总奖励:9027
  • 最近打卡:2025-12-17 23:15:51

2823

主题

541

回帖

2万

积分

管理员

积分
22569
发表于 2021-3-22 20:16:06 | 显示全部楼层 |阅读模式
直流母线技术是在多电机交流调速系统中,采用单独的整流/回馈装置为系统提供一定功率的直流电源,调速用逆变器直接挂接在直流母线上。当系统工作在电动状态时,逆变器从母线上获取电能;当系统工作在发电状态时,能量通过母线及回馈装置直接回馈给电网,以达到节能、提高设备运行可靠性、减少设备维护量和设备占地面积等目的。


一、共直流母线系统的由来
对于频繁启动、制动,或是四象限运行的电动机而言,如何处理制动过程不仅影响系统的动态响应,而且还有经济效益的问题。于是,回馈制动成为人们讨论的焦点,然而在目前大部分的通用变频器还不能通过单独的一台变频器来实现再生能量的情况下,如何用最简单的办法来实现回馈制动呢?
为解决以上问题,这里介绍了一种共用直流母线方式的再生能量回馈系统,通过这种方式,可以将制动产生的再生能量进行充分利用,从而起到既节约电能又处理再生电能的功效。


二、共直流母线系统的组成
共直流母线控制系统通常由整流/回馈单元、公共直流母线、逆变单元等组成。回馈单元可分为通过自耦变压器的能量回馈和不通过自耦变压器的能量回馈两种方式。通过自耦变压器的能量回馈可提高回馈支路中的电源电压,目的是在能量回馈过程中不必降低中间回路电压,使得逆变器能够获得一个较恒稳的直流电源;不通过自耦变压器的能量回馈实际上是保持系统一直处在回馈状态,在整流过程中依靠持续降低具有相角控制的中间回路的电压来实现。


三、共直流母线系统的原理
我们知道通常意义上的异步电动机多传动包括整流桥、直流母线供电回路、若干个逆变器,其中电动机需要的能量是以直流方式通过PWM逆变器输出的。在多传动方式下,制动时感生能量就反馈到直流回路。通过直流回路,这部分反馈能量就可以消耗在其他处在电动状态的电动机上,制动要求特别高时,只需要在共用母线上并上一个共用制动单元即可。
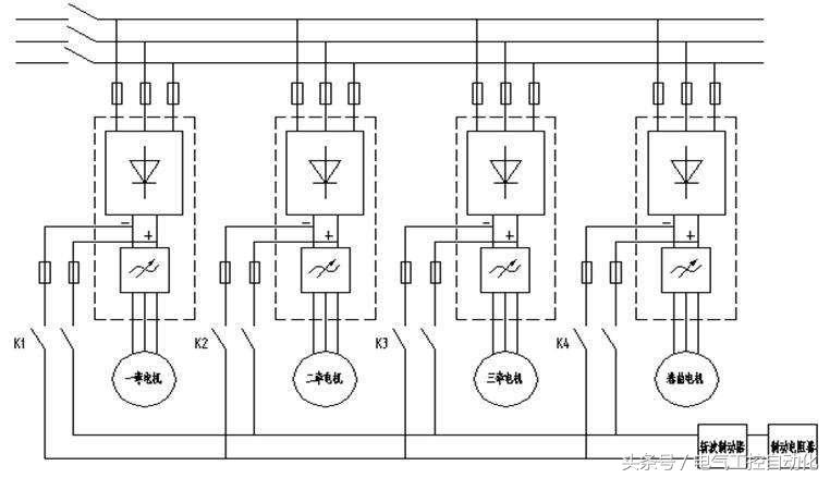
图1所示接线是典型的共用直流母线的制动方式,M1处于电动状态,M2经常处于发电状态,三相交流电源380V接到VF1上。


图1 共用直流母线的回馈制动方式
处于电动状态的电动机M1上的变频器VF1,VF2,通过共用直流母线方式与VF1的母线相连。在此种方式下,VF2仅作为逆变器使用,M2处于电动状态时,所需能量由交流电网通过VF1的整流桥获得;M2处于发电状态时,反馈能量通过直流母线由M2的电动状态消耗。
四、共直流母线系统的优点
1、共直流母线系统是解决多电机传动技术的最优方案,很好地解决了多电机间电动状态和发电状态之间的矛盾。在同一系统中,同一时刻不同装置可工作在不同的状态,整流回馈单元保证了公共直流母线电压的稳定供给,又将多余的能量回馈给电网,实现了再生能源的合理利用。
2、共直流母线系统设备结构紧凑,工作稳定。在多电机传动系统中省去了大量的制动单元、制动电阻等外围设备,节省了设备占地面积和设备维护量,减少了设备故障点,提高了设备的整体控制水平。
3、在辊道等多电机传动的场合应用共直流母线技术是辊道调速的一种发展方向,它能在取得较高的动静态性能、调速精度的同时将系统再生能量加以合理利用和回收。


五、共直流母线系统设计的几点注意事项
1、逆变器需共享整流装置,此整流装置为共用直流母线专用装置;
2、逆变器尽量安装在一起,避免远距离配线,最好在同一个电气房;
3、逆变器每一台都必须另外作隔离保护装置;
4、不能使用一般变频器作公共直流母线使用,否则会有炸机的危险;
5、电机M1~M4的容量功率可以不必相同,但必须考虑停机时能量反馈能否被用掉。
6、一般运转台数在4~12台(电机功率可以不相同)一组公共直流母线为佳;
7、逆变器可以驱动永磁同步电机,解决起动的冲击问题;

本帖子中包含更多资源

您需要 登录 才可以下载或查看,没有账号?立即注册

×
工控课堂 www.gkket.com

0

主题

126

回帖

348

积分

注册会员

积分
348
发表于 2021-3-22 20:16:08 | 显示全部楼层
真是难得给力的帖子啊。
工控课堂 www.gkket.com

0

主题

123

回帖

345

积分

注册会员

积分
345
发表于 2021-3-22 22:36:20 | 显示全部楼层
在遇到你之前我对人世间是否有技术大佬保有怀疑,现在我是彻底被你征服了
工控课堂 www.gkket.com

0

主题

1451

回帖

4571

积分

金牌会员

积分
4571
发表于 2025-11-23 09:41:33 | 显示全部楼层
浅评一下:内容优质,值得推荐~
工控课堂 www.gkket.com

0

主题

80

回帖

119

积分

新手上路

积分
119
发表于 2025-11-23 09:54:04 | 显示全部楼层
浅蹲一个后续,楼主更新踢我一下
工控课堂 www.gkket.com

0

主题

114

回帖

327

积分

注册会员

积分
327
发表于 2025-11-23 09:58:08 | 显示全部楼层
赞同 + 10086,没毛病,完全没毛病
工控课堂 www.gkket.com

0

主题

96

回帖

164

积分

新手上路

积分
164
QQ
发表于 2025-11-23 10:04:40 | 显示全部楼层
楼主太会说了,字字句句都在理
工控课堂 www.gkket.com

0

主题

85

回帖

127

积分

新手上路

积分
127
发表于 2025-11-23 10:07:31 | 显示全部楼层
同款经历!简直是世另我
工控课堂 www.gkket.com

0

主题

134

回帖

581

积分

中级会员

积分
581
发表于 2025-11-23 10:10:50 | 显示全部楼层
赞同 + 10086,完全说出了我的想法!
工控课堂 www.gkket.com

0

主题

64

回帖

93

积分

新手上路

积分
93
发表于 2025-11-23 10:14:00 | 显示全部楼层
画面感太强了,仿佛身临其境!
工控课堂 www.gkket.com
您需要登录后才可以回帖 登录 | 立即注册

本版积分规则

关闭

站长推荐上一条 /1 下一条

QQ|手机版|免责声明|本站介绍|工控课堂 ( 沪ICP备20008691号-1 )

GMT+8, 2025-12-22 12:19 , Processed in 0.406398 second(s), 29 queries .

Powered by Discuz! X3.5

© 2001-2025 Discuz! Team.

快速回复 返回顶部 返回列表