找回密码
 立即注册

QQ登录

只需一步,快速开始

查看: 4626|回复: 12

高压供电系统主接线图及变配电系统图讲解,非常详细

 火.. [复制链接]
  • 打卡等级:常驻代表
  • 打卡总天数:34
  • 打卡月天数:6
  • 打卡总奖励:9027
  • 最近打卡:2025-12-17 23:15:51

2823

主题

541

回帖

2万

积分

管理员

积分
22569
发表于 2021-3-22 20:35:51 | 显示全部楼层 |阅读模式
一、高压供电系统主接线图
变电所的主接线图是指由各种开关电器、电力变压器断路器、隔离开关、避雷器、互感器、母线、电力电缆、移相电容器等电气设备按一定次序相连接的具有接收和分配电能的电路。电气主接线图一般以单线图的形式表示。


1.线路—变压器组接线
当只有一路电源供电和一台变压器时,可采用线路—变压器组接线,如图2-44所示。

图2-44 线路—变压器组接线图


根据变压器高压侧情况的不同,可以选择如图2-44所示的4种开关电器。当电源侧继电保护装置能保护变压器且灵敏度满足要求时,变压器高压侧可只装设隔离开关①;当变压器高压侧短路容量不超过高压熔断器断流容量,而又允许采用高压熔断器保护变压器时,变压器高压侧可装设跌落式熔断②或负荷开关—熔断器③,一般情况下,在变压器高压侧装设隔离开关和断路器④。
当高压侧装设负荷开关时,变压器容量不大于1250kVA;高压侧装设隔离开关或跌落式熔断器时,变压器容量一般不大于630kVA。
线路—变压器组接线的优点是接线简单,所用电气设备少,配电装置简单,投资少。缺点是该单元中任一设备发生故障或检修时,变电所全部停电,可靠度不高。
线路—变压器组接线适用于小容量三级负荷、小型企业或非生产用户。
2.单母线接线
母线又称汇流排,用于汇集和分配电能。单母线接线又分为单母线不分段和单母线分段两种。
(1)单母线不分段接线。当只有一路电源进线时,常用这种接线,如图2-45(a)所示,每路进线和出线装设一只隔离开关和断路器。靠近线路的隔离开关称线路隔离开关,靠近母线的隔离开关称为母线隔离开关。单母线不分段接线的优点是接线简单清晰,使用设备少,经济性比较好。缺点是可靠性和灵活性差,当电源线路、母线或母线隔离开关发生故障或进行检修时,全部用户供电中断。此种接线适用于对供电要求不高的三级负荷用户,或者有备用电源的二级负荷用户。

图2-45 单母线接线图


(a)单母线不分段;(b)单母线分段
(2)单母线分段接线。当有双电源供电时,常采用单母线分段接线,如图2-45(b)所示,可采用隔离开关或断路器分段,隔离开关分断操作不方便,目前已不采用。单母线分段接线可以分段单独运行,也可以并列同时运行。
采用分段单独运行时,各段相当于单母线不分段接线的运行状态,各段母线的电气系统互不影响。当任一段母线发生故障或检修时,仅停止对该段母线所带负荷的供电。当任一电源线路故障或检修时,则可经倒闸操作恢复该段母线所带负荷的供电。
采用并列运行时,若遇电源检修,无需母线停电,只需断开电源的断路器及其隔离开关,调整另外电源的负荷就可以。担当母线故障或检修时,就会引起正常母线的短时停电。这种接线的优点是供电可靠性高,操作灵活,除母线故障或检修外,可对用户连续供电。缺点是母线故障或检修时,仍有50%左右的用户停电。
3.桥式接线
所谓桥式接线是指在两路电源进线之间跨接一个断路器。断路器跨接在进线断路器的内侧,靠近变压器,称为内桥式接线,如图2-46(a)所示。若断路器在进线断路器的外侧,靠近电源侧,则称为外桥式接线,如图2-46(b)所示。
(1)内桥式主接线。内桥式主接线如图2-46(a)所示。线路WL1、WL2来自两个独立电源,经过断路器QF1、QF2分别接至变压器T1、T2的高压侧,向变电所供电,变压器回路仅装隔离开关QS3、QS6。当线路WL1发生故障或检修时,断路器QF1断开,变压器T1由线路WL2经桥接断路器QF3继续供电。
同理,当线路WL2发生故障或检修时,变压器T2由线路WL1经桥接断路器QF3继续供电。因此,这种接线大大提高了供电的可靠性和灵活性。但当变压器故障或检修时,必须进行倒闸操作,操作较复杂且时间较长。当变压器T1发生故障时,QF1和QF3因故障跳闸,此时,打开QS3后再合上QF1和QF3,即可恢复WL1线路的工作。内桥式接线的主要特点是对电源进线回路操作非常方便、灵活,供电可靠性高。

图2-46 桥式接线图


(a)内桥式接线;(b)外桥式接线
内桥式接线适用于以下条件的总降压变电所:
1)供电线路长,线路故障几率大。
2)负荷比较平稳,主变压器不需要频繁切换操作。
3)没有穿越功率的终端总降压变电所。
所谓穿越功率是指某一功率由一条线路流入并穿越横跨桥又经另一线路流出的功率。
(2)外桥式主接线。外桥式主接线如图2-46(b)所示。其特点是变压器回路装断路器,线路WL1、WL2仅装线路隔离开关。任一变压器检修或故障时,如变压器T1发生故障,断开QF1,打开其两侧隔离开关,然后合上QF3两侧隔离开关,再合上QF3,是两路电源进线又恢复并列运行。当线路检修或故障时,需进行倒闸操作,操作较复杂且时间较长。外桥式接线的主要特点是对变压器回路操作非常方便、灵活,供电可靠性高。
外桥式接线适用于以下条件的总降压变电所:
1)供电线路短,线路故障几率小;
2)用户负荷变化大,主变压器需要频繁切换操作;
3)有穿越功率流经的中间变电所,因为采用外桥式接线,总降压变电所运行方式的变化将不影响公共电力系统的潮流。
二、变配电系统图
1.独立变电所主接线
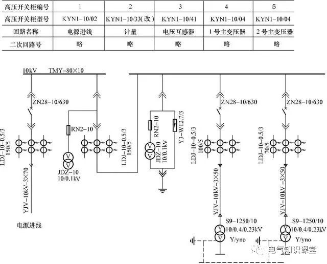
如图2-47所示是某单位独立变电所主接线设计图。该变电所一路电缆进线,装两台S9-800kVA10/0.4/0.23kV变压器,选用KYN1-10型金属移开式开关柜,其中进线柜、计量柜和电压互感器、避雷器柜各1只,馈线柜2只。图中标明了开关柜的型号、编号、回路方案号及柜内设备型号规格。

图2-47 某单位独立变电所主接线设计图


2.总降压变电所主接线
如图2-48所示是某单位35/10kV总降压变电所主接线,该变电所两路电源架空进线,两台主变压器,一、二次侧均采用单母线分段主接线,35kV和10kV主接线选用移开式开关柜。

图2-48 某单位35/10kV总降压变电所主接线设计图



本帖子中包含更多资源

您需要 登录 才可以下载或查看,没有账号?立即注册

×
工控课堂 www.gkket.com

0

主题

154

回帖

471

积分

注册会员

积分
471
发表于 2021-3-22 20:35:52 | 显示全部楼层
无回帖,不论坛,这才是人道。
工控课堂 www.gkket.com

0

主题

432

回帖

2643

积分

高级会员

积分
2643
发表于 2021-3-22 20:41:03 | 显示全部楼层
感恩无私的分享与奉献
工控课堂 www.gkket.com

0

主题

78

回帖

119

积分

新手上路

积分
119
发表于 2025-11-13 06:51:23 | 显示全部楼层
路过混个脸熟,顺便为优质内容打 call~
工控课堂 www.gkket.com

0

主题

90

回帖

144

积分

新手上路

积分
144
发表于 2025-11-14 18:39:38 | 显示全部楼层
不请自来,只为说一句:太精彩了!
工控课堂 www.gkket.com

0

主题

98

回帖

149

积分

新手上路

积分
149
发表于 2025-11-14 19:39:24 | 显示全部楼层
蹲个后续,楼主记得更新呀,在线等挺急的~
工控课堂 www.gkket.com

0

主题

128

回帖

206

积分

注册会员

积分
206
发表于 2025-11-14 23:53:25 | 显示全部楼层
我先占个楼,等下再慢慢看~
工控课堂 www.gkket.com

0

主题

64

回帖

92

积分

新手上路

积分
92
发表于 2025-11-14 23:59:35 | 显示全部楼层
同款经历!我当初也这么过来的😂
工控课堂 www.gkket.com

0

主题

109

回帖

165

积分

新手上路

积分
165
发表于 2025-11-15 00:02:26 | 显示全部楼层
水个经验,支持楼主,加油呀
工控课堂 www.gkket.com

0

主题

112

回帖

252

积分

注册会员

积分
252
发表于 2025-11-15 00:04:50 | 显示全部楼层
不请自来,就想夸一句:太顶了!
工控课堂 www.gkket.com
您需要登录后才可以回帖 登录 | 立即注册

本版积分规则

关闭

站长推荐上一条 /1 下一条

QQ|手机版|免责声明|本站介绍|工控课堂 ( 沪ICP备20008691号-1 )

GMT+8, 2025-12-22 14:08 , Processed in 0.497502 second(s), 27 queries .

Powered by Discuz! X3.5

© 2001-2025 Discuz! Team.

快速回复 返回顶部 返回列表