找回密码
 立即注册

QQ登录

只需一步,快速开始

查看: 4844|回复: 15

FX3U三菱PLC硬件相关介绍

 火... [复制链接]
  • 打卡等级:即来则安
  • 打卡总天数:28
  • 打卡月天数:7
  • 打卡总奖励:7961
  • 最近打卡:2025-12-22 17:16:30

3317

主题

285

回帖

2万

积分

管理员

积分
24106
发表于 2021-4-24 11:29:58 | 显示全部楼层 |阅读模式
描述:
本篇文章给大家介绍一下三菱FX3U系列的PLC,现在大部分设备采用的都是FX3U的PLC,因为FX3U是FX2N的升级产品,在性能上和运算速率上都比FX2N快很多,故为大家介绍一下FX3U系列PLC硬件和源型/漏型输入输出接线相关的介绍。
一:正面面板
二:侧面
三:FX3U系列基本单元介绍
FX3U-16MR/ES-A 基本单元,内置8入/8出(继电器),AC电源
FX3U-32MR/ES-A 基本单元,内置16入/16出(继电器) ,AC电源
FX3U-48MR/ES-A 基本单元,内置24入/24出(继电器) ,AC电源
FX3U-64MR/ES-A 基本单元,内置32入/32出(继电器) ,AC电源
FX3U-80MR/ES-A 基本单元,内置40入/40出(继电器) ,AC电源
FX3U-128MR/ES-A 基本单元,内置64入/64出(继电器) ,AC电源
FX3U-16MT/ES-A 基本单元,内置8入/8出(晶体管漏型),AC电源
FX3U-32MT/ES-A 基本单元,内置16入/16出(晶体管漏型),AC电源
FX3U-48MT/ES-A 基本单元,内置24入/24出(晶体管漏型),AC电源
FX3U-64MT/ES-A 基本单元,内置32入/32出(晶体管漏型),AC电源
FX3U-80MT/ES-A 基本单元,内置40入/40出(晶体管漏型),AC电源
FX3U-128MT/ES-A 基本单元,内置64入/64出(晶体管漏型),AC电源
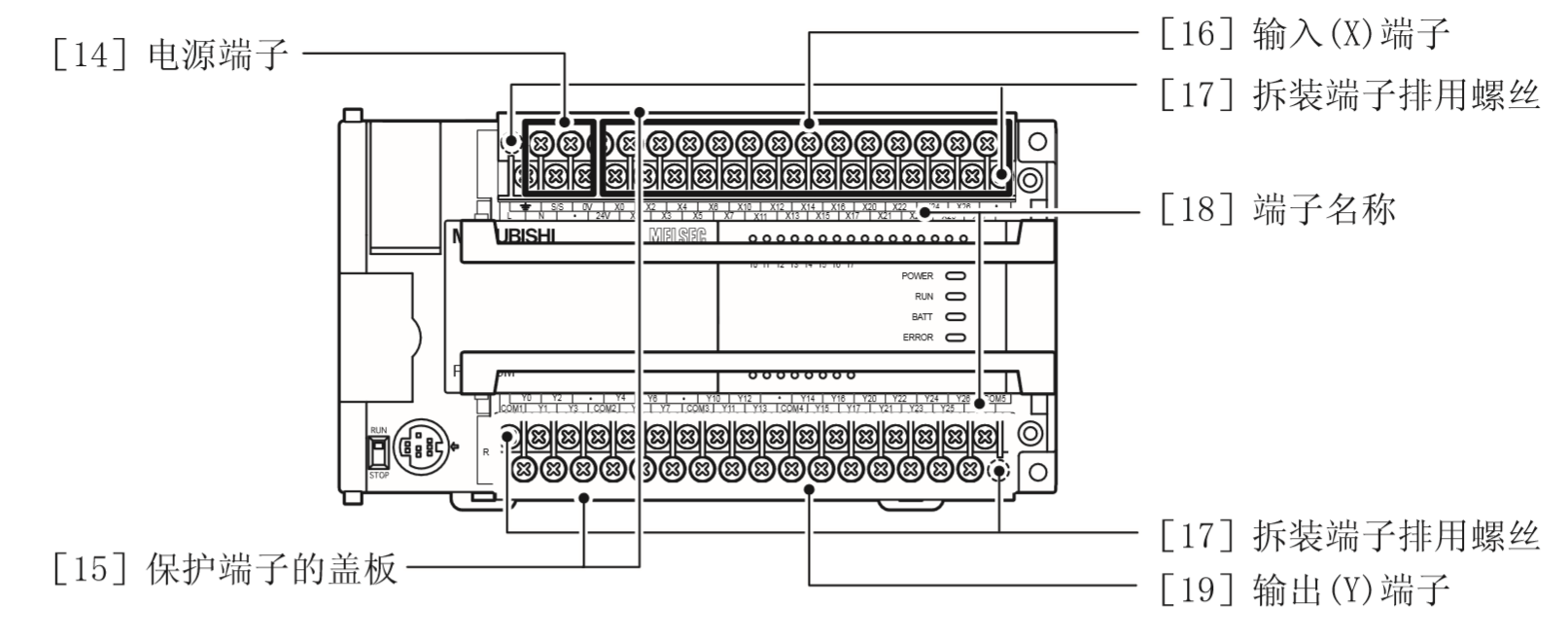
四:端子排介绍
五:连接基本单元和扩展单元方法
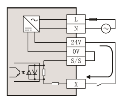
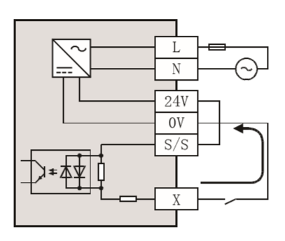
六:接线方式(漏型/源型)
1)扩展电源单元外部接线(漏型输入【-公共端】)
2)扩展电源单元外部接线(源型输入【+公共端】)
七:漏型/源型输入介绍
1) 漏型输入【-公共端】
当DC输入信号是从输入(X)端子流出电流然后输入时,称为漏型输入。
连接晶体管输出型的传感器输出等时,可以使用NPN集电极开路型晶体管输出。
2) 源型输入【+公共端】
当DC输入信号是电流流向到输入(X)端子的输入时,称为源型输入。
连接晶体管输出型的传感器输出等时,可以使用PNP集电极开路型晶体管输出。
3)AC电源型和DC电源型接线
4)输入端子接线
八:漏型/源型输出介绍
1) 漏型输出【-公共端】
负载电流流到输出(Y)端子,这样的输出称为漏型输出
2) 源型输出【+公共端】
负载电流从输出(Y)端子流出,这样的输出称为源型输出
3)(基本单元)继电器输出型
4)继电器外部输出接线
5)漏型输出型
负载电流流入输出(Y)端子。
6)源型输出型
负载电流从输出(Y)端子中流出
结论:FX3U三菱PLC硬件相关介绍完毕,喜欢的朋友们请点击右上角关注。

本帖子中包含更多资源

您需要 登录 才可以下载或查看,没有账号?立即注册

×
工控课堂 www.gkket.com

0

主题

100

回帖

217

积分

注册会员

积分
217
发表于 2021-4-24 11:29:59 | 显示全部楼层
绝对干货,楼主给力,支持了!!!
工控课堂 www.gkket.com

0

主题

92

回帖

276

积分

注册会员

积分
276
发表于 2021-4-24 21:30:58 | 显示全部楼层
楼主您的技术水准,我最服你,其他都是浮云
工控课堂 www.gkket.com

0

主题

231

回帖

505

积分

高级会员

积分
505
发表于 2024-7-18 13:55:41 | 显示全部楼层
强烈支持楼主ing……
工控课堂 www.gkket.com

0

主题

1451

回帖

4571

积分

金牌会员

积分
4571
发表于 2025-11-13 03:03:12 | 显示全部楼层
被戳中笑点 / 泪点,太真实了!
工控课堂 www.gkket.com

0

主题

91

回帖

139

积分

新手上路

积分
139
发表于 2025-11-13 03:18:07 | 显示全部楼层
楼主辛苦啦,期待下一篇分享
工控课堂 www.gkket.com

0

主题

191

回帖

517

积分

中级会员

积分
517
发表于 2025-11-13 03:18:22 | 显示全部楼层
这波反向操作,我属实没想到!
工控课堂 www.gkket.com

0

主题

104

回帖

159

积分

新手上路

积分
159
发表于 2025-11-13 03:21:11 | 显示全部楼层
谁懂啊!真的被戳中笑点 / 泪点了
工控课堂 www.gkket.com

0

主题

74

回帖

105

积分

新手上路

积分
105
发表于 2025-11-13 03:38:58 | 显示全部楼层
楼主太会说了,字字句句都在理~
工控课堂 www.gkket.com

0

主题

97

回帖

361

积分

注册会员

积分
361
发表于 2025-11-13 04:33:22 | 显示全部楼层
楼主太会说了,字字句句都在理
工控课堂 www.gkket.com
您需要登录后才可以回帖 登录 | 立即注册

本版积分规则

关闭

站长推荐上一条 /1 下一条

QQ|手机版|免责声明|本站介绍|工控课堂 ( 沪ICP备20008691号-1 )

GMT+8, 2025-12-22 17:19 , Processed in 0.230829 second(s), 31 queries .

Powered by Discuz! X3.5

© 2001-2025 Discuz! Team.

快速回复 返回顶部 返回列表