找回密码
 立即注册

QQ登录

只需一步,快速开始

查看: 4400|回复: 13

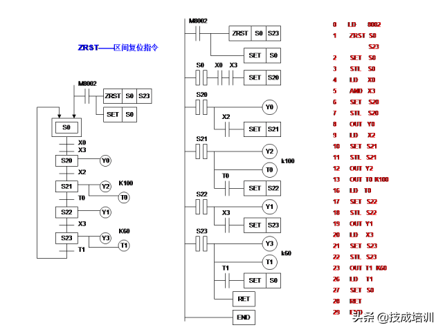
24个三菱PLC编程入门案例分享

 火.. [复制链接]
  • 打卡等级:常驻代表
  • 打卡总天数:34
  • 打卡月天数:6
  • 打卡总奖励:9027
  • 最近打卡:2025-12-17 23:15:51

2823

主题

541

回帖

2万

积分

管理员

积分
22569
发表于 2021-5-2 21:52:43 | 显示全部楼层 |阅读模式
理论学的再好
没有通过实践检验
就不能说明你会
24个入门级实例帮你轻松掌握
↓↓↓






































































































工控课堂 www.gkket.com

0

主题

96

回帖

380

积分

注册会员

积分
380
发表于 2021-5-3 00:42:29 | 显示全部楼层
这个类目最活跃了!赞一个!
工控课堂 www.gkket.com

0

主题

114

回帖

471

积分

注册会员

积分
471
发表于 2021-5-3 02:49:41 | 显示全部楼层
淡定,淡定,淡定……
工控课堂 www.gkket.com

0

主题

2

回帖

29

积分

新手上路

积分
29
发表于 2021-5-7 20:00:24 来自手机 | 显示全部楼层
谢谢分享
来自: 微社区
工控课堂 www.gkket.com
回复

使用道具 举报

0

主题

126

回帖

393

积分

注册会员

积分
393
发表于 2025-11-19 17:39:03 | 显示全部楼层
水个经验,楼主加油,支持你~
工控课堂 www.gkket.com

0

主题

119

回帖

176

积分

新手上路

积分
176
发表于 2025-11-19 18:26:58 | 显示全部楼层
这波反向操作,我属实没想到!
工控课堂 www.gkket.com

0

主题

99

回帖

236

积分

注册会员

积分
236
发表于 2025-11-19 18:45:10 | 显示全部楼层
浅蹲一个后续,楼主更新踢我一下
工控课堂 www.gkket.com

0

主题

145

回帖

234

积分

注册会员

积分
234
发表于 2025-11-19 18:52:19 | 显示全部楼层
评论区人才辈出,笑到停不下来😂
工控课堂 www.gkket.com

0

主题

83

回帖

130

积分

新手上路

积分
130
发表于 2025-11-19 18:54:22 | 显示全部楼层
笑不活了,评论区比正文还精彩
已转发给朋友,一起快乐一下
工控课堂 www.gkket.com

0

主题

92

回帖

135

积分

新手上路

积分
135
发表于 2025-11-19 18:56:38 | 显示全部楼层
原来还有这种操作,长见识了!
工控课堂 www.gkket.com
您需要登录后才可以回帖 登录 | 立即注册

本版积分规则

关闭

站长推荐上一条 /1 下一条

QQ|手机版|免责声明|本站介绍|工控课堂 ( 沪ICP备20008691号-1 )

GMT+8, 2025-12-22 18:02 , Processed in 0.209373 second(s), 27 queries .

Powered by Discuz! X3.5

© 2001-2025 Discuz! Team.

快速回复 返回顶部 返回列表