找回密码
 立即注册

QQ登录

只需一步,快速开始

查看: 4761|回复: 13

动画实例演示!三菱FX3U PLC与步进驱动器实物控制接线图

 火.. [复制链接]
  • 打卡等级:常驻代表
  • 打卡总天数:34
  • 打卡月天数:6
  • 打卡总奖励:9027
  • 最近打卡:2025-12-17 23:15:51

2823

主题

541

回帖

2万

积分

管理员

积分
22569
发表于 2021-5-7 19:51:50 | 显示全部楼层 |阅读模式
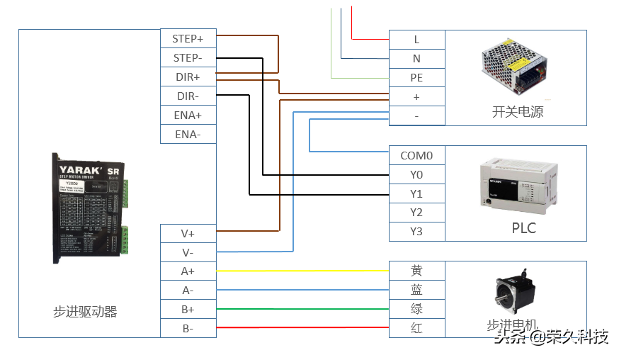
步进驱动器控制要求
当按下启动按钮X0时,步进电机正转一圈,停顿2秒,再反转1圈后停止
开关电源:IN :AC100~240V、OUT1:24V 、OUT2:5V
PLC(晶体管):FX3U-16MT/ES-A,集电极输出
步进驱动器:支持集电极,脉冲+方向形式
步进电机:二相混合式
动态图


静态图


步进驱动器PLC程序
启动程序


步进电机正反程序


延时反转程序


延时正转程序


工控课堂 www.gkket.com

0

主题

96

回帖

299

积分

注册会员

积分
299
发表于 2021-5-7 21:20:22 | 显示全部楼层
在遇到你之前我对人世间是否有技术大佬保有怀疑,现在我是彻底被你征服了
工控课堂 www.gkket.com

0

主题

467

回帖

2566

积分

高级会员

积分
2566
发表于 2021-5-8 04:34:57 | 显示全部楼层
感谢分享,佩服佩服!
工控课堂 www.gkket.com

0

主题

231

回帖

505

积分

高级会员

积分
505
发表于 2024-7-18 13:50:29 | 显示全部楼层
强烈支持楼主ing……
工控课堂 www.gkket.com

0

主题

69

回帖

97

积分

新手上路

积分
97
QQ
发表于 2025-11-16 20:56:09 | 显示全部楼层
这波分析到位,逻辑满分!
工控课堂 www.gkket.com

0

主题

100

回帖

143

积分

新手上路

积分
143
发表于 2025-11-16 21:42:20 | 显示全部楼层
被戳中笑点 / 泪点,太真实了!
工控课堂 www.gkket.com

0

主题

79

回帖

115

积分

新手上路

积分
115
发表于 2025-11-16 23:48:01 | 显示全部楼层
打卡路过,支持优质原创内容~
工控课堂 www.gkket.com

0

主题

84

回帖

126

积分

新手上路

积分
126
发表于 2025-11-16 23:54:52 | 显示全部楼层
蹲个后续,楼主记得更新呀,在线等挺急的~
工控课堂 www.gkket.com

0

主题

61

回帖

78

积分

新手上路

积分
78
发表于 2025-11-17 00:21:57 | 显示全部楼层
楼主辛苦啦,期待下一篇分享!
工控课堂 www.gkket.com

0

主题

85

回帖

133

积分

新手上路

积分
133
发表于 2025-11-17 00:25:14 | 显示全部楼层
学到了学到了,这波分享太实用啦!
工控课堂 www.gkket.com
您需要登录后才可以回帖 登录 | 立即注册

本版积分规则

关闭

站长推荐上一条 /1 下一条

QQ|手机版|免责声明|本站介绍|工控课堂 ( 沪ICP备20008691号-1 )

GMT+8, 2025-12-22 21:30 , Processed in 0.149107 second(s), 28 queries .

Powered by Discuz! X3.5

© 2001-2025 Discuz! Team.

快速回复 返回顶部 返回列表