找回密码
 立即注册

QQ登录

只需一步,快速开始

查看: 3638|回复: 12

星三角降压启动电路,你能这样答出来吗?

 火.. [复制链接]
  • 打卡等级:常驻代表
  • 打卡总天数:34
  • 打卡月天数:6
  • 打卡总奖励:9027
  • 最近打卡:2025-12-17 23:15:51

2823

主题

541

回帖

2万

积分

管理员

积分
22569
发表于 2021-6-30 21:54:04 | 显示全部楼层 |阅读模式
在我的一个同行朋友应聘面试电工的时候,面试的公司给他出了一道题。这个公司是朋友盼望已久非常想进去的,待遇各方面条件都非常不错,工资薪金也高,所以他也非常重视这次面试,想象了无数个面试的场景,都没想到,面试的问题跟笔试一样,还是要答题!最终朋友在100个人面试中,以面试第一应聘成功,直接签订合同,工资起步8000RMB,这在电工行业初进公司也算高的!以后表现好每年再加1000元。
那我们来看看到底面试出的什么题,题目如下。
1 为什么要使用星三角降压启动?星三角降压启动原理?
2 画出星三角降压启动的主电路控制电路并讲清它的运行步骤。
那我们这位朋友是怎么回答的,有什么特别的,为何受应聘官这么器重?来看一下他的答案。
答:因为电机直接启动时电流过大,所以使用星三角降压启动,星形启动时转速是三角运行的三分之一,以降低启动时对电网以及电机的冲击拉低损坏,对于15KW以上的电机拖动重负载而使用的一种最为常用的启动控制线路。
星三角降压启动原理为,电机启动时,将定子绕组接成星形,以降低各相绕组的电压,三相W2\U2\V2进行短接,其实把它看做为一点,(也就是我们所说的中性点)启动时每个绕组上的相电压为220V。(也就是U1/V1/W1各和这个中性点之间电压各为220)随着电机转速的升高通过延时继电器延时一段时间后,约几十秒钟达到一定的转速后,在电气开关作用下把六个接线端子转换成三角形连接并再次接到380V电源,每相绕组电压为380V,转矩和转速大大提高,电动机进入额定三角形条件下的运行过程。
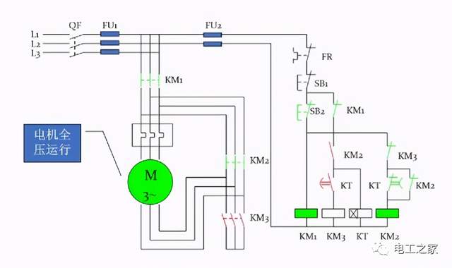
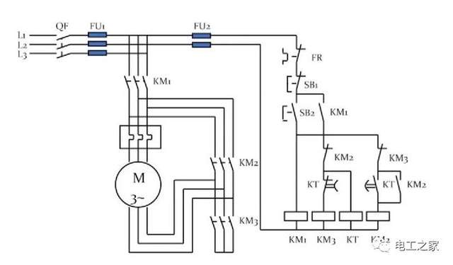
如图所示主电路为:




可以看出,主电路星型接法就是U2/V2/W2短接,而三角形接法U1和W2、V1和U2、W1和V2首尾相接。
再看控制电路:


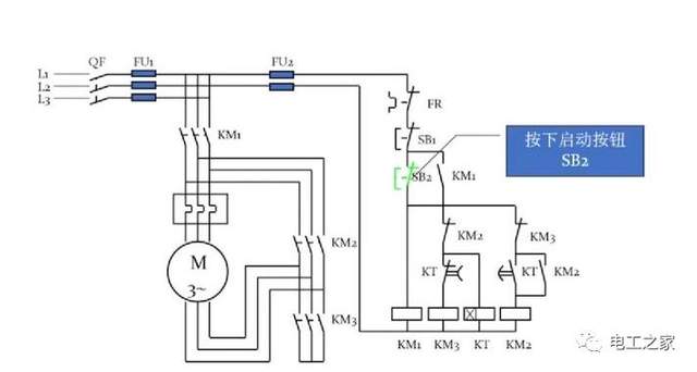
第一步按下启动按钮SB2,




交流接触器KM1、星型交流接触器KM3和时间继电器(或者延时继电器)KT线圈得电。得电后主电路KM1接通,KM3运行互锁切断三角形接法KM2不能运行,只能启动运行星型接法KM3,延时继电器KT运行开始计时。


运行一段时间后,KT计时到点后切断KM3星型,使KM3断电,KM3断电后接通互锁KM2线圈得电三角运行。


KM2三角得电后,切断互锁的KT和星型的KM3线圈电源,保持主电路KM1和KM2三角形线圈吸合电路长期运行。
要想关闭电路,只需按下SB1按钮,切断所有线圈电源,电机停止
我的同行朋友这样答完后,应聘官看后高度赞扬:“嗯不错!我不懂电路的也会星三角降压启动了,哈哈哈,明天就来上班!

工控课堂 www.gkket.com

0

主题

101

回帖

255

积分

注册会员

积分
255
发表于 2021-7-2 01:27:27 | 显示全部楼层
无私奉献,好工控人,32个赞送给你!!
工控课堂 www.gkket.com

0

主题

404

回帖

1266

积分

中级会员

积分
1266
QQ
发表于 2021-7-18 21:34:53 | 显示全部楼层
真是被感动的痛哭流涕……
工控课堂 www.gkket.com

0

主题

110

回帖

383

积分

注册会员

积分
383
发表于 2025-11-22 18:20:52 | 显示全部楼层
来凑个热闹,为楼主增加点人气!
工控课堂 www.gkket.com

0

主题

105

回帖

154

积分

新手上路

积分
154
发表于 2025-11-22 18:33:05 | 显示全部楼层
蹲一波同款,有没有姐妹 / 兄弟推荐?
工控课堂 www.gkket.com

0

主题

84

回帖

120

积分

新手上路

积分
120
发表于 2025-11-22 18:33:09 | 显示全部楼层
学到了学到了,这波分享太实用啦!
工控课堂 www.gkket.com

0

主题

357

回帖

2221

积分

高级会员

积分
2221
发表于 2025-11-22 18:41:12 | 显示全部楼层
占个楼慢慢看,先马克一下
楼主辛苦啦,期待下一篇分享
工控课堂 www.gkket.com

0

主题

72

回帖

113

积分

新手上路

积分
113
发表于 2025-11-22 18:42:07 | 显示全部楼层
哈哈哈哈笑不活,楼主这脑洞绝了!
工控课堂 www.gkket.com

0

主题

81

回帖

237

积分

注册会员

积分
237
发表于 2025-11-22 18:49:26 | 显示全部楼层
这评论区卧虎藏龙,个个都是人才!
工控课堂 www.gkket.com

0

主题

82

回帖

134

积分

新手上路

积分
134
发表于 2025-11-22 18:54:45 | 显示全部楼层
被戳中笑点 / 泪点,太真实了!
工控课堂 www.gkket.com
您需要登录后才可以回帖 登录 | 立即注册

本版积分规则

关闭

站长推荐上一条 /1 下一条

QQ|手机版|免责声明|本站介绍|工控课堂 ( 沪ICP备20008691号-1 )

GMT+8, 2025-12-22 16:17 , Processed in 0.129693 second(s), 27 queries .

Powered by Discuz! X3.5

© 2001-2025 Discuz! Team.

快速回复 返回顶部 返回列表