在A企业中,其供电系统主接线的低压系统中共包括4段母线, 在使用这些变频器供电时,电压和电流均会产生很大的谐波, 谐波使母线段所带设备产生附加的谐波损耗, 降低发电、输电及用电设备的效率, 在采用多台变频器并联运行一段时问后, 母线H{现了严重发热现象.现场观测的母线发热情况见图1。 南于母线过热.导致铜排发黑,如图1中红色区域所示。 因此, 有必要采取相应的谐波治理方案来降低高次谐波带来的危害。 
目前谐波的治理可采用以下方法:
(1)变频器的隔离、屏蔽、接地:变频器系统的供电电源与其它设备的供电电源相互独立。或在变频器和其它用电设备的输入侧安装隔离变压器。或者将变频器放入铁箱内,铁箱外壳接地。同时变频器输出电源应尽量远离控制电缆敷设(不小于50mm间距),必须靠近敷设时尽量以正交角度跨越,必须平行敷设时尽量缩短平行段长度(不超过1mm),输出电缆应穿钢管并将钢管作电气连通并可靠接地。
(2)加装交流电抗器和直流电抗器:当变频器使用在配电变压器容量大于500KVA,且变压器容量大于变频器容量的10倍以上,则在变频器输入侧加装交流电抗器。而当配电变压器输出电压三相不平衡,且不平衡率大于3%时,变频器输入电流峰值很大,会造成导线过热,则此时需加装交流电抗器。严重时则需加装直流电抗器。
(3)加装无源滤波器:将无源滤波器安装在变频器的交流侧,无源滤波器由L、C、R元件构成谐波共振回路,当LC回路的谐波频率和某一次高次谐波电流频率相同时,即可阻止高次谐波流入电网。无源滤波器特点是投资少、频率高、结构简单、运行可靠及维护方便。无源滤波器缺点是滤波易受系统参数的影响,对某些次谐波有放大的可能、耗费多、体积大。
(4)加装有源滤波器:早在70年代初,日本学者就提出有源滤波器的概念,由源滤波器通过对电流中高次谐波进行检测,根据检测结果输入与高次谐波成分具有相反相位电流,达到实时补偿谐波电流的目的。与无源滤波器相比具有高度可控性和快速响应性,有一机多能特点。且可消除与系统阻抗发生谐振危险。也可自动跟踪补偿变化的谐波。但存在容量大,价格高等特点。
(5)加装无功功率静止型无功补偿装置:对于大型冲击性负荷,可装设无功功率的静止型无功补偿装置,以获得补偿负荷快速变动的无功需求,改善功率因数,滤除系统谐波,减少向系统注入谐波电流,稳定母线电压,降低三相电压不平衡度,提高供电系统承受谐波能力。而其中以自饱和电抗型(SR型)的效果最好,其电子元件少,可靠性高,反应速度快,维护方便经济,且我国一般变压器厂均能制造。
(6)线路分开:因电源系统内有阻抗,所以谐波负荷电流将造成电压波形的谐波电压畸形。把产生谐波的负荷的供电线路和对谐波敏感的负荷供电线路分开,线性负荷和非线性负荷从同一电源接口点PCC开始由不同的电路馈电,使非线性负荷产生的畸变电压不会传导到线性负荷上去。
(7)电路的多重化、多元化:逆变单元的并联多元化是采用2个或多个逆变单元并联,通过波形移位叠加,抵消谐波分量;整流电路的多重化是采用12脉波、18脉波、24脉波整流,可降低谐波成分;功率单元的串联多重化是采用多脉波(如30脉波的串联),功率单元多重化线路也可降低谐波成分。此外还有新的变频调制方法,如电压矢量的变形调制。
(8)变频器的控制方式的完善:随着电力电子技术、微电子技术、计算机网络等高新技术发展,变频器控制方式有了以下发展:数字控制变频器,变频器数字化采用单片机MCS51或80C196MC等,辅助以SLE4520或EPLD液晶显示器等来实现更加完善的控制性能;多种控制方式结合,单一的控制方式有着各自的缺点,如果将这些单一控制方式结合起来,可以取长补短,从而达到降低谐波提高效率的功效。
(9)使用理想化的无谐波污染的绿色变频器:绿色变频器的品质标准是:输入和输出电流都是正弦波,输入功率因数可控,带任何负载使都能使功率因数为1,可获得工频上下任意可控的输出功率。
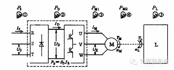
综上所述,可以了解变频器以及变频器谐波产生的机理,变频器谐波以及其危害性,以及采用变频器隔离、接地或采用无源滤波器、有源滤波器、加设无功补偿装置以及绿色变频器等方法。随着电力电子技术以及微电子技术等技术的飞速发展,在治理谐波问题上将会迈上一个新的台阶,将变频器产生的谐波控制在最小范围之内以达到抑制电网污染,提高电能质量。 变频器是工业调整传动领域中应用较为广泛的设备之一。变频器是把工频(50HZ)变换成各种频率的交流电源,以实现电机的变速运行的设备。其中控制电路完成对主电路的控制,整流电路将交流电转换成直流电,直流中间电路对整流电路的输出进行平滑滤波,逆变电路将直流电再逆变成交流电。由于变频器逆变电路的开关特性,对共供电电源形成了一个典型的非线性负载。因此以变频器为代表的电力电子装置是公用电网中最主要的谐波源之一。
谐波是指对周期性非正统交流量行傅里叶级数分解所得到的大于基波频率整数倍的各次分量,通常也称为高次谐波,而基波是指其频率与工频相同的分量。就电力系统听三相交流发电机发出的电压来说,可以认为其波形基本上是正弦量,即电压波形基本上无直流和谐波分量。但由于电力系统中存在着各种各样的谐波源(谐波源是指向公用电网注入谐波电流或在公用电网中产生谐波电压的电气设备),特别是变流装置等设备。其中变频器的输入侧产生谐波的机理是:凡是在电源侧有整流回路的都产生因其非线性引起的谐波。而变频器输出侧产生谐波的机理是:在逆变电路中,对于电压型电路来说,输出电压是矩形波。对电流型电路来说,输出电流是矩形波。矩形波中含有较多的谐波,对负载会产生不利影响,因此即使电力系统中电源的电压是正弦波,也会由于非线性元件的存在使得电网中总有谐波电流或电压的存在。因此电网谐波的存在主要在于电力系统中存在各种非线性元件。
|