找回密码
 立即注册

QQ登录

只需一步,快速开始

查看: 3555|回复: 13

电工必知的电动机正反转控制电路原理及应用

 火.. [复制链接]
  • 打卡等级:常驻代表
  • 打卡总天数:34
  • 打卡月天数:6
  • 打卡总奖励:9027
  • 最近打卡:2025-12-17 23:15:51

2823

主题

541

回帖

2万

积分

管理员

积分
22569
发表于 2021-8-16 20:27:55 | 显示全部楼层 |阅读模式
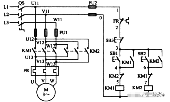
电动机正反转控制属于电工必须掌握知识,该电路仪表中也应用较多,电工基础在本文详细介绍电动机正反转控制电路原理及相关知识。
接触器连锁正反转控制线路的主电路中连接了两个接触器,正反转操作元器件放置在控制回路中,因此工作安全可靠。接触器连锁正反转控制线路如图1所示。


图1 接触器连锁正反转控制线路(电路图读者需要结合电气图形符号和电气文字符号来学习)
在图1中,主电路中连接了接触器KM1和接触器KM2,两个接触器主触点连接方式不同,KM1按L1-U、L2-V、L3-W方式连接,KM2按L1-W、L2-V、L3-U方式连接。
在工作时,接触器KM1、KM2主触点严禁同时闭合,否则会造成L1、L3两相电源直接短路。为了避免KM1、KM2主触点同时得电闭合,分别给其各自的线圈串接了对方的常闭辅助触点,当一个接触器的线圈得电时会使自己的主触点闭合,还会使自己的常闭触点断开,这样另一个接触器线圈就无法得电。接触器的这种相互制约关系称为接触器的连锁(也称互锁、联锁),实现联锁的常闭辅助触点称为连锁触点。
电动机正反转控制线路工作原理分析如下:
1、闭合电源开关QS
2、正转过程
①正转联锁控制
按下正转按钮速SB1→KM1线圈得电→KM1主触点闭合、KM1常开辅助触点闭合、KM1常闭辅助触点断开→KM1主触点闭合将L1、L2、L3三相电源分别供给电动机U、V、W端,电动机正转;KM1常开辅助触点闭合使得SB1松开后KM1线圈继续得电(接触器自锁);KM1常闭辅助触点断开切断KM2线圈的供电,使KM2主触点无法闭合,实现KM1、KM2之间的连锁。
停止控制
按下停转按钮SB3→KM1线圈失电→KM1主触点断开、KM1常开辅助触点断开、KM1常闭辅助触点闭合→KM1主触点断开使电动机断电而停转。
3、反转过程
①反转连锁控制
按下反转按钮SB2→KM2线圈得电→KM2主触点闭合、KM2常开辅助触点闭合、KM2常闭辅助触点断开→KM2主触点闭合将L1、L2、L3三相电源分别供给电动机W、V、U端,电动机反转;KM2常开辅助触点闭合SB2松开后KM2线圈继续得电;KM2常闭辅助触点断开切断KM1线圈的供电,使KM1主触点无法闭合,实现KM1、KEM2之间的连锁。
②停止控制
按下停转按钮SB3→KM2线圈失电→KM2主触点断开、KM2常开辅助触点断开、KM2常闭辅助触点闭合→KM2主触点断开使电动机断电而停转。
4、断开电源开关QS
对于接触器连锁正反转控制线路,若将电动机由正转变成反转,需要先按下停止按钮让电动机停转,是接触器各触点复位,再按反转按钮让电动机反转。如果在正转时不按停止按钮,而直接按反转按钮,由于连锁的原因,反转接触器线圈无法得电而使控制无效。
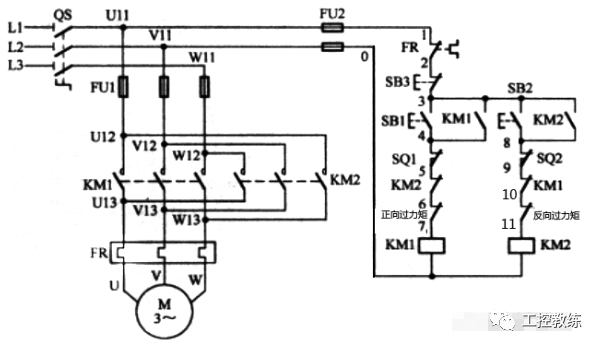
带限位的正反转控制电路
限位控制线路如图2所示。从图3可以看出,限位控制线路是在接触器连锁正反转控制线路的控制电路中串接两个行程开关SQ1、SQ2构成。


图2 带限位的接触器连锁正反转控制线路


图3 电动机正反转控制+限位控制实物接线图

带限位的接触器连锁正反转控制线路工作原理分析如下:
1、闭合电源开关QS
2、正转控制过程
①正转控制
按下正转按钮速SB1→KM1线圈得电→KM1主触点闭合、KM1常开辅助触点闭合、KM1常闭辅助触点断开→KM1主触点闭合将L1、L2、L3三相电源分别供给电动机U、V、W端,电动机正转;KM1常开辅助触点闭合使得SB1松开后KM1线圈继续得电(接触器自锁);KM1常闭辅助触点断开切断KM2线圈的供电,使KM2主触点无法闭合,实现KM1、KM2之间的连锁。
②正向限位控制
当电动机正转驱动运动部件运动到行程开关SQ1处→SQ1常闭触点断开(常开触点未用)→KM1线圈失电→KM1主触点断开、KM1常开辅助触点断开、KM1常闭辅助触点闭合→KM1主触点断开使电动机断电而停转→运动部件停止正向运动。
3、反转控制过程
①反转控制
按下反转按钮SB2→KM2线圈得电→KM2主触点闭合、KM2常开辅助触点闭合、KM2常闭辅助触点断开→KM2主触点闭合将L1、L2、L3三相电源分别供给电动机W、V、U端,电动机反转;KM2常开辅助触点闭合SB2松开后KM2线圈继续得电;KM2常闭辅助触点断开切断KM1线圈的供电,使KM1主触点无法闭合,实现KM1、KEM2之间的连锁。
②反向限位控制
当电动机正转驱动运动部件运动到行程开关SQ2处→SQ2常闭触点断开(常开触点未用)→KM2线圈失电→KM2主触点断开、KM2常开辅助触点断开、KM2常闭辅助触点闭合→KM2主触点断开使电动机断电而停转→运动部件停止反向运动。
4、断开电源开关QS
带限位的正反转控制线路在仪表行业应用很多,比如在多回转阀门电动装置中:多回转阀门电动装置控制线路是在接触器连锁正反转控制线路中串接两个行程开关和两个过力矩开关构成。


工控课堂 www.gkket.com

0

主题

114

回帖

439

积分

注册会员

积分
439
发表于 2021-8-16 22:23:34 | 显示全部楼层
强烈支持楼主ing……
工控课堂 www.gkket.com

0

主题

1451

回帖

4571

积分

金牌会员

积分
4571
发表于 2021-8-19 12:12:55 | 显示全部楼层
淡定,淡定,淡定……
工控课堂 www.gkket.com

0

主题

77

回帖

105

积分

新手上路

积分
105
发表于 2025-11-14 05:20:04 | 显示全部楼层
我先占个楼,等下再慢慢看~
工控课堂 www.gkket.com

0

主题

112

回帖

171

积分

新手上路

积分
171
发表于 2025-11-14 05:30:55 | 显示全部楼层
救命!这回复笑到我捶桌,必须置顶~
工控课堂 www.gkket.com

0

主题

1451

回帖

4571

积分

金牌会员

积分
4571
发表于 2025-11-14 05:32:23 | 显示全部楼层
谁懂啊!这内容我能循环看十遍
工控课堂 www.gkket.com

0

主题

88

回帖

158

积分

新手上路

积分
158
发表于 2025-11-14 06:04:14 | 显示全部楼层
同款经历!简直是世另我
工控课堂 www.gkket.com

0

主题

139

回帖

480

积分

注册会员

积分
480
发表于 2025-11-14 06:39:10 | 显示全部楼层
原来还有这种操作,长见识了!
工控课堂 www.gkket.com

0

主题

72

回帖

108

积分

新手上路

积分
108
发表于 2025-11-14 06:54:06 | 显示全部楼层
打卡路过,支持优质原创内容~
工控课堂 www.gkket.com

0

主题

108

回帖

164

积分

新手上路

积分
164
发表于 2025-11-14 07:07:08 | 显示全部楼层
内容太顶了!疯狂点赞,已默默收藏~
工控课堂 www.gkket.com
您需要登录后才可以回帖 登录 | 立即注册

本版积分规则

关闭

站长推荐上一条 /1 下一条

QQ|手机版|免责声明|本站介绍|工控课堂 ( 沪ICP备20008691号-1 )

GMT+8, 2025-12-22 18:04 , Processed in 0.179862 second(s), 27 queries .

Powered by Discuz! X3.5

© 2001-2025 Discuz! Team.

快速回复 返回顶部 返回列表