找回密码
 立即注册

QQ登录

只需一步,快速开始

查看: 5342|回复: 19

2分钟搞懂典型电机正反转和自锁控制电路及接线图

  [复制链接]
  • 打卡等级:即来则安
  • 打卡总天数:29
  • 打卡月天数:1
  • 打卡总奖励:7791
  • 最近打卡:2025-12-13 17:25:16

2540

主题

1355

回帖

2万

积分

管理员

积分
21304
发表于 2019-3-3 10:30:45 | 显示全部楼层 |阅读模式
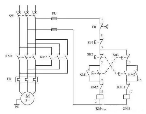
为了使电动机能够正转和反转,可采用两只接触器KM1、KM2换接电动机三相电源的相序,但两个接触器不能吸合,如果同时吸合将造成电源的短路事故,为了防止这种事故,在电路中应采取可靠的互锁,上图为采用按钮和接触器双重互锁的电动机正、反两方向运行的控制电路。
电动机可逆运行控制电路
线路分析如下:
一、正向启动
1、合上空气开关QF接通三相电源
2、按下正向启动按钮SB3,KM1通电吸合并自锁,主触头闭合接通电动机,电动机这时的相序是L1、L2、L3,即正向运行。
二、反向启动:
1、合上空气开关QF接通三相电源
2、按下反向启动按钮SB2,KM2通电吸合并通过辅助触点自锁,常开主触头闭合换接了电动机三相的电源相序,这时电动机的相序是L3、L2、L1,即反向运行。
三、互锁环节:具有禁止功能在线路中起安全保护作用
1、接触器互锁:KM1线圈回路串入KM2的常闭辅助触点,KM2线圈回路串入KM1的常闭触点。当正转接触器KM1线圈通电动作后,KM1的辅助常闭触点断开了KM2线圈回路,若使KM1得电吸合,必须先使KM2断电释放,其辅助常闭触头复位,这就防止了KM1、KM2同时吸合造成相间短路,这一线路环节称为互锁环节。
2、按钮互锁:在电路中采用了控制按钮操作的正反传控制电路,按钮SB2、SB3都具有一对常开触点,一对常闭触点,这两个触点分别与KM1、KM2线圈回路连接。例如按钮SB2的常开触点与接触器KM2线圈串联,而常闭触点与接触器KM1线圈回路串联。
按钮SB3的常开触点与接触器KM1线圈串联,而常闭触点压KM2线圈回路串联。这样当按下SB2时只能有接触器KM2的线圈可以通电而KM1断电,按下SB3时只能有接触器KM1的线圈可以通电而KM2断电,如果同时按下SB2和SB3则两只接触器线圈都不能通电。这样就起到了互锁的作用。
四、电动机正向(或反向)启动运转后,不必先按停止按钮使电动机停止,可以直接按反向(或正向)启动按钮,使电动机变为反方向运行。
五、电动机的过载保护由热继电器FR完成。
电动机可逆运行控制接线示意图
电动机可逆运行控制电路的调试
1、检查主回路路的接线是否正确,为了保证两个接触器动作时能够可靠调换电动机的相序,接线时应使接触器的上口接线保持一致,在接触器的下口调相。
2、检查接线无误后,通电试验,通电试验时为防止意外,应先将电动机的接线断开。
故障现象预处理:
1、不启动;原因之一,检查控制保险FU是否断路,热继电器FR接点是否用错或接触不良,SB1按钮的常闭接点是否不良。原因之二按纽互锁的接线有误。
2、起动时接触器“叭哒”就不吸了;这是因为接触器的常闭接点互锁接线有错,将互锁接点接成了自己锁自己了,起动时常闭接点是通的接触器线圈的电吸合,接触器吸合后常闭接点又断开,接触器线圈又断电释放,释放常闭接点又接通接触器又吸合,接点又断开,所以会出现“叭哒”接触器不吸合的现象。
3、不能够自锁一抬手接触器就断开,这是因为自锁接点接线有误。

本帖子中包含更多资源

您需要 登录 才可以下载或查看,没有账号?立即注册

×
工控课堂 www.gkket.com

0

主题

453

回帖

2302

积分

高级会员

积分
2302
发表于 2019-3-3 10:30:45 | 显示全部楼层
在遇到你之前我对人世间是否有技术大佬保有怀疑,现在我是彻底被你征服了
工控课堂 www.gkket.com

0

主题

165

回帖

396

积分

注册会员

积分
396
发表于 2019-3-3 10:32:42 | 显示全部楼层
楼主您的技术水准,我最服你,其他都是浮云
工控课堂 www.gkket.com

0

主题

202

回帖

444

积分

注册会员

积分
444
发表于 2019-3-3 10:40:31 | 显示全部楼层
老师四个微信公众号都可以关注吗?是否有免费资料下载!
工控课堂 www.gkket.com

0

主题

148

回帖

373

积分

注册会员

积分
373
发表于 2019-3-3 10:41:06 | 显示全部楼层
老师四个微信公众号都可以关注吗?是否有免费资料下载!
工控课堂 www.gkket.com

0

主题

129

回帖

499

积分

注册会员

积分
499
发表于 2019-3-3 10:45:24 | 显示全部楼层
真是难得给力的帖子啊。
工控课堂 www.gkket.com

0

主题

473

回帖

2666

积分

高级会员

积分
2666
发表于 2019-3-5 10:13:52 | 显示全部楼层
看到这帖子真是高兴!
工控课堂 www.gkket.com
  • 打卡等级:即来则安
  • 打卡总天数:28
  • 打卡月天数:7
  • 打卡总奖励:7961
  • 最近打卡:2025-12-22 17:16:30

3317

主题

285

回帖

2万

积分

管理员

积分
24106
发表于 2019-4-3 21:34:19 | 显示全部楼层
绝对干货,楼主给力,支持了!!!
工控课堂 www.gkket.com

1

主题

398

回帖

2167

积分

高级会员

积分
2167
发表于 2019-4-7 10:19:40 | 显示全部楼层
无回帖,不论坛,这才是人道。
工控课堂 www.gkket.com

0

主题

106

回帖

447

积分

注册会员

积分
447
发表于 2019-5-16 05:42:14 | 显示全部楼层
加油,加油,不要沉下去,我是最热贴
工控课堂 www.gkket.com
您需要登录后才可以回帖 登录 | 立即注册

本版积分规则

关闭

站长推荐上一条 /1 下一条

QQ|手机版|免责声明|本站介绍|工控课堂 ( 沪ICP备20008691号-1 )

GMT+8, 2025-12-22 23:43 , Processed in 0.104057 second(s), 26 queries .

Powered by Discuz! X3.5

© 2001-2025 Discuz! Team.

快速回复 返回顶部 返回列表