找回密码
 立即注册

QQ登录

只需一步,快速开始

查看: 8528|回复: 20

电气设计,如何使用CAD设计完美的电气原理图

  [复制链接]
  • 打卡等级:常驻代表
  • 打卡总天数:34
  • 打卡月天数:6
  • 打卡总奖励:9027
  • 最近打卡:2025-12-17 23:15:51

2823

主题

541

回帖

2万

积分

管理员

积分
22569
发表于 2019-4-6 10:44:43 | 显示全部楼层 |阅读模式
用AutoCAD(以下简称CAD)绘制电气图大家都会,但要想把图绘制的漂亮,你需要看看下面的方法。

(1)关于CAD的底色、线条、栅格和捕捉功能


底色采用白色。

线条采用多段线,线宽设为0.25。知道为什么?ISO在制图标准中规定,所有的图符都必须是2.5的倍数。这里的倍数可以是整数,也可以是小数,例如0.5、0.2、0.1等等。所以我绘图时将多段线的线宽设为0.25。

栅格设置为1.25。因为所有的图块都必须是2.5的倍数,因此将栅格定义为2.5的一半。

捕捉功能关闭。

(2)关于图块

这是最关键的一招。

我们先来看看继电器常开接点的图块,如下:

注意看,它上部的垂直线高度是2.5,中间斜线部分的高度是5,下部的垂直线的高度是2.5,图块的宽度也是2.5。线宽当然就是0.25。

图块只能靠自己去建立。图绘制的越多,图块库也就越多。

图块多了,名称繁复。可以修改CAD的菜单,增加专门用于按名称调取和插入图块的自创菜单,这样就方便多了。

(3)用图块绘图

下图是组合图块,是低压断路器的组合图:


注意哦,在绘制组合图时,务必时时刻刻注意到所有的间距都是2.5的倍数。这是关键!否则点和线就不能对齐,出现错位。

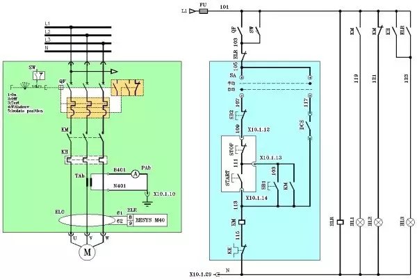
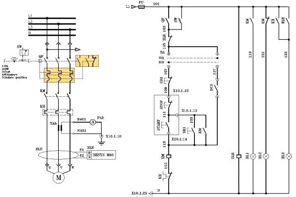
我用图块和组合图块构成一张电动机直接起动的控制原理图,如下:


这张图没有什么特色,我们把它适当地加上框,然后突出一下,如下:


感觉不一样了把?我们可以用它来做某种强调说明。

注意:颜色以淡淡的青色和绿色为主,显得十分高雅。这是我从施耐德学来的。施耐德公司做的文档,给人的视觉效果特别好,我发现他们就喜欢用淡色的颜色来填空说明。

我们再看下图:


这是居家配电系统图。我们也把它框起来,看看效果:


有点温馨的效果。不过,颜色似乎深了一点,淡些会更好。

总之,绘图一定要美观,这样才能取得吸睛的效果。

这是我图库中预先保存的断路器时间电流特性曲线坐标图的图块,一旦需要,立即调出,然后用属性块自动绘上保护参数曲线。下图中已经绘上了断路器LSI保护参数特性曲线:


如果让属性块直接写上文字,则断路器脱扣器的时间电流特性曲线就能立马得到。事实上,我绘制此图用的时间是1分半钟。

下图是我用来说明RCD工作原理的。


最后,给大家看看我的书稿中用于说明智能型开关柜的图:


用CAD绘图,其实是一种技术。CAD越熟悉,给自己提供的方便也越多。

给大家看看我的家装设计图:


这里有平面图,有布置图,有电气、水、煤气等管道图,还有家具结构图和三视图,以及全部家装材料表。也就是说,装修公司只要按我的图去施工就可以了。这样一来,装修公司还能骗到我吗?

下图是核心区三维图,就是上图中居于中心位置的图:


此图是真正的CAD三维图,可以从任意位置和角度去看它。

这是书房的书橱和餐厅局部:


绘制图纸,真的是一种个人技能。只有掌握了这门技能,在表达方面才能实现完全自如。

本帖子中包含更多资源

您需要 登录 才可以下载或查看,没有账号?立即注册

×
工控课堂 www.gkket.com

0

主题

188

回帖

344

积分

注册会员

积分
344
发表于 2019-4-6 10:44:54 | 显示全部楼层
谢谢您的分享!
工控课堂 www.gkket.com

0

主题

142

回帖

316

积分

注册会员

积分
316
发表于 2019-4-6 10:50:48 | 显示全部楼层
真是难得给力的帖子啊。
工控课堂 www.gkket.com

0

主题

135

回帖

261

积分

注册会员

积分
261
发表于 2019-4-6 10:50:51 | 显示全部楼层
无回帖,不论坛,这才是人道。
工控课堂 www.gkket.com

0

主题

162

回帖

419

积分

注册会员

积分
419
发表于 2019-4-6 10:53:40 | 显示全部楼层
我只是路过打酱油的。
工控课堂 www.gkket.com

0

主题

153

回帖

246

积分

注册会员

积分
246
发表于 2019-4-6 10:57:31 | 显示全部楼层
真是被感动的痛哭流涕……
工控课堂 www.gkket.com

0

主题

345

回帖

2785

积分

高级会员

积分
2785
发表于 2019-4-6 13:34:19 | 显示全部楼层
感谢分享,佩服佩服!
工控课堂 www.gkket.com

0

主题

439

回帖

2867

积分

高级会员

积分
2867
发表于 2019-4-6 18:23:17 | 显示全部楼层
激动人心,无法言表!
工控课堂 www.gkket.com

0

主题

439

回帖

2772

积分

高级会员

积分
2772
发表于 2019-4-19 22:55:16 | 显示全部楼层
看到这帖子真是高兴!
工控课堂 www.gkket.com

0

主题

105

回帖

472

积分

注册会员

积分
472
发表于 2019-4-28 03:53:50 | 显示全部楼层
淡定,淡定,淡定……
工控课堂 www.gkket.com
您需要登录后才可以回帖 登录 | 立即注册

本版积分规则

关闭

站长推荐上一条 /1 下一条

QQ|手机版|免责声明|本站介绍|工控课堂 ( 沪ICP备20008691号-1 )

GMT+8, 2025-12-23 04:44 , Processed in 0.159283 second(s), 27 queries .

Powered by Discuz! X3.5

© 2001-2025 Discuz! Team.

快速回复 返回顶部 返回列表