|
一 多项选择题(多选或少选都不得分,每题2分,共10分) B.元件符号采用国家统一标准。 D.触点按没有通电或没有外力作用的初始开闭状态绘制
2.下列低压电器能起短路保护作用的低压电器有( ) B.熔断器
A.电动力灭弧 B.磁吹灭弧 C.栅片灭弧 D.窄缝灭弧
4、速度继电器的作用是( ) A.速度计量 B.用于反接制动 C.限制速度 D.用于能耗制动
5、X6132卧式万能铣床主轴为满足顺铣和逆铣工艺要求,需正反转控制,采用的方法是( ) A.操作前,通过转换开关进行方向预选。 B.通过正反接触器改变相序控制电动机正反转。 C.通过机械方法改变传动链。 D.其他方法。
二、填空题。(每空1分,共25分) 1、常用的低压电器是指工作电压在交流 V以下、直流 V以下的电器,试举出二种不频繁地手动接通和分断电路的开关电器: ,
2、接触器CJ 10-20表示的意义分别为 、 、 。选择接触器时应从其工作条件出发,控制交流负载应选用__________;控制直流负载则选用__________。在交流接触器的铁心上一定要安装 ,目的是
3、时间继电器种类很多,按其动作原理分为电磁式,空气阻尼式,电动式,电子式,按延时方式分为 和 。
4、画出指定低压电器图形符号,并标注文字符号或写出图形名称 名称文字符号图形符号线圈(元件)常开触点常闭触点接触器 电磁式继电器 5、制动措施可分为电气制动和机械制动两大类。电气制动常用有 两种,是用电气的办法使电动机产生一个与转子转向相反的制动转矩。电磁机械制动是用电磁铁操纵机械产生制动力矩,如 、等。
三、简答题(30分) 1、什么叫自锁、连锁、互锁? 试举例说明.(5分)
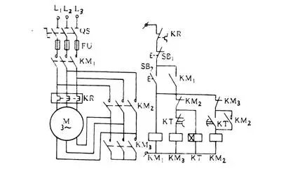
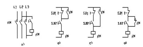
2、指出下图示电路中的错误,加以改正(10分) 3、按照下图电路,回答下列问题:(15分) 1)在图中标注电动机绕组接线端代号? 2)KM3线圈断线后,按下SB2电动机工作状态如何? 3)分析按下SB2电动机作丫接法起动,到KT触点动作后电动机停转的原因?
为两台异步电动机设计一个控制线路,其要求如下: 1)两台电动机互不影响地独立操作; 画出主电路和控制电路。
五、综合题(20分) 根据X6132铣床电气原理图回答问题。 1、 说明主轴变速环节动作过程 2、 论述圆工作台的控制原理(说明得电途径) 3、如果X6132铣床工作台只能左右和前下运动,不能进行后、上运动,故障原因是什么?
答案: 一、多项选择题 1.( A、B、D ) 2.(A、B、C ) 3、( A、C、D ) 4、(B ) 5、( A ) 二、填空题 1、 1200 , 1500 , 刀开关 ,自动开关 。 2、 交流接触器、 设计序号 、 额定电流 。____交流接触器 ; _直流接触器。 分磁环 , 防止震动与噪声 。 3、 得电延时型 失电延时型 。 4、 5、 能耗制动 反接制动 电磁铁 机械抱闸 。 三、简答题 1、 自锁:依靠接触器自身的辅助触头而使其线圈保持通电现象。 互锁:利用两个接触器的常闭辅助触头的断开来锁住对方线圈的电路的控制方法。 连锁:利用接触器的辅助触头使后续线路通电的控制方法。 图略 2、 a)图主电路与控制电路应分开绘制 b)图自锁触头应与常开按钮并联 c)图自锁触头应只与常开按钮并联 d)图自锁触点应用常开辅助触头 3、 1)上:从左至右是U11、V11、W11,下:从左至右是U12、V12、W12。 3)原因是KM2线圈不能正常工作。 四、略 五、综合题 根据X6132铣床电气原理图回答问题。 操作主轴变速手柄,SQ6受压,KT得电联锁,KM1得电,选择合适的速度,把主轴变速手柄推回原位,若能顺利推回,则变速结束,否则,重复上述过程。 9—SQ5-2—SQ4-2—SQ3-2—13—SQ1-2——SQ2-2—10—SA3-2—14—KM2线圈—18—21 3、SQ3-1不能正常闭合。
|