找回密码
 立即注册

QQ登录

只需一步,快速开始

查看: 4235|回复: 13

软启动器工作原理

 火.. [复制链接]
  • 打卡等级:即来则安
  • 打卡总天数:28
  • 打卡月天数:7
  • 打卡总奖励:7961
  • 最近打卡:2025-12-22 17:16:30

3317

主题

285

回帖

2万

积分

管理员

积分
24106
发表于 2019-11-11 19:32:07 | 显示全部楼层 |阅读模式
启动器工作原理

软起动器(软启动器)是一种集电机软起动、软停车、轻载节能和多种保护功能于一体的新颖电机控制装置,国外称为Soft Starter。软启器采用三相反并联晶闸管作为调压器,将其接入电源和电动机定子之间。这种电路如三相全控桥式整流电路。使用软启动器启动电动机时,晶闸管的输出电压逐渐增加,电动机逐渐加速,直到晶闸管全导通,电动机工作在额定电压的机械特性上,实现平滑启动,降低启动电流,避免启动过流跳闸。

待电机达到额定转数时,启动过程结束,软启动器自动用旁路接触器取代已完成任务的晶闸管,为电动机正常运转提供额 定电压,以降低晶闸管的热损耗,延长软启动器的使用寿命,提高其工作效率,又使电网避免了谐波污染。软启动器同时还提供软停车功能,软停车与软启动过程相反,电压逐渐降低,转数逐渐下降到零,避免自由停车引起的转矩冲击。
常用的五种电机软启动器接线图

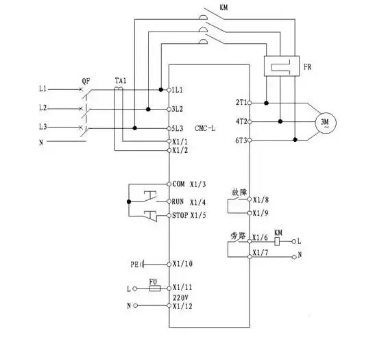
一、CMC-L系列数码型电机软启动器是一种将电力电子技术,微处理器和自动控制相结合的新型电机起动、保护装置。它能无阶跃地平稳起动/停止电机,避免因采用直接起动、星/三角起动、自耦减压起动等传统起动方式起动电机而引起的机械与电气冲击等问题,并能有效地降低起动电流及配电容量,避免增容投资。

1、CMC-L系列数码型电机软启动器基本接线原理图:软起动器端子1L1、3L2、5L3接三相电源,2T1、4T2、6T3接电动机。当采用旁路接触器时,可通过内置信号继电器K2控制旁路接触器。


2、CMC-L系列数码型电机软启动器基本接线示意图:
3、CMC-L系列数码型电机软启动器典型应用接线图:
注意:

1.上图所示为单节点控制方式。接点闭合软起动起动,接点打开软起动器停止。但要注意这种接线LED面板起动操作无效。端子3、4、5起停信号是一个无源节点。
2.PE接地线应尽可能短,接于距软起动器最近的接地点,合适的接地点应位于安装板上紧靠软起动器处,安装板也应接地,此处接地为功能地而不是保护接地。
3. 电流互感器副边线径不小于2.5mm2。


二、CMC-M系列数码智能型电机软启动器是一种将电力电子技术,微处理器和自动控制相结合的新型电机起动、保护装置。它能无阶跃地平稳起动/停止电机,避免因采用直接起动、星/三角起动、自耦减压起动等传统起动方式起动电机而引起的机械与电气冲击等问题,并能有效地降低起动电流及配电容量,避免增容投资。

1、基本接线原理图软起动器端子1L1、3L2、5L3接三相电源,2T1、4T2、6T3接电动机。软起动器可通过参数设定选择是否检测相序。当采用旁路接触器时,可通过内置信号继电器K2控制旁路接触器。

2、基本接线示意图

3、典型应用接线图
注意:

1.上图所示为单节点控制方式。接点闭合软起动起动,接点打开软起动器停止。但要注意这种接线LED面板起动操作无效。端子3、4、5起停信号是一个无源节点。
2.PE接地线应尽可能短,接于距软起动器最近的接地点,合适的接地点应位于安装板上紧靠软起动器处,安装板也应接地,此处接地为功能地而不是保护接地。
3. 电流互感器副边线径不小于2.5mm2。电流互感器接线时要注意方向P表示进线,K表示出线。请按照典型应用接线图接线。


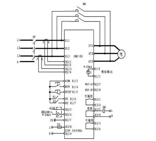
三、CMC-SX系列汉显智能型电机软启动器是国内唯一一款基于32位ARM核微控制器开发的电机软起动器,是一种新型智能化的异步电动机起动、保护装置。它是集起动、显示、保护、数据采集于一体的电机终端控制设备。用户使用较少的元件,就可实现较复杂的控制功能。而中英文界面显示又使得操作更简便。


1、基本接线原理图软起动器端子1L1、3L2、5L3接三相电源,软起动器端子2T1、4T2、6T3接电动机。软起动器可通过参数设定选择是否检测相序。当采用旁路接触器时,可通过内置信号继电器K2控制旁路接触器。

2、基本接线示意图
3、典型应用接线图
注意:


1.上图所示为单节点控制方式。接点闭合软起动起动,接点打开软起动器停止。但要注意这种接线LCD面板起动操作无效。端子3、4、5起停信号是一个无源节点。
2.PE接地线应尽可能短,接于距软起动器最近的接地点,合适的接地点应位于安装板上紧靠软起动器处,安装板也应接地,此处接地为功能地而不是保护接地。
3. 电流互感器副边线径不小于2.5mm2。电流互感器接线时要注意方向P表示进线,K表示出线。请按照基本接线图接线。


四、CT系列分级变频软启动器是采用电力电子技术、微处理器技术及现代控制理论技术生产的具有当今国际先进水平的新型起动设备。通过对晶闸管的控制达到有级变频、无级调压、小起动电流、大起动转矩的起动特性。集起动、显示、保护、数据采集于一体。用户使用较少的元件,就可实现较复杂的控制功能。而中英文界面显示又使得操作更简便。


1、基本接线原理图软起动器端子1L1、3L2、5L3接三相电源、2T1、4T2、6T3接电动机、B1、B2、B3接旁路接触器。软起动器可通过参数设定选择是否检测相序。当采用旁路接触器时,可通过内置信号继电器K2控制旁路接触器。

2、典型应用接线图
注意:



1.上图所示为单节点控制方式。接点闭合软起动器起动,接点打开软起动器停止。但要注意这种接线LCD面板起动操作无效。端子X1\1、X1\2、X1\3起停信号是一个无源节点。
2.PE接地线应尽可能短,接于距软起动器最近的接地点,合适的接地点应位于安装板上紧靠软起动器处,安装板也应接地,此处接地为功能地而不是保护接地。

五、CMC-MX系列内置旁路型电机软启动器是一种将电力电子技术,微处理器和自动控制相结合的新型电机起动、保护装置。它能无阶跃地平稳起动/停止电机,避免因采用直接起动、星/三角起动、自耦减压起动等传统起动方式起动电机而引起的机械与电气冲击等问题,并能有效地降低起动电流及配电容量,避免增容投资。同时CMC-MX软起动器内部集成电流互感器、接触器,用户无需外接。

1、基本接线原理图软起动器端子1L1、3L2、5L3接三相电源, 2T1、4T2、6T3接电动机。无需外接旁路接触器,软起动器可通过参数设定选择是否检测相序。



2、三角形内接连接图


若用户使用三角形内接连接时,用户必须严格按照下图进行连接,否则有可能导致电机或软起损坏。本机在启动前会对电机接线进行判断,若接线错误软起会报接线错误故障。


3、典型应用接线图
注意:


1.上图所示为单节点控制方式。接点闭合软起动起动,接点打开软起动器停止。但要注意这种接线LED面板起动操作无效。端子3、4、5起停信号是一个无源节点。
2.PE接地线应尽可能短,接于距软起动器最近的接地点,合适的接地点应位于安装板上紧靠软起动器处,安装板也应接地,此处接地为功能地而不是保护接地。


本帖子中包含更多资源

您需要 登录 才可以下载或查看,没有账号?立即注册

×
工控课堂 www.gkket.com

6

主题

462

回帖

2701

积分

高级会员

积分
2701
发表于 2019-11-12 19:47:28 | 显示全部楼层
楼主您的技术水准,我最服你,其他都是浮云
工控课堂 www.gkket.com

0

主题

116

回帖

367

积分

注册会员

积分
367
发表于 2020-11-18 04:45:45 | 显示全部楼层
我顶,我顶,我顶顶顶
工控课堂 www.gkket.com

0

主题

90

回帖

139

积分

新手上路

积分
139
发表于 2025-11-12 15:41:35 | 显示全部楼层
理性围观,感觉大家说的都有道理~
工控课堂 www.gkket.com

0

主题

115

回帖

176

积分

新手上路

积分
176
发表于 2025-11-12 15:43:02 | 显示全部楼层
这波分析到位,逻辑满分!
工控课堂 www.gkket.com

0

主题

106

回帖

160

积分

新手上路

积分
160
发表于 2025-11-12 15:45:17 | 显示全部楼层
浅评一下:内容优质,值得推荐~
工控课堂 www.gkket.com

0

主题

139

回帖

480

积分

注册会员

积分
480
发表于 2025-11-12 15:45:28 | 显示全部楼层
蹲个后续,楼主记得更新呀,在线等挺急的~
工控课堂 www.gkket.com

0

主题

85

回帖

134

积分

新手上路

积分
134
发表于 2025-11-12 15:47:17 | 显示全部楼层
笑不活了,评论区比正文还精彩!
工控课堂 www.gkket.com
  • 打卡等级:即来则安
  • 打卡总天数:29
  • 打卡月天数:1
  • 打卡总奖励:7791
  • 最近打卡:2025-12-13 17:25:16

2540

主题

1355

回帖

2万

积分

管理员

积分
21304
发表于 2025-11-12 15:47:57 | 显示全部楼层
救命!这回复笑到我捶桌,必须置顶~
工控课堂 www.gkket.com

0

主题

123

回帖

434

积分

注册会员

积分
434
发表于 2025-11-12 15:50:51 | 显示全部楼层
画面感太强了,仿佛身临其境!
工控课堂 www.gkket.com
您需要登录后才可以回帖 登录 | 立即注册

本版积分规则

关闭

站长推荐上一条 /1 下一条

QQ|手机版|免责声明|本站介绍|工控课堂 ( 沪ICP备20008691号-1 )

GMT+8, 2025-12-22 21:50 , Processed in 0.190304 second(s), 27 queries .

Powered by Discuz! X3.5

© 2001-2025 Discuz! Team.

快速回复 返回顶部 返回列表