找回密码
 立即注册

QQ登录

只需一步,快速开始

查看: 21882|回复: 38

来自老电工的珍藏:36种自动控制原理图!

 火.. [复制链接]
  • 打卡等级:即来则安
  • 打卡总天数:27
  • 打卡月天数:6
  • 打卡总奖励:7736
  • 最近打卡:2025-12-20 00:35:11

3317

主题

285

回帖

2万

积分

管理员

积分
23881
发表于 2018-12-11 19:45:46 | 显示全部楼层 |阅读模式
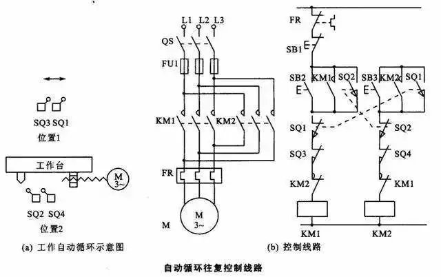
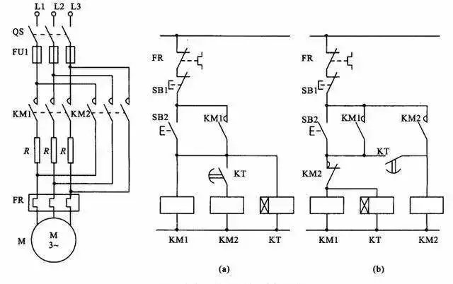
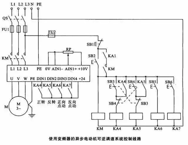
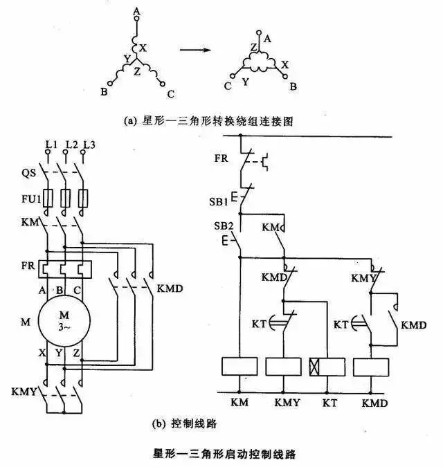
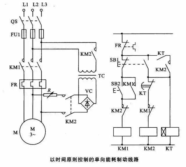
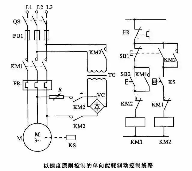
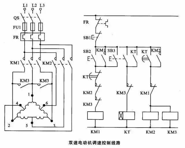
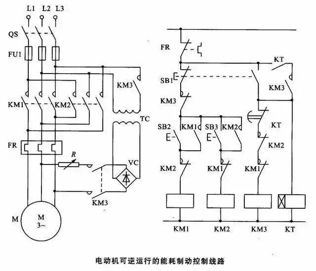
今天要给大家带来的其实是,来自一个不算老的电工收藏的各种类电气控制接线图,电子元件工作原理图,还有可控硅整流电路及负反馈调速装置原理等等。难免有错误哦!如果收集起来长期看,反复看,温故而知新,还是特别管用的!


本帖子中包含更多资源

您需要 登录 才可以下载或查看,没有账号?立即注册

×
工控课堂 www.gkket.com

0

主题

439

回帖

2698

积分

高级会员

积分
2698
发表于 2018-12-11 19:58:04 | 显示全部楼层
看完楼主的帖子,我的心情竟是久久不能平息,受教了
工控课堂 www.gkket.com

0

主题

298

回帖

1949

积分

高级会员

积分
1949
发表于 2018-12-11 20:03:32 | 显示全部楼层
无回帖,不论坛,这才是人道。
工控课堂 www.gkket.com

0

主题

438

回帖

2450

积分

高级会员

积分
2450
发表于 2018-12-11 20:03:50 | 显示全部楼层
看完楼主的帖子,我的心情竟是久久不能平息,受教了
工控课堂 www.gkket.com

0

主题

330

回帖

2085

积分

高级会员

积分
2085
发表于 2018-12-11 20:20:26 | 显示全部楼层
无私奉献,好工控人,32个赞送给你!!
工控课堂 www.gkket.com

0

主题

443

回帖

2844

积分

高级会员

积分
2844
发表于 2018-12-11 20:25:42 | 显示全部楼层
激动人心,无法言表!
工控课堂 www.gkket.com

0

主题

358

回帖

2277

积分

高级会员

积分
2277
发表于 2018-12-11 20:38:18 | 显示全部楼层
感恩无私的分享与奉献
工控课堂 www.gkket.com

0

主题

345

回帖

2785

积分

高级会员

积分
2785
发表于 2018-12-11 20:39:53 | 显示全部楼层
太生气了,无法HOLD啦 >_<......
工控课堂 www.gkket.com

0

主题

231

回帖

2670

积分

高级会员

积分
2670
发表于 2018-12-11 20:51:36 | 显示全部楼层
楼主加油,我们都看好你哦。
工控课堂 www.gkket.com

11

主题

435

回帖

2643

积分

高级会员

积分
2643
发表于 2018-12-11 21:01:38 | 显示全部楼层
真是被感动的痛哭流涕……
工控课堂 www.gkket.com
您需要登录后才可以回帖 登录 | 立即注册

本版积分规则

关闭

站长推荐上一条 /1 下一条

QQ|手机版|免责声明|本站介绍|工控课堂 ( 沪ICP备20008691号-1 )

GMT+8, 2025-12-22 16:18 , Processed in 0.108240 second(s), 26 queries .

Powered by Discuz! X3.5

© 2001-2025 Discuz! Team.

快速回复 返回顶部 返回列表