找回密码
 立即注册

QQ登录

只需一步,快速开始

工控课堂 首页 工控文库 液压控制 查看内容

液压蓄能器原理图及工作原理

2022-4-10 17:42| 发布者: 198366809| 查看: 8265| 评论: 0

摘要: 液压蓄能器,蓄能器原理图,蓄能器工作原理,蓄能器图纸

一、蓄能器的作用

蓄能器的作用是将液压系统的能量储存起来,在需要时重新释放。它与电路中的电容很像,既可以储存能量,也可以吸收压力波动,具体应用非常灵活多样。

1. 作辅助动力源

某些液压系统的执行元件是间歇动作的,总的工作时间很短,这些系统设置蓄能器后,在系统不需要大流量时,可以把泵输出的多余压力油储存在蓄能器内,等到需要时再由蓄能器快速向系统释放,这样就可以减小泵和电机的容量。

液压系统中的蓄能器,你了解它的作用和结构吗?

2. 作为紧急动力源

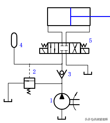
某些液压系统要求在泵突然故障、或突然停电等紧急情况下,执行元件仍能完成必要的动作。这种场合需要蓄能器作为紧急动力源。图示是一个应用实例,当突然停电时,泵出口压力消失,液控换向阀和电磁换向阀弹簧复位, 蓄能器向液压缸的上腔供油,活塞杆能够自动缩回 到缸体内。

液压系统中的蓄能器,你了解它的作用和结构吗?

3. 补充泄漏和保持恒压

对于执行元件长时间不动作,但要保持恒定压力的系统,可用蓄能器来补偿泄漏,从而使压力恒定。 图示是一个应用实例,在液压泵卸荷的情况下,蓄能器持续向系统提供压力油的补充,使系统在一段时间内能够保持恒压。

液压系统中的蓄能器,你了解它的作用和结构吗?

4. 吸收液压冲击

控制阀或液压缸等冲击源之前设置蓄能器,就可以吸收液压冲击。

液压系统中的蓄能器,你了解它的作用和结构吗?

5. 消除脉动、降低噪声

在泵出口或其它重要元件附近安装蓄能器,可使脉动降 低到最小限度,从而使对振动敏感的仪表、管路、控制 阀事故减少,并降低噪声。

液压系统中的蓄能器,你了解它的作用和结构吗?

6. 作液体补充装置用

在封闭的液压系统中,蓄能器可以有效地作为一个液体补充装置。例如,可以用蓄能器补充单杆液压缸有杆腔和无杆腔之间体积之差。

液压系统中的蓄能器,你了解它的作用和结构吗?

7. 用于能量回收利用

二、蓄能器的类型和基本结构

1. 蓄能器的分类

按照工作原理,蓄能器分为充气式蓄能器、重力式蓄能器和弹性蓄能器等,目前常用的是充气式蓄能器,充气式蓄能器按照结构不同,又可分为活塞式蓄能器和皮囊式蓄能器。 这是不同类型蓄能器的职能符号。

液压系统中的蓄能器,你了解它的作用和结构吗?

a)充气式 b)弹簧式 c)重力式式 d)一般符号

2. 活塞式蓄能器

在活塞式蓄能器中,气体和油液由活塞隔开。活塞的上部为压缩气体,随着油压的变化,活塞在缸筒中上下滑动, 实现压力油的储存和释放。这种蓄能器的活塞有一定的惯性, 且存在较大的摩擦,所以反应不够灵敏。

3. 皮囊式蓄能器

皮囊式蓄能器中,气囊用橡胶制成,并充入气体,气囊随着油压的变化而缩小或胀大,从而实现压力油的储存和释放。下端的提升阀防止气囊在膨胀时挤出油口。

液压系统中的蓄能器,你了解它的作用和结构吗?

皮囊式蓄能器

关注公众号,加入500人微信群,下载100G免费资料!

最新评论

热门文章
关闭

站长推荐上一条 /1 下一条

QQ|手机版|免责声明|本站介绍|工控课堂 ( 沪ICP备20008691号-1 )

GMT+8, 2025-12-22 21:02 , Processed in 0.138024 second(s), 23 queries .

Powered by Discuz! X3.5

© 2001-2025 Discuz! Team.

返回顶部