找回密码
 立即注册

QQ登录

只需一步,快速开始

工控课堂 首页 工控文库 变频器学习 查看内容

变频器入门课堂-一台3KW电机变频器驱动,DCS正反转带速度控制 ...

2022-4-24 17:22| 发布者: 198366809| 查看: 1455| 评论: 0

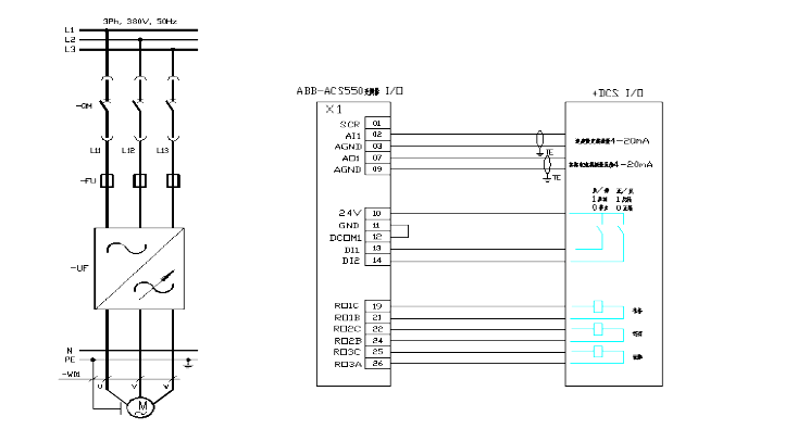
摘要: 一台3KW电机DCS的正反转带速度控制。1、设计思路 选用一台具有正反转功能的变频器,功率为3KW,因为功率较小电磁干拢不大,可以不考虑输入电抗器,DCS控制需有变频器的状态信号(准备、运行、故障),以及实际电流 ...
一台3KW电机DCS的正反转带速度控制
1、设计思路
    选用一台具有正反转功能的变频器功率为3KW,因为功率较小电磁干拢不大,可以不考虑输入电抗器,DCS控制需有变频器的状态信号(准备、运行、故障),以及实际电流信号,变频器的启停及正反转由DCS作控制,速度控制DCS采用4-20mA模拟信号作控制。
2、变频器控制回路设计图


3、变频器参数设定


其它参数可用变频器默认值,改善变频器及对电机的控制特性,如加、减速,U/F曲线等由调试中按实际运行调节设定。

4、实际安装及接线时应注意要点
    实际安装中注意模拟量信号线的屏蔽,屏蔽接地在DCS侧,变频器侧悬空;模拟量信号变频器默认为0-20mA,所以必须要设定为4-20mA;因故障反馈信号是由输出继电器3得到,该信号设置1403为故障反信号,所以接线注意接常闭点,其它二个反馈信号接常开点;同时必需检查变频器的各个跳针与设定是否正确;其它按变频器前述安装要求进行。
关注公众号,加入500人微信群,下载100G免费资料!

最新评论

最新资讯
关闭

站长推荐上一条 /1 下一条

QQ|手机版|免责声明|本站介绍|工控课堂 ( 沪ICP备20008691号-1 )

GMT+8, 2025-12-23 04:30 , Processed in 0.053526 second(s), 23 queries .

Powered by Discuz! X3.5

© 2001-2025 Discuz! Team.

返回顶部