找回密码
 立即注册

QQ登录

只需一步,快速开始

工控课堂 首页 工控文库 PLC学习 查看内容

PLC梯形图编程定位脉冲代码控制伺服电机

2022-2-20 12:36| 发布者: 198366809| 查看: 1601| 评论: 9|原作者: 198366809

摘要: PLC及伺服驱动器接线图 机械运行图 程序举例根据下图运行, 采用绝对位置方式进行定位。 原点回归及点动运行 正转定位及反向定位 利用ABS指令读出ABS当前值的程序1) 在脉冲输出端Y000的定位用指令的当前值寄存 ...
PLC伺服驱动器接线图



机械运行图

程序举例
根据下图运行, 采用绝对位置方式进行定位。


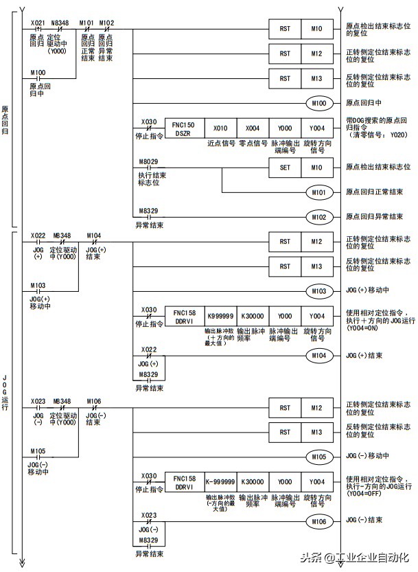
原点回归及点动运行


正转定位及反向定位


利用ABS指令读出ABS当前值的程序
1) 在脉冲输出端Y000的定位用指令的当前值寄存器中保存ABS数据的程序


关注公众号,加入500人微信群,下载100G免费资料!
发表评论

最新评论

引用 willon 2025-11-12 10:46
不请自来,只为说一句:太精彩了!
引用 liujianhau 2025-11-13 16:11
学到干货了,感谢分享,已火速收藏
引用 飘风77006 2025-11-13 17:19
路过打卡,为优质内容疯狂打 call
引用 真诚的_WUJJr 2025-11-13 18:09
楼主太会说了,字字句句都在理
引用 ysh1027 2025-11-13 19:20
内容太顶了!疯狂点赞,已默默收藏~
引用 kayechong 2025-11-13 20:48
已转发给朋友,一起感受这份快乐~
引用 冷云19899 2025-11-13 23:02
浅蹲一个后续,楼主更新踢我一下
引用 流浪猫 2025-11-13 23:02
同款经历!简直是世另我
引用 chen3721 2025-11-19 15:04
笑不活了,评论区比正文还精彩
已转发给朋友,一起快乐一下

查看全部评论(9)

热门文章
关闭

站长推荐上一条 /1 下一条

QQ|手机版|免责声明|本站介绍|工控课堂 ( 沪ICP备20008691号-1 )

GMT+8, 2025-12-23 04:30 , Processed in 0.074593 second(s), 29 queries .

Powered by Discuz! X3.5

© 2001-2025 Discuz! Team.

返回顶部